| Asennus | DIN-kiskoon | 
|---|---|
| Current limit | 1-20 | 
| Käyttöjännite | 12 V DC, 24 V DC | 
| Ohjaustyyppi | Suunta, Vääntömomentti, Soft start / stop | 
| Paino | 70 g | 
| Peak current | 20 | 
| PWM taajuus | 500Hz | 
|---|---|
| Suitable engine | DC | 
| Säätöalue | 1-10 A | 
| Valmistaja | Electromen | 
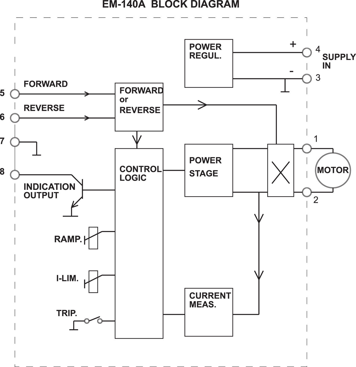
EM-140A on yksinkertainen DC-moottoriohjain, joka on tarkoitettu DC-moottoreiden käynnistystä ja pysäytystä varten, sekä suunnanvaihtoon. Ohjaimessa on myös kehittynyt virranrajoitus, joka suojaa moottoria käynnistyksessä ja jumitilanteessa.
 
              Moottoriohjain on välttämätön komponentti, kun halutaan hallita sähkömoottorin toimintaa tarkasti ja tehokkaasti.
 
              EM-241 on pienikokoinen, mutta erittäin monipuolinen ohjelmoitava DC-moottoriohjain lähes kaikkiin mahdollisiin teollisuuden sovelluksiin. Siinä on säädettävät virtarajat, startti- ja pysäytysrampit sekä kaksi esiaseteltavaa nopeutta.
 
              
                  Olemme laajentaneet tuotevalikoimaamme ja aloittaneet yhteistyön NTF Aalborg A/S:n kanssa.  Lue lisää!
                
 
              Turun Eläinsuojeluyhdistys auttaa Turun sekä lähialueiden kodittomia lemmikkejä sekä luonnonvaraisia eläimiä.
 
              Teollisuusympäristöissä tapahtuvat räjähdykset voivat aiheuttaa vakavia vahinkoja sekä ihmisille että omaisuudelle. ATEX varmistaa, että sekä laitteet että työprosessit on suunniteltu minimoimaan nämä riskit ja luomaan turvallinen työympäristö.
 
              Yli 70 vuoden kokemuksellaan Akapp-Stemmann (Wabtec Netherlands) on yksi maailman tunnetuimmista virtakiskostojen valmistajista.
 
            
        Andreas Lyrintzis