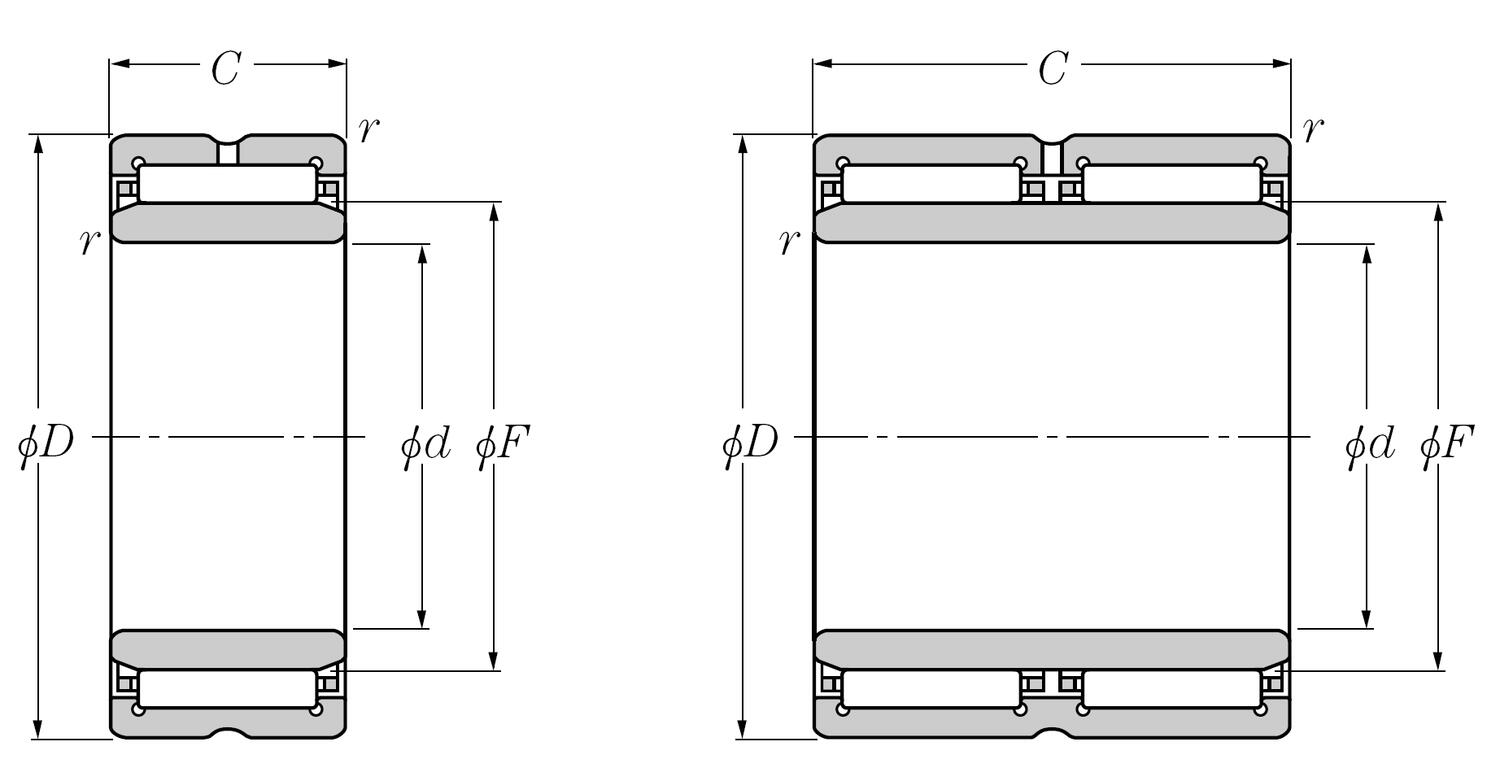
NKI-neulalaakeri laipalla ja sisärenkaalla. Laakerin mukana tulee sisärengas, jolloin ei vaadita hiottua akselia. Laakeria saa yksi- ja kaksirivisenä. Neulalaakerin etuina ovat suuret kuormankantokyvyt sekä suuret kierrosnopeuskestävyydet. Lisäksi neulalaakeri sopii pieniin tiloihin.
Laakerissa on pitkä käyttöikä suuren kuormankantokyvyn ja nopeiden kierrosten ansiosta.
Suojauksen lisäksi kaapeli on päällystetty ulkovaipalla, jonka tehtävänä on suojata kaapelin sisäosia. Eri vaippamateriaalit suojaavat esimerkiksi mekaaniselta rasitukselta, lämpötilavaihteluilta ja kemiallisilta aineilta.
Teollisuuden automaatio ja koneenrakennus vaativat nopeutta, luotettavuutta ja kustannustehokkuutta. igus readychain on heti käyttövalmis energiansiirtojärjestelmä näihin tarpeisiin.
Uusi F-kaasuasetus (EU) 2024/573 muuttaa jäähdytys- ja ilmastointijärjestelmien edellytyksiä teollisissa sovelluksissa. Tiukennetut vaatimukset fluoratuille kasvihuonekaasuille tarkoittavat, että monet nykyiset ratkaisut poistetaan asteittain käytöstä – samalla kun väärän teknologian valinta voi tulla kalliiksi tulevaisuudessa.
CONTA-CLIP tarjoaa elintarviketeollisuuden vaatimuksiin suunniteltuja kaapeliläpivientiratkaisuja, jotka on valmistettu FDA-yhteensopivista materiaaleista.
Olemme aloittaneet yhteistyön turkkilaisen Makersanin kanssa! Makersanin tuotevalikoima koostuu mekatroniikan komponenteista, jotka voidaan integroida osaksi ajoneuvojen järjestelmiä.
Marcon UP/OIL –sarjalla tarjoamme yhä monipuolisemman valikoiman tiivisteellisiä hammaspyöräpumppuja, jotka on suunniteltu vastaamaan vaativien käyttäjien tarpeisiin.
|
|
|
|
|
|
||
|---|---|---|---|---|---|---|
|
|
|
|
|
|
||
|
|
|
|
|
|
||
|
|
|
|
|
|
||
|
|
|
|
|
|
||
|
|
|
|
|
|
||
|
|
|
|
|
|
| Suosikit | Tilausnumero: | Akselin halkaisija | C | Dynaaminen laakerin kestävyys DYN | F | Max. RPM voitelu | Paino | Staattinen kantokyky DYN | Ulkomitta D | Öljy | Hinta | |
|---|---|---|---|---|---|---|---|---|---|---|---|---|
Yhdistetty neulalaakeri
Tuotenumero:
NK08/12+IR05
Kopioitu!
|
5 mm
|
12 mm
|
4000
|
8 mm
|
21000 rpm
|
0,012 kg
|
4100
|
15 mm
|
32000 rpm
|
|
||
Yhdistetty neulalaakeri
Tuotenumero:
NK09/12+IR06
Kopioitu!
|
6 mm
|
12 mm
|
4550
|
9 mm
|
20000 rpm
|
0,013 kg
|
5000
|
16 mm
|
30000 rpm
|
|
||
Yhdistetty neulalaakeri
Tuotenumero:
NK10/12+IR07
Kopioitu!
|
7 mm
|
12 mm
|
4550
|
10 mm
|
19000 rpm
|
0,014 kg
|
5100
|
17 mm
|
28000 rpm
|
|
||
Yhdistetty neulalaakeri
Tuotenumero:
NK10/16+IR07
Kopioitu!
|
7 mm
|
16 mm
|
5450
|
10 mm
|
19000 rpm
|
0,018 kg
|
6450
|
17 mm
|
28000 rpm
|
|
||
Yhdistetty neulalaakeri
Tuotenumero:
NK12/12+IR09
Kopioitu!
|
9 mm
|
12 mm
|
5000
|
12 mm
|
17000 rpm
|
0,018 kg
|
6100
|
19 mm
|
26000 rpm
|
|
||
Yhdistetty neulalaakeri
Tuotenumero:
NK12/16+IR09
Kopioitu!
|
9 mm
|
16 mm
|
6000
|
12 mm
|
17000 rpm
|
0,022 kg
|
7700
|
19 mm
|
26000 rpm
|
|
||
Yhdistetty neulalaakeri
Tuotenumero:
NK14/16+IR10
Kopioitu!
|
10 mm
|
16 mm
|
10300
|
14 mm
|
16000 rpm
|
0,03 kg
|
11500
|
22 mm
|
24000 rpm
|
|
||
Yhdistetty neulalaakeri
Tuotenumero:
NK14/20+IR10
Kopioitu!
|
10 mm
|
20 mm
|
13000
|
14 mm
|
16000 rpm
|
0,038 kg
|
15600
|
22 mm
|
24000 rpm
|
|
||
Yhdistetty neulalaakeri
Tuotenumero:
NK16/16+IR12
Kopioitu!
|
12 mm
|
16 mm
|
12200
|
16 mm
|
15000 rpm
|
0,033 kg
|
14900
|
24 mm
|
23000 rpm
|
|
||
Yhdistetty neulalaakeri
Tuotenumero:
NK16/20+IR12
Kopioitu!
|
12 mm
|
20 mm
|
14600
|
16 mm
|
15000 rpm
|
0,042 kg
|
18800
|
24 mm
|
23000 rpm
|
|
||
Yhdistetty neulalaakeri
Tuotenumero:
NK19/16+IR15
Kopioitu!
|
15 mm
|
16 mm
|
13300
|
19 mm
|
14000 rpm
|
0,039 kg
|
17400
|
27 mm
|
21000 rpm
|
|
||
Yhdistetty neulalaakeri
Tuotenumero:
NK19/20+IR15
Kopioitu!
|
15 mm
|
20 mm
|
16000
|
19 mm
|
14000 rpm
|
0,045 kg
|
22200
|
27 mm
|
21000 rpm
|
|
||
Yhdistetty neulalaakeri
Tuotenumero:
NK21/16+IR17
Kopioitu!
|
17 mm
|
16 mm
|
13700
|
21 mm
|
13000 rpm
|
0,042 kg
|
18700
|
29 mm
|
19000 rpm
|
|
||
Yhdistetty neulalaakeri
Tuotenumero:
NK21/20+IR17
Kopioitu!
|
17 mm
|
20 mm
|
18300
|
21 mm
|
13000 rpm
|
0,053 kg
|
27100
|
29 mm
|
19000 rpm
|
|
||
Yhdistetty neulalaakeri
Tuotenumero:
NK24/16+IR20
Kopioitu!
|
20 mm
|
16 mm
|
15200
|
24 mm
|
11000 rpm
|
0,049 kg
|
22300
|
32 mm
|
17000 rpm
|
|
||
Yhdistetty neulalaakeri
Tuotenumero:
NK24/20+IR20
Kopioitu!
|
20 mm
|
20 mm
|
18600
|
24 mm
|
11000 rpm
|
0,061 kg
|
28800
|
32 mm
|
17000 rpm
|
|
||
Yhdistetty neulalaakeri
Tuotenumero:
NK26/16+IR22
Kopioitu!
|
22 mm
|
16 mm
|
15600
|
26 mm
|
10000 rpm
|
0,046 kg
|
23600
|
34 mm
|
15000 rpm
|
|
||
Yhdistetty neulalaakeri
Tuotenumero:
NK26/20+IR22
Kopioitu!
|
22 mm
|
20 mm
|
19100
|
26 mm
|
10000 rpm
|
0,064 kg
|
30500
|
34 mm
|
15000 rpm
|
|
||
Yhdistetty neulalaakeri
Tuotenumero:
NK29/20+IR25
Kopioitu!
|
25 mm
|
20 mm
|
22200
|
29 mm
|
9500 rpm
|
0,079 kg
|
34000
|
38 mm
|
14000 rpm
|
|
||
Yhdistetty neulalaakeri
Tuotenumero:
NK29/30+IR25
Kopioitu!
|
25 mm
|
30 mm
|
27500
|
29 mm
|
9500 rpm
|
0,123 kg
|
50500
|
38 mm
|
14000 rpm
|
|
||
Yhdistetty neulalaakeri
Tuotenumero:
NK32/20+IR28
Kopioitu!
|
28 mm
|
20 mm
|
23500
|
32 mm
|
8500 rpm
|
0,096 kg
|
57500
|
42 mm
|
13000 rpm
|
|
||
Yhdistetty neulalaakeri
Tuotenumero:
NK32/30+IR28
Kopioitu!
|
28 mm
|
30 mm
|
34000
|
32 mm
|
8500 rpm
|
0,146 kg
|
60500
|
42 mm
|
13000 rpm
|
|
||
Yhdistetty neulalaakeri
Tuotenumero:
NK35/20+IR30
Kopioitu!
|
30 mm
|
20 mm
|
24800
|
35 mm
|
7500 rpm
|
0,112 kg
|
41500
|
45 mm
|
11000 rpm
|
|
||
Yhdistetty neulalaakeri
Tuotenumero:
NK35/30+IR30
Kopioitu!
|
30 mm
|
30 mm
|
36000
|
35 mm
|
7500 rpm
|
0,171 kg
|
66500
|
45 mm
|
11000 rpm
|
|
||
Yhdistetty neulalaakeri
Tuotenumero:
NK37/20+IR32
Kopioitu!
|
32 mm
|
20 mm
|
25300
|
37 mm
|
7500 rpm
|
0,117 kg
|
43500
|
47 mm
|
11000 rpm
|
|
||
Yhdistetty neulalaakeri
Tuotenumero:
NK37/30+IR32
Kopioitu!
|
32 mm
|
30 mm
|
36500
|
37 mm
|
7500 rpm
|
0,17 kg
|
69500
|
47 mm
|
11000 rpm
|
|
||
Yhdistetty neulalaakeri
Tuotenumero:
NK40/20+IR35
Kopioitu!
|
35 mm
|
20 mm
|
26400
|
40 mm
|
6500 rpm
|
0,13 kg
|
47000
|
50 mm
|
10000 rpm
|
|
||
Yhdistetty neulalaakeri
Tuotenumero:
NK40/30+IR35
Kopioitu!
|
35 mm
|
30 mm
|
38500
|
40 mm
|
6500 rpm
|
0,193 kg
|
76000
|
50 mm
|
10000 rpm
|
|
||
Yhdistetty neulalaakeri
Tuotenumero:
NK43/20+IR38
Kopioitu!
|
38 mm
|
20 mm
|
27500
|
43 mm
|
6500 rpm
|
0,134 kg
|
51000
|
53 mm
|
9500 rpm
|
|
||
Yhdistetty neulalaakeri
Tuotenumero:
NK43/30+IR38
Kopioitu!
|
38 mm
|
30 mm
|
40000
|
43 mm
|
6500 rpm
|
0,207 kg
|
82000
|
53 mm
|
9500 rpm
|
|
||
Yhdistetty neulalaakeri
Tuotenumero:
NK45/20+IR40
Kopioitu!
|
40 mm
|
20 mm
|
28000
|
45 mm
|
6000 rpm
|
0,143 kg
|
52500
|
55 mm
|
9000 rpm
|
|
||
Yhdistetty neulalaakeri
Tuotenumero:
NK45/30+IR40
Kopioitu!
|
40 mm
|
30 mm
|
41000
|
45 mm
|
6000 rpm
|
0,216 kg
|
85500
|
55 mm
|
9000 rpm
|
|
||
Yhdistetty neulalaakeri
Tuotenumero:
NK47/20+IR42
Kopioitu!
|
42 mm
|
20 mm
|
28800
|
47 mm
|
5500 rpm
|
0,148 kg
|
55500
|
57 mm
|
8500 rpm
|
|
||
Yhdistetty neulalaakeri
Tuotenumero:
NK47/30+IR42
Kopioitu!
|
42 mm
|
30 mm
|
42500
|
47 mm
|
5500 rpm
|
0,222 kg
|
91500
|
57 mm
|
8500 rpm
|
|
||
Yhdistetty neulalaakeri
Tuotenumero:
NK50/25+IR45
Kopioitu!
|
45 mm
|
25 mm
|
38500
|
50 mm
|
5500 rpm
|
0,229 kg
|
74500
|
62 mm
|
8000 rpm
|
|
||
Yhdistetty neulalaakeri
Tuotenumero:
NK50/35+IR45
Kopioitu!
|
45 mm
|
35 mm
|
51000
|
50 mm
|
5500 rpm
|
0,322 kg
|
106000
|
62 mm
|
8000 rpm
|
|
||
Yhdistetty neulalaakeri
Tuotenumero:
NK55/25+IR50
Kopioitu!
|
50 mm
|
25 mm
|
41000
|
55 mm
|
5000 rpm
|
0,271 kg
|
82000
|
68 mm
|
7500 rpm
|
|
||
Yhdistetty neulalaakeri
Tuotenumero:
NK55/35+IR50
Kopioitu!
|
50 mm
|
35 mm
|
54000
|
55 mm
|
5000 rpm
|
0,379 kg
|
118000
|
68 mm
|
7500 rpm
|
|
||
Yhdistetty neulalaakeri
Tuotenumero:
NK60/35+IR55
Kopioitu!
|
55 mm
|
35 mm
|
57000
|
60 mm
|
4300 rpm
|
0,379 kg
|
130000
|
72 mm
|
6500 rpm
|
|
||
Yhdistetty neulalaakeri
Tuotenumero:
NK90/25+IR80
Kopioitu!
|
80 mm
|
25 mm
|
71500
|
90 mm
|
2900 rpm
|
0,68 kg
|
128000
|
110 mm
|
4400 rpm
|
|
||
Yhdistetty neulalaakeri
Tuotenumero:
NK100/26+IR90
Kopioitu!
|
90 mm
|
26 mm
|
73500
|
100 mm
|
2700 rpm
|
0,781 kg
|
137000
|
120 mm
|
4000 rpm
|
|
||
Yhdistetty neulalaakeri
Tuotenumero:
NK105/36+IR95
Kopioitu!
|
95 mm
|
36 mm
|
111000
|
105 mm
|
2500 rpm
|
1,15 kg
|
238000
|
125 mm
|
3800 rpm
|
|
||
Yhdistetty neulalaakeri
Tuotenumero:
NK110/40+IR100
Kopioitu!
|
100 mm
|
40 mm
|
129000
|
110 mm
|
2400 rpm
|
1,34 kg
|
292000
|
130 mm
|
3600 rpm
|
|
Valitse tuote listalta.