LS

GX..S teräs/teräs aksiaalinivellaakerit

Suuri kääntökyky

Koska laakerit ovat itsesäätyviä, säätöliike voi suuntautua mihin suuntaan tahansa. Ne soveltuvatkin käyttökohteisiin, joissa vaaditaan kääntökykyä.
  • Pallomainen aksiaalinivellaakeri
  • Paras vaihtoehto aksiaalisille kuormille
  • Teräs/teräs (S) -pinta – vaatii huoltoa

Valitse tuote

Valitse tuote

Valitse tuote

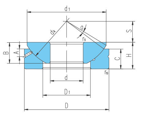
Tekniset tiedot

a 6 mm
A 5 mm
B 11 mm
C 10.8
d1 max 39 mm
D1 min 22,5 mm
dk 46 mm
Dynaaminen laakerin kestävyys DYN 53
H 15 mm
Paino 0,108 kg
r1s min 0,6 mm
rs min. 0,6 mm
S 10 mm
Sisämitta d 15 mm
Staattinen kantokyky DYN 267
Ulkomitta D 42 mm

Mitat ja kytkennät

Tuotekuvaus

KÄYTTÖALUEET

Nivellaakerit ovat standardoituja laakereita, jotka sopivat erityisen hyvin käyttökohteisiin, joissa heilahdukset ja kallistukset tapahtuvat suhteellisen hitaasti. Koska laakerit ovat itsesäätyviä, säätöliike voi suuntautua mihin suuntaan tahansa. Ne soveltuvatkin käyttökohteisiin, joissa vaaditaan kääntökykyä. Sisärenkaan pallomainen kupera ulkokehä vastaa ulkorenkaan pallomaista mutta koveraa sisäkehää. Laakerityyppi kestää pyörivää ja vaihtelevaa kuormitusta sekä staattista kuormitusta.

Teräs/teräs-liukupinta on käsitelty voiteluaineella asennuksen helpottamiseksi. Voitelun helpottamiseksi tuotteessa on uurrettu voiteluainetasku ja voitelureiät sisä- ja ulkorenkaassa. Voitelu muun muassa pienentää kitkaa ja pidentää laakerin käyttöikää.

Huomioon otettavaa

• Kuormitussuunta: radiaalinen/aksiaalinen.

• Enimmäiskuorma, joka ilmoitetaan taulukoissa aksiaalinivellaakereille, tarkoittaa aksiaalista kuormaa.

• Kuormituksen tyyppi: staattinen, dynaaminen, vaihteleva, taajuus, ympäristö, epäpuhtaudet, kosteus, lämpötila, tilantarve, asennustapa.

Tarvikkeet



Äänitiedostot

Lisää luettavaa

Suosikit Tilausnumero: a A B C d1 max D1 min dk Dynaaminen laakerin kestävyys DYN H Paino r1s min rs min. S Sisämitta d Staattinen kantokyky DYN Ulkomitta D Hinta
6 mm
5 mm
11 mm
10.8
39 mm
22,5 mm
46 mm
53
15 mm
0,108 kg
0,6 mm
0,6 mm
10 mm
15 mm
267
42 mm
4 mm
5 mm
11,8 mm
11.2
43,5 mm
27 mm
52 mm
61
16 mm
0,137 kg
0,6 mm
0,6 mm
11 mm
17 mm
311
47 mm
5 mm
6 mm
16,5 mm
16.7
58,5 mm
34,5 mm
68 mm
134
22,5 mm
0,415 kg
1 mm
1 mm
14 mm
25 mm
672
62 mm
5 mm
8 mm
22 mm
20.7
84 mm
50,5 mm
98 mm
266
28 mm
0,973 kg
1 mm
1 mm
22 mm
35 mm
1330
90 mm
3 mm
16,5 mm
53,5 mm
50
220 mm
145 mm
250 mm
1530
64 mm
14 kg
1,1 mm
1,1 mm
52,5 mm
120 mm
7850
230 mm

Valittu tuote

Valitse tuote listalta.

Teknisiä neuvoja

Mikko Railonvirta

Tuotepäällikkö

Asiakaspalvelu
Asiakaspalvelumme vastaa kysymyksiin ja etsii ratkaisut ongelmiin. Heille voit jättää myös tilauksesi.
FAQ
+ Miten tullaan asiakkaaksenne?
+ Olen sopinut puskurivarastosta, voinko tilata verkkokaupan kautta?
+ Voiko samalla tilillä olla useita käyttäjiä?
+ Voiko samassa tilauksessa olla useampia toimituspäiviä?
+ Voiko tilauksen toimittaa väliaikaiseen toimitusosoitteeseen?
Chatti
Tarvitsetko apua?
Logo

Evästeet oem.fi sivustolla

Evästeiden avulla voimme palvella sinua paremmin ja varmistamme sivuston sujuvan toiminnan. Voit hallinnoida evästeasetuksia koska tahansa.

Toiminnalliset evästeet

Nämä evästeet ovat välttämättömiä verkkosivuston toimimiseksi, eikä niitä voi poistaa käytöstä järjestelmissämme. Niitä käytetään yleensä vain vastauksena toimiin, jotka olet tehnyt palvelupyynnön yhteydessä, esimerkiksi henkilökohtaisten asetusten määrittämisen, kirjautumisen tai lomakkeen täyttämisen yhteydessä.

Tilastolliset evästeet

Tilastollisten evästeiden avulla seuraamme verkkosivustomme kävijöiden toimintaa ja teemme analyyseja, joiden avulla voimme optimoida verkkosivustoamme. Tämä tarkoittaa, että voimme kehittää sivustoamme toimivammaksi ja palvelemaan kävijöitä paremmin. Jos et hyväksy näitä evästeitä, emme tiedä, milloin olet käynyt sivustollamme. Voit kuitenkin käyttää sivustoamme normaalisti.

Markkinointievästeet

Markkinointievästeiden avulla voimme kohdentaa sinulle mainoksia eri verkkosivustoilla tai sisältöä sosiaalisessa mediassa. Näitä evästeitä asettavat kolmannen osapuolen mainonta- ja kohdistustyökalut. Evästeiden kautta nämä toimijat voivat muodostaa profiilin kiinnostuksesi kohteista. Jos et hyväksy näitä evästeitä, et näe kohdennettua markkinointia etkä mahdollisesti voi käyttää sosiaalisen median jakotyökaluja.