LS

GEEM..ES-2RS teräs/teräs nivellaakerit

Standardoitu laakeri

Nivellaakerit ovat standardoituja laakereita, jotka sopivat erityisen hyvin käyttökohteisiin, joissa heilahdukset ja kallistukset tapahtuvat suhteellisen hitaasti.
  • Radiaalinivellaakeri
  • Liukupintayhdistelmä teräs/teräs – vaatii huoltoa
  • Kestää raskasta kuormitusta ja varsinkin isku- ja äkkikuormituksia
  • Toimitetaan tiivisteellä -2RS

Valitse tuote

Valitse tuote

Valitse tuote

Tekniset tiedot

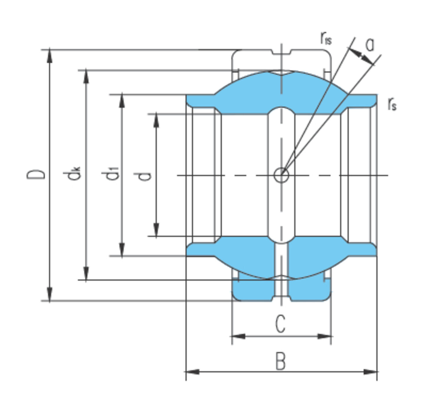
a 6 mm
B 24 mm
C 12
d1 max 24 mm
dk 29 mm
Dynaaminen laakerin kestävyys DYN 30
Paino 0,072 kg
r1s min 0,3 mm
rs min. 0,3 mm
Sisämitta d 20 mm
Staattinen kantokyky DYN 146
Ulkomitta D 35 mm

Mitat ja kytkennät

Tuotekuvaus

KÄYTTÖALUEET

Nivellaakerit ovat standardoituja laakereita, jotka sopivat erityisen hyvin käyttökohteisiin, joissa heilahdukset ja kallistukset tapahtuvat suhteellisen hitaasti. Koska laakerit ovat itsesäätyviä, säätöliike voi suuntautua mihin suuntaan tahansa. Ne soveltuvatkin käyttökohteisiin, joissa vaaditaan kääntökykyä. Sisärenkaan pallomainen kupera ulkokehä vastaa ulkorenkaan pallomaista mutta koveraa sisäkehää. Laakerityyppi kestää pyörivää ja vaihtelevaa kuormitusta sekä staattista kuormitusta.

Teräs/teräs-liukupinta on käsitelty voiteluaineella asennuksen helpottamiseksi. Voitelun helpottamiseksi tuotteessa on uurrettu voiteluainetasku ja voitelureiät sisä- ja ulkorenkaassa. Voitelu muun muassa pienentää kitkaa ja pidentää laakerin käyttöikää.

Huomioon otettavaa

• Kuormitussuunta: radiaalinen/aksiaalinen

• Enimmäiskuorma, joka ilmoitetaan taulukoissa radiaalinivellaakereille, tarkoittaa yksinomaan radiaalista kuormaa

• Kuormituksen tyyppi: staattinen, dynaaminen, vaihteleva, taajuus,ympäristö, epäpuhtaudet, kosteus, lämpötila, tilantarve, asennustapa

Tarvikkeet

Saatat olla kiinnostunut näistä



Äänitiedostot

Lisää luettavaa

Suosikit Tilausnumero: a B C d1 max dk Dynaaminen laakerin kestävyys DYN Paino r1s min rs min. Sisämitta d Staattinen kantokyky DYN Ulkomitta D Hinta
6 mm
24 mm
12
24 mm
29 mm
30
0,072 kg
0,3 mm
0,3 mm
20 mm
146
35 mm
4 mm
29 mm
16
29 mm
35,5 mm
48
0,13 kg
0,6 mm
0,3 mm
25 mm
240
42 mm
4 mm
30 mm
18
34 mm
40,7 mm
62
0,16 kg
0,6 mm
0,3 mm
30 mm
310
47 mm
4 mm
35 mm
20
40 mm
47 mm
79
0,25 kg
1 mm
0,6 mm
35 mm
399
55 mm
4 mm
38 mm
22
45 mm
53 mm
99
0,34 kg
1 mm
0,6 mm
40 mm
495
62 mm
4 mm
40 mm
25
52 mm
60 mm
127
0,45 kg
1 mm
0,6 mm
45 mm
637
68 mm
4 mm
43 mm
28
57 mm
66 mm
156
0,59 kg
1 mm
0,6 mm
50 mm
780
75 mm
3 mm
54 mm
36
68 mm
80 mm
245
1,06 kg
1 mm
0,6 mm
60 mm
1220
90 mm
4 mm
65 mm
40
78 mm
92 mm
313
1,66 kg
1 mm
0,6 mm
70 mm
1560
105 mm
4 mm
74 mm
45
90 mm
105 mm
400
2,47 kg
1 mm
0,6 mm
80 mm
2000
120 mm

Valittu tuote

Valitse tuote listalta.

Teknisiä neuvoja

Mikko Railonvirta

Asiakaspalvelu
Asiakaspalvelumme vastaa kysymyksiin ja etsii ratkaisut ongelmiin. Heille voit jättää myös tilauksesi.
FAQ
+ Miten tullaan asiakkaaksenne?
+ Olen sopinut puskurivarastosta, voinko tilata verkkokaupan kautta?
+ Voiko samalla tilillä olla useita käyttäjiä?
+ Voiko samassa tilauksessa olla useampia toimituspäiviä?
+ Voiko tilauksen toimittaa väliaikaiseen toimitusosoitteeseen?
Chatti
Tarvitsetko apua?
Logo

Evästeet oem.fi sivustolla

Evästeiden avulla voimme palvella sinua paremmin ja varmistamme sivuston sujuvan toiminnan. Voit hallinnoida evästeasetuksia koska tahansa.

Toiminnalliset evästeet

Nämä evästeet ovat välttämättömiä verkkosivuston toimimiseksi, eikä niitä voi poistaa käytöstä järjestelmissämme. Niitä käytetään yleensä vain vastauksena toimiin, jotka olet tehnyt palvelupyynnön yhteydessä, esimerkiksi henkilökohtaisten asetusten määrittämisen, kirjautumisen tai lomakkeen täyttämisen yhteydessä.

Tilastolliset evästeet

Tilastollisten evästeiden avulla seuraamme verkkosivustomme kävijöiden toimintaa ja teemme analyyseja, joiden avulla voimme optimoida verkkosivustoamme. Tämä tarkoittaa, että voimme kehittää sivustoamme toimivammaksi ja palvelemaan kävijöitä paremmin. Jos et hyväksy näitä evästeitä, emme tiedä, milloin olet käynyt sivustollamme. Voit kuitenkin käyttää sivustoamme normaalisti.

Markkinointievästeet

Markkinointievästeiden avulla voimme kohdentaa sinulle mainoksia eri verkkosivustoilla tai sisältöä sosiaalisessa mediassa. Näitä evästeitä asettavat kolmannen osapuolen mainonta- ja kohdistustyökalut. Evästeiden kautta nämä toimijat voivat muodostaa profiilin kiinnostuksesi kohteista. Jos et hyväksy näitä evästeitä, et näe kohdennettua markkinointia etkä mahdollisesti voi käyttää sosiaalisen median jakotyökaluja.