LS
KÄYTTÖALUEET
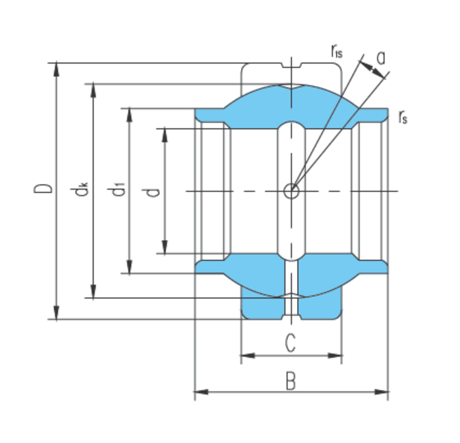
Nivellaakerit ovat standardoituja laakereita, jotka sopivat erityisen hyvin käyttökohteisiin, joissa heilahdukset ja kallistukset tapahtuvat suhteellisen hitaasti. Koska laakerit ovat itsesäätyviä,säätöliike voi suuntautua mihin suuntaan tahansa. Ne soveltuvatkin käyttökohteisiin, joissavaaditaan kääntökykyä. Sisärenkaan pallomainen kupera ulkokehä vastaa ulkorenkaan pallomaista mutta koveraa sisäkehää. Laakerityyppi kestää pyörivää ja vaihtelevaa kuormitusta sekä staattista kuormitusta.
Teräs/teräs-liukupinta on käsitelty voiteluaineella asennuksen helpottamiseksi. Voitelun helpottamiseksi tuotteessa on uurrettu voiteluainetasku ja voitelureiät sisä- ja ulkorenkaassa.Voitelu muun muassa pienentää kitkaa ja pidentää laakerin käyttöikää.
• Kuormitussuunta: radiaalinen/aksiaalinen
• Enimmäiskuorma, joka ilmoitetaan taulukoissa radiaalinivellaakereille, tarkoittaa yksinomaan radiaalista kuormaa
• Kuormituksen tyyppi: staattinen, dynaaminen, vaihteleva, taajuus,ympäristö, epäpuhtaudet, kosteus, lämpötila, tilantarve, asennustapa
Uudistunut Millenium 3 -logiikkaohjain tarjoaa tutut toiminnot ja uusia ominaisuuksia. Ohjelmoi helposti ilmaisella Crouzet Soft -ohjelmistolla ilman koodausta.
JBC:n juotosasemat, kaikki juotostarvikkeet sekä varaosat on nyt tilattavissa helposti ja nopeasti verkkokaupasta! Tutustu valikoimaan nyt!
Olemme laajentaneet tuotevalikoimaamme ja aloittaneet yhteistyön NTF Aalborg A/S:n kanssa. Lue lisää!
Vähensimme yrityslahjojen määrää ja korvasimme ne aineettomalla lahjoituskortilla. Lue mitä se tarkoittaa!
Technon valmiiksi valetut liitinkaapelit tarjoavat nopean ja luotettavan ratkaisun teollisuuden liitäntähaasteisiin. Lue lisää!
Vector Award -kilpailussa palkitaan korkean suorituskyvyn muovista valmistettujen energiansiirtoketjujen sovelluksia. Imoittaudu mukaan kisaan!
|
|
|
|
|
|
||
|---|---|---|---|---|---|---|
|
|
|
|
|
|
||
|
|
|
|
|
|
||
|
|
|
|
|
|
||
|
|
|
|
|
|
||
|
|
|
|
|
|
||
|
|
|
|
|
|
| Suosikit | Tilausnumero: | B | C | d1 max | dk | Dynaaminen laakerin kestävyys DYN | Paino | r1s min | rs min. | Sisämitta d | Staattinen kantokyky DYN | Ulkomitta D | Hinta | |
|---|---|---|---|---|---|---|---|---|---|---|---|---|---|---|
|
Nivellaakeri leveä sisäkehä
Tuotenumero:
GEEW12ES
Kopioitu!
|
12 mm
|
7
|
15,5 mm
|
18 mm
|
10
|
0,017 kg
|
0,3 mm
|
0,3 mm
|
12 mm
|
53
|
22 mm
|
| ||
|
Nivellaakeri leveä sisäkehä
Tuotenumero:
GEEW16ES
Kopioitu!
|
16 mm
|
9
|
20 mm
|
23 mm
|
17
|
0,034 kg
|
0,3 mm
|
0,3 mm
|
16 mm
|
85
|
28 mm
|
| ||
|
Nivellaakeri leveä sisäkehä
Tuotenumero:
GEEW20ES
Kopioitu!
|
20 mm
|
12
|
25 mm
|
29 mm
|
30
|
0,069 kg
|
0,3 mm
|
0,3 mm
|
20 mm
|
146
|
35 mm
|
| ||
|
Nivellaakeri leveä sisäkehä
Tuotenumero:
GEEW25ES
Kopioitu!
|
25 mm
|
16
|
30,5 mm
|
35,5 mm
|
48
|
0,124 kg
|
0,6 mm
|
0,6 mm
|
25 mm
|
240
|
42 mm
|
| ||
|
Nivellaakeri leveä sisäkehä
Tuotenumero:
GEEW30ES
Kopioitu!
|
30 mm
|
18
|
34 mm
|
40,7 mm
|
62
|
0,159 kg
|
0,6 mm
|
0,6 mm
|
30 mm
|
310
|
47 mm
|
| ||
|
Nivellaakeri leveä sisäkehä
Tuotenumero:
GEEW32ES
Kopioitu!
|
32 mm
|
18
|
37 mm
|
43 mm
|
65
|
0,207 kg
|
1 mm
|
0,6 mm
|
32 mm
|
328
|
52 mm
|
| ||
|
Nivellaakeri leveä sisäkehä
Tuotenumero:
GEEW35ES
Kopioitu!
|
35 mm
|
20
|
40 mm
|
47 mm
|
79
|
0,248 kg
|
1 mm
|
0,6 mm
|
35 mm
|
399
|
55 mm
|
| ||
|
Nivellaakeri leveä sisäkehä
Tuotenumero:
GEEW40ES
Kopioitu!
|
40 mm
|
22
|
46 mm
|
53 mm
|
99
|
0,349 kg
|
1 mm
|
0,6 mm
|
40 mm
|
495
|
62 mm
|
| ||
|
Nivellaakeri leveä sisäkehä
Tuotenumero:
GEEW45ES
Kopioitu!
|
45 mm
|
25
|
52 mm
|
60 mm
|
127
|
0,468 kg
|
1 mm
|
0,6 mm
|
45 mm
|
637
|
68 mm
|
| ||
|
Nivellaakeri leveä sisäkehä
Tuotenumero:
GEEW50ES
Kopioitu!
|
50 mm
|
28
|
57 mm
|
66 mm
|
156
|
0,62 kg
|
1 mm
|
0,6 mm
|
50 mm
|
780
|
75 mm
|
| ||
|
Nivellaakeri leveä sisäkehä
Tuotenumero:
GEEW60ES
Kopioitu!
|
60 mm
|
36
|
68 mm
|
80 mm
|
245
|
1,11 kg
|
1 mm
|
1 mm
|
60 mm
|
1220
|
90 mm
|
| ||
|
Nivellaakeri leveä sisäkehä
Tuotenumero:
GEEW63ES
Kopioitu!
|
63 mm
|
36
|
71,5 mm
|
83 mm
|
253
|
1,27 kg
|
1 mm
|
1 mm
|
63 mm
|
1260
|
95 mm
|
| ||
|
Nivellaakeri leveä sisäkehä
Tuotenumero:
GEEW70ES
Kopioitu!
|
70 mm
|
40
|
78 mm
|
92 mm
|
313
|
1,69 kg
|
1 mm
|
1 mm
|
70 mm
|
1560
|
105 mm
|
| ||
|
Nivellaakeri leveä sisäkehä
Tuotenumero:
GEEW80ES
Kopioitu!
|
80 mm
|
45
|
91 mm
|
105 mm
|
400
|
2,55 kg
|
1 mm
|
1 mm
|
80 mm
|
2000
|
120 mm
|
| ||
|
Nivellaakeri leveä sisäkehä
Tuotenumero:
GEEW90ES
Kopioitu!
|
90 mm
|
50
|
99 mm
|
115 mm
|
488
|
3,04 kg
|
1 mm
|
1 mm
|
90 mm
|
2440
|
130 mm
|
| ||
|
Nivellaakeri leveä sisäkehä
Tuotenumero:
GEEW100ES
Kopioitu!
|
100 mm
|
55
|
113 mm
|
130 mm
|
607
|
4,87 kg
|
1 mm
|
1 mm
|
100 mm
|
3030
|
150 mm
|
| ||
|
Nivellaakeri leveä sisäkehä
Tuotenumero:
GEEW125ES
Kopioitu!
|
125 mm
|
70
|
138 mm
|
160 mm
|
950
|
8,19 kg
|
1 mm
|
1 mm
|
125 mm
|
4750
|
180 mm
|
| ||
|
Nivellaakeri leveä sisäkehä
Tuotenumero:
GEEW160ES
Kopioitu!
|
160 mm
|
80
|
177 mm
|
200 mm
|
1360
|
15,8 kg
|
1 mm
|
1 mm
|
160 mm
|
6800
|
230 mm
|
| ||
|
Nivellaakeri leveä sisäkehä
Tuotenumero:
GEEW200ES
Kopioitu!
|
200 mm
|
100
|
221 mm
|
250 mm
|
2120
|
31,7 kg
|
1,1 mm
|
1,1 mm
|
200 mm
|
10600
|
290 mm
|
|
Valitse tuote listalta.
Mikko Railonvirta