LS
KÄYTTÖALUEET
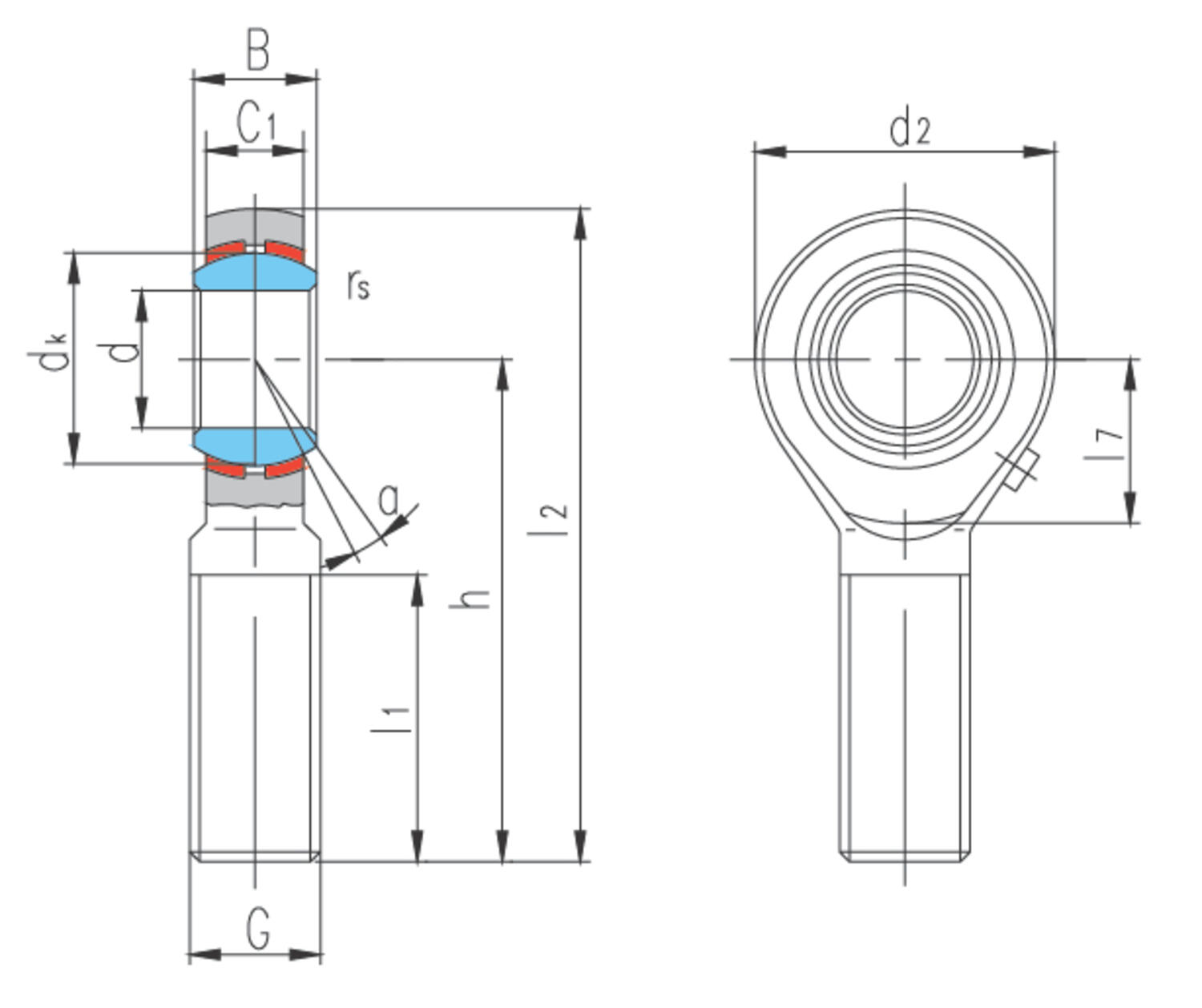
Nivelpäät ovat standardoituja laakereita, jotka sopivat erityisen hyvin käyttökohteisiin, joissa heilahdukset ja kallistukset tapahtuvat suhteellisen hitaasti. Koska laakerit ovat itsesäätyviä, säätöliike voi suuntautua mihin suuntaan tahansa. Ne soveltuvatkin käyttökohteisiin, joissa vaaditaan kääntökykyä. Sisärenkaan pallomainen kupera ulkokehä vastaa ulkorenkaan pallomaista mutta koveraa sisäkehää. Laakerityyppi kestää pyörivää ja vaihtelevaa kuormitusta sekä staattista kuormitusta.
Teräs/pronssi-liukupinta on käsitelty voiteluaineella asennuksen helpottamiseksi. Voitelun helpottamiseksi tuotteessa on uurrettu voiteluainetasku ja voitelureiät sisä- ja ulkorenkaassa.Voitelu muun muassa pienentää kitkaa ja pidentää laakerin käyttöikää.
Vasenkätinen = L
• Kuormitussuunta: radiaalinen/aksiaalinen Tämä on erittäin tärkeää käytettäessä nivelpäitä. Erityiset tapauskohtaiset laskelmat ovat tarpeen, jos nivelpäihin kohdistuu aksiaalikuormitusta.
• Kuormituksen tyyppi: staattinen, dynaaminen, vaihteleva, taajuus, ympäristö, epäpuhtaudet, kosteus, lämpötila, tilantarve, asennustapa.
ROHRflex DUO on Flexan kehittämä kaksiosainen, uudelleensuljettava suojaletku, joka tarjoaa erinomaisen ratkaisun kaapeleiden suojaamiseen erityisesti jälkiasennuksissa ja korjauksissa.
Tommi on konenäön tekninen tuki, joka tuntee laitteet läpikotaisin. Kun eteen tulee kinkkinen pulma, Tommi on se tyyppi, jolta löytyy ratkaisu!
Uudistettu laserteknologia, älykkäät komponenttiparannukset ja jopa 50 % parempi skannauskyky!
Tähän oppaaseen olemme koonneet keskeiset periaatteet vakuumitekniikasta ja vinkkejä oikeiden tuotteiden valintaan eri käyttökohteisiin.
Tarjoamme asiakkaillemme mittatilaustyönä valmistetut laadukkaat, kompaktit ja edulliset LED-profiilivalaisimet.
Valikoimamme askelmoottorit tarjoavat tarkan liikkeenhallinnan, kestävyyden ja energiatehokkuuden vaativiin teollisuuden ja automaation sovelluksiin.
|
|
|
|
|
|
||
|---|---|---|---|---|---|---|
|
|
|
|
|
|
||
|
|
|
|
|
|
||
|
|
|
|
|
|
||
|
|
|
|
|
|
||
|
|
|
|
|
|
||
|
|
|
|
|
|
| Suosikit | Tilausnumero: | a | B | C1 max | d2 | dk | Dynaaminen laakerin kestävyys DYN | I1 min | I2 | Paino | rs min. | Sisämitta d | Staattinen kantokyky DYN | Hinta | |
|---|---|---|---|---|---|---|---|---|---|---|---|---|---|---|---|
|
Nivelpää ulkokierre
Tuotenumero:
SABP05S
Kopioitu!
|
13 mm
|
8 mm
|
6 mm
|
16 mm
|
11,112 mm
|
3.3
|
20 mm
|
41 mm
|
0,016 kg
|
0,3 mm
|
5 mm
|
3.9
|
| ||
|
Nivelpää ulkokierre
Tuotenumero:
SABP06S
Kopioitu!
|
13 mm
|
9 mm
|
6,75 mm
|
18 mm
|
12,7 mm
|
4.3
|
22 mm
|
45 mm
|
0,026 kg
|
0,3 mm
|
6 mm
|
5.3
|
| ||
|
Nivelpää ulkokierre
Tuotenumero:
SABP08S
Kopioitu!
|
14 mm
|
12 mm
|
9 mm
|
22 mm
|
15,88 mm
|
6.8
|
25 mm
|
53 mm
|
0,044 kg
|
0,3 mm
|
8 mm
|
8.5
|
| ||
|
Nivelpää ulkokierre
Tuotenumero:
SABP10S
Kopioitu!
|
14 mm
|
14 mm
|
10,5 mm
|
26 mm
|
19,05 mm
|
10
|
29 mm
|
61 mm
|
0,072 kg
|
0,3 mm
|
10 mm
|
11
|
| ||
|
Nivelpää ulkokierre
Tuotenumero:
SABP12S
Kopioitu!
|
13 mm
|
16 mm
|
12 mm
|
30 mm
|
22,23 mm
|
13
|
33 mm
|
69 mm
|
0,108 kg
|
0,3 mm
|
12 mm
|
14
|
| ||
|
Nivelpää ulkokierre
Tuotenumero:
SABP14S
Kopioitu!
|
16 mm
|
19 mm
|
13,5 mm
|
34 mm
|
25,4 mm
|
17
|
36 mm
|
77 mm
|
0,161 kg
|
0,3 mm
|
14 mm
|
20
|
| ||
|
Nivelpää ulkokierre
Tuotenumero:
SABP16S
Kopioitu!
|
15 mm
|
21 mm
|
15 mm
|
38 mm
|
28,58 mm
|
21
|
40 mm
|
85 mm
|
0,225 kg
|
0,3 mm
|
16 mm
|
25
|
| ||
|
Nivelpää ulkokierre
Tuotenumero:
SABP18S
Kopioitu!
|
15 mm
|
23 mm
|
16,5 mm
|
42 mm
|
31,75 mm
|
26
|
44 mm
|
93 mm
|
0,295 kg
|
0,6 mm
|
118 mm
|
30
|
| ||
|
Nivelpää ulkokierre
Tuotenumero:
SABP20S
Kopioitu!
|
15 mm
|
25 mm
|
18 mm
|
46 mm
|
34,93 mm
|
31
|
47 mm
|
101 mm
|
0,382 kg
|
0,6 mm
|
20 mm
|
35
|
| ||
|
Nivelpää ulkokierre
Tuotenumero:
SABP22S
Kopioitu!
|
15 mm
|
28 mm
|
20 mm
|
50 mm
|
38,1 mm
|
38
|
51 mm
|
109 mm
|
0,488 kg
|
0,6 mm
|
22 mm
|
43
|
| ||
|
Nivelpää ulkokierre
Tuotenumero:
SABP25S
Kopioitu!
|
15 mm
|
31 mm
|
22 mm
|
60 mm
|
42,86 mm
|
47
|
57 mm
|
124 mm
|
0,749 kg
|
0,6 mm
|
25 mm
|
65
|
| ||
|
Nivelpää ulkokierre
Tuotenumero:
SABP28S
Kopioitu!
|
15 mm
|
35 mm
|
25 mm
|
66 mm
|
47,63 mm
|
59
|
62 mm
|
136 mm
|
0,949 kg
|
0,6 mm
|
28 mm
|
77
|
| ||
|
Nivelpää ulkokierre
Tuotenumero:
SABP30S
Kopioitu!
|
17 mm
|
37 mm
|
25 mm
|
70 mm
|
50,8 mm
|
63
|
66 mm
|
145 mm
|
1,13 kg
|
0,6 mm
|
30 mm
|
86
|
| ||
|
Nivelpää ulkokierre vasen
Tuotenumero:
SALBP06S
Kopioitu!
|
13 mm
|
9 mm
|
6,75 mm
|
18 mm
|
12,7 mm
|
4.3
|
22 mm
|
45 mm
|
0,026 kg
|
0,3 mm
|
6 mm
|
5.3
|
| ||
|
Nivelpää ulkokierre vasen
Tuotenumero:
SALBP08S
Kopioitu!
|
14 mm
|
12 mm
|
9 mm
|
22 mm
|
15,88 mm
|
6.8
|
25 mm
|
53 mm
|
0,044 kg
|
0,3 mm
|
8 mm
|
8.5
|
| ||
|
Nivelpää ulkokierre vasen
Tuotenumero:
SALBP10S
Kopioitu!
|
14 mm
|
14 mm
|
10,5 mm
|
26 mm
|
19,05 mm
|
10
|
29 mm
|
61 mm
|
0,072 kg
|
0,3 mm
|
10 mm
|
11
|
| ||
|
Nivelpää ulkokierre vasen
Tuotenumero:
SALBP12S
Kopioitu!
|
13 mm
|
16 mm
|
12 mm
|
30 mm
|
22,23 mm
|
13
|
33 mm
|
69 mm
|
0,108 kg
|
0,3 mm
|
12 mm
|
14
|
| ||
|
Nivelpää ulkokierre vasen
Tuotenumero:
SALBP14S
Kopioitu!
|
16 mm
|
19 mm
|
13,5 mm
|
34 mm
|
25,4 mm
|
17
|
36 mm
|
77 mm
|
0,161 kg
|
0,3 mm
|
14 mm
|
20
|
| ||
|
Nivelpää ulkokierre vasen
Tuotenumero:
SALBP16S
Kopioitu!
|
15 mm
|
21 mm
|
15 mm
|
38 mm
|
28,58 mm
|
21
|
40 mm
|
85 mm
|
0,225 kg
|
0,3 mm
|
16 mm
|
25
|
| ||
|
Nivelpää ulkokierre vasen
Tuotenumero:
SALBP18S
Kopioitu!
|
15 mm
|
23 mm
|
16,5 mm
|
42 mm
|
31,75 mm
|
26
|
44 mm
|
93 mm
|
0,295 kg
|
0,6 mm
|
18 mm
|
30
|
| ||
|
Nivelpää ulkokierre vasen
Tuotenumero:
SALBP20S
Kopioitu!
|
15 mm
|
25 mm
|
18 mm
|
46 mm
|
34,93 mm
|
31
|
47 mm
|
101 mm
|
0,382 kg
|
0,6 mm
|
20 mm
|
35
|
| ||
|
Nivelpää ulkokierre vasen
Tuotenumero:
SALBP22S
Kopioitu!
|
15 mm
|
28 mm
|
20 mm
|
50 mm
|
38,1 mm
|
38
|
51 mm
|
109 mm
|
0,488 kg
|
0,6 mm
|
22 mm
|
43
|
| ||
|
Nivelpää ulkokierre vasen
Tuotenumero:
SALBP25S
Kopioitu!
|
15 mm
|
31 mm
|
22 mm
|
60 mm
|
42,86 mm
|
47
|
57 mm
|
124 mm
|
0,749 kg
|
0,6 mm
|
25 mm
|
65
|
| ||
|
Nivelpää ulkokierre
Tuotenumero:
SALBP30S
Kopioitu!
|
17 mm
|
37 mm
|
25 mm
|
70 mm
|
50,8 mm
|
63
|
66 mm
|
145 mm
|
1,13 kg
|
0,6 mm
|
30 mm
|
86
|
|
Valitse tuote listalta.
Mikko Railonvirta