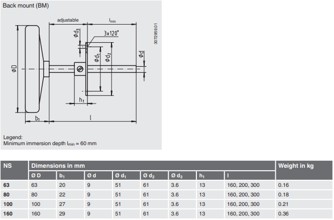
| Aineen kanssa kosketuksissa olevien osien materiaali | Kupariseos | 
|---|---|
| Asennussyvyys | 100 mm | 
| Halkaisija | 63 mm | 
| Liitännän sijainti | Takana | 
| Max. käyttölämpötila | 50 °C | 
| Min. käyttölämpötila | -30 °C | 
|---|---|
| Pistokkeen halkaisija | 9 mm | 
| Rungon materiaali | Alumiini | 
 
              Lämpötila tarkkailussa? Autamme sinua valitsemaan sopivan tuotteen lämpötilan seurantaan.
 
              
                  Olemme laajentaneet tuotevalikoimaamme ja aloittaneet yhteistyön NTF Aalborg A/S:n kanssa.  Lue lisää!
                
 
              Turun Eläinsuojeluyhdistys auttaa Turun sekä lähialueiden kodittomia lemmikkejä sekä luonnonvaraisia eläimiä.
 
              Teollisuusympäristöissä tapahtuvat räjähdykset voivat aiheuttaa vakavia vahinkoja sekä ihmisille että omaisuudelle. ATEX varmistaa, että sekä laitteet että työprosessit on suunniteltu minimoimaan nämä riskit ja luomaan turvallinen työympäristö.
 
              Yli 70 vuoden kokemuksellaan Akapp-Stemmann (Wabtec Netherlands) on yksi maailman tunnetuimmista virtakiskostojen valmistajista.
 
              OEM:n järjestää ensiapukoulutuksen kolmen vuoden välein ryhmälle työntekijöitä eri puolita organisaatiota.
|  |  |  |  |  | ||
|---|---|---|---|---|---|---|
|  |  |  |  |  | ||
|  |  |  |  |  | ||
|  |  |  |  |  | ||
|  |  |  |  |  | ||
|  |  |  |  |  | ||
|  |  |  |  |  | 
| Suosikit | Tilausnumero: | Asennussyvyys | Halkaisija | Max. käyttölämpötila | Min. käyttölämpötila | Hinta | |
|---|---|---|---|---|---|---|---|
|   
      
        Ø63 -30-50°C 100x9mm laippa Ø61mm
      
      
       
        Tuotenumero:
         
          
            A48-31122963
          
          Kopioitu!
         | 
            100 mm
            
            
           | 
            63 mm
            
            
           | 
            50 °C
            
            
           | 
            -30 °C
            
            
           |  | ||
|   
      
        Ø63 -30-50°C 160x9mm laippa Ø61mm
      
      
       
        Tuotenumero:
         
          
            A48-14343632
          
          Kopioitu!
         | 
            160 mm
            
            
           | 
            63 mm
            
            
           | 
            50 °C
            
            
           | 
            -30 °C
            
            
           |  | ||
|   
      
        Ø63 -30-50°C 200x9mm laippa Ø61mm
      
      
       
        Tuotenumero:
         
          
            A48-14115404
          
          Kopioitu!
         | 
            200 mm
            
            
           | 
            63 mm
            
            
           | 
            50 °C
            
            
           | 
            -30 °C
            
            
           |  | ||
|   
      
        Ø63 -30-50°C 300x9mm laippa Ø61mm
      
      
       
        Tuotenumero:
         
          
            A48-14343630
          
          Kopioitu!
         | 
            300 mm
            
            
           | 
            63 mm
            
            
           | 
            50 °C
            
            
           | 
            -30 °C
            
            
           |  | ||
|   
      
        Ø63 0-60°C 200x9mm laippa Ø61mm
      
      
       
        Tuotenumero:
         
          
            A48-14000445
          
          Kopioitu!
         | 
            200 mm
            
            
           | 
            63 mm
            
            
           | 
            60 °C
            
            
           | 
            0 °C
            
            
           |  | ||
|   
      
        Ø63 0-60°C 300x9mm laippa Ø61mm
      
      
       
        Tuotenumero:
         
          
            A48-14343629
          
          Kopioitu!
         | 
            300 mm
            
            
           | 
            63 mm
            
            
           | 
            60 °C
            
            
           | 
            0 °C
            
            
           |  | ||
|   
      
        Ø63 0-60°C 100x9mm laippa Ø61mm
      
      
       
        Tuotenumero:
         
          
            A48-13020714
          
          Kopioitu!
         | 
            100 mm
            
            
           | 
            63 mm
            
            
           | 
            60 °C
            
            
           | 
            0 °C
            
            
           |  | ||
|   
      
        Ø63 0-60°C 160x9mm laippa Ø61mm
      
      
       
        Tuotenumero:
         
          
            A48-30203414
          
          Kopioitu!
         | 
            160 mm
            
            
           | 
            63 mm
            
            
           | 
            60 °C
            
            
           | 
            0 °C
            
            
           |  | ||
|   
      
        Ø63 0-80°C 160x9mm laippa Ø61mm
      
      
       
        Tuotenumero:
         
          
            A48-3903214
          
          Kopioitu!
         | 
            160 mm
            
            
           | 
            63 mm
            
            
           | 
            80 °C
            
            
           | 
            0 °C
            
            
           |  | ||
|   
      
        Ø63 0-80°C 100x9mm laippa Ø61mm
      
      
       
        Tuotenumero:
         
          
            A48-13461398
          
          Kopioitu!
         | 
            100 mm
            
            
           | 
            63 mm
            
            
           | 
            80 °C
            
            
           | 
            0 °C
            
            
           |  | ||
|   
      
        Ø63 0-80°C 200x9mm laippa Ø61mm
      
      
       
        Tuotenumero:
         
          
            A48-12015903
          
          Kopioitu!
         | 
            200 mm
            
            
           | 
            63 mm
            
            
           | 
            80 °C
            
            
           | 
            0 °C
            
            
           |  | ||
|   
      
        Ø63 0-80°C 300x9mm laippa Ø61mm
      
      
       
        Tuotenumero:
         
          
            A48-12405281
          
          Kopioitu!
         | 
            300 mm
            
            
           | 
            63 mm
            
            
           | 
            80 °C
            
            
           | 
            0 °C
            
            
           |  | ||
|   
      
        Ø63 0-120°C 300x9mm laippa Ø61mm
      
      
       
        Tuotenumero:
         
          
            A48-12447740
          
          Kopioitu!
         | 
            300 mm
            
            
           | 
            63 mm
            
            
           | 
            120 °C
            
            
           | 
            0 °C
            
            
           |  | ||
|   
      
        Ø63 0-120°C 160x9mm laippa Ø61mm
      
      
       
        Tuotenumero:
         
          
            A48-3903222
          
          Kopioitu!
         | 
            160 mm
            
            
           | 
            63 mm
            
            
           | 
            120 °C
            
            
           | 
            0 °C
            
            
           |  | ||
|   
      
        Ø63 0-120°C 200x9mm laippa Ø61mm
      
      
       
        Tuotenumero:
         
          
            A48-13473728
          
          Kopioitu!
         | 
            200 mm
            
            
           | 
            63 mm
            
            
           | 
            120 °C
            
            
           | 
            0 °C
            
            
           |  | ||
|   
      
        Ø63 0-120°C 100x9mm laippa Ø61mm
      
      
       
        Tuotenumero:
         
          
            A48-14029824
          
          Kopioitu!
         | 
            100 mm
            
            
           | 
            63 mm
            
            
           | 
            120 °C
            
            
           | 
            0 °C
            
            
           |  | ||
|   
      
        Ø80 -30-50°C 100x9mm laippa Ø61mm
      
      
       
        Tuotenumero:
         
          
            A48-35127449
          
          Kopioitu!
         | 
            100 mm
            
            
           | 
            80 mm
            
            
           | 
            50 °C
            
            
           | 
            -30 °C
            
            
           |  | ||
|   
      
        Ø80 -30-50°C 160x9mm laippa Ø61mm
      
      
       
        Tuotenumero:
         
          
            A48-14343656
          
          Kopioitu!
         | 
            160 mm
            
            
           | 
            80 mm
            
            
           | 
            50 °C
            
            
           | 
            -30 °C
            
            
           |  | ||
|   
      
        Ø80 0-60°C 300x9mm laippa Ø61mm
      
      
       
        Tuotenumero:
         
          
            A48-14343652
          
          Kopioitu!
         | 
            300 mm
            
            
           | 
            80 mm
            
            
           | 
            60 °C
            
            
           | 
            0 °C
            
            
           |  | ||
|   
      
        Ø80 -30-50°C 200x9mm laippa Ø61mm
      
      
       
        Tuotenumero:
         
          
            A48-36544543
          
          Kopioitu!
         | 
            200 mm
            
            
           | 
            80 mm
            
            
           | 
            50 °C
            
            
           | 
            -30 °C
            
            
           |  | ||
|   
      
        Ø80 -30-50°C 300x9mm laippa Ø61mm
      
      
       
        Tuotenumero:
         
          
            A48-14343654
          
          Kopioitu!
         | 
            300 mm
            
            
           | 
            80 mm
            
            
           | 
            50 °C
            
            
           | 
            -30 °C
            
            
           |  | ||
|   
      
        Ø80 0-60°C 200x9mm laippa Ø61mm
      
      
       
        Tuotenumero:
         
          
            A48-14113091
          
          Kopioitu!
         | 
            200 mm
            
            
           | 
            80 mm
            
            
           | 
            60 °C
            
            
           | 
            0 °C
            
            
           |  | ||
|   
      
        Ø80 0-60°C 160x9mm laippa Ø61mm
      
      
       
        Tuotenumero:
         
          
            A48-13311468
          
          Kopioitu!
         | 
            160 mm
            
            
           | 
            80 mm
            
            
           | 
            60 °C
            
            
           | 
            0 °C
            
            
           |  | ||
|   
      
        Ø80 0-80°C 100x9mm laippa Ø61mm
      
      
       
        Tuotenumero:
         
          
            A48-13136870
          
          Kopioitu!
         | 
            100 mm
            
            
           | 
            80 mm
            
            
           | 
            80 °C
            
            
           | 
            0 °C
            
            
           |  | ||
|   
      
        Ø80 0-60°C 100x9mm laippa Ø61mm
      
      
       
        Tuotenumero:
         
          
            A48-13214772
          
          Kopioitu!
         | 
            100 mm
            
            
           | 
            80 mm
            
            
           | 
            60 °C
            
            
           | 
            0 °C
            
            
           |  | ||
|   
      
        Ø80 0-80°C 200x9mm laippa Ø61mm
      
      
       
        Tuotenumero:
         
          
            A48-3509354
          
          Kopioitu!
         | 
            200 mm
            
            
           | 
            80 mm
            
            
           | 
            80 °C
            
            
           | 
            0 °C
            
            
           |  | ||
|   
      
        Ø80 0-80°C 160x9mm laippa Ø61mm
      
      
       
        Tuotenumero:
         
          
            A48-3903249
          
          Kopioitu!
         | 
            160 mm
            
            
           | 
            80 mm
            
            
           | 
            80 °C
            
            
           | 
            0 °C
            
            
           |  | ||
|   
      
        Ø80 0-80°C 300x9mm laippa Ø61mm
      
      
       
        Tuotenumero:
         
          
            A48-14343647
          
          Kopioitu!
         | 
            300 mm
            
            
           | 
            80 mm
            
            
           | 
            80 °C
            
            
           | 
            0 °C
            
            
           |  | ||
|   
      
        Ø80 0-120°C 300x9mm laippa Ø61mm
      
      
       
        Tuotenumero:
         
          
            A48-14020459
          
          Kopioitu!
         | 
            300 mm
            
            
           | 
            80 mm
            
            
           | 
            120 °C
            
            
           | 
            0 °C
            
            
           |  | ||
|   
      
        Ø80 0-120°C 100x9mm laippa Ø61mm
      
      
       
        Tuotenumero:
         
          
            A48-12794296
          
          Kopioitu!
         | 
            100 mm
            
            
           | 
            80 mm
            
            
           | 
            120 °C
            
            
           | 
            0 °C
            
            
           |  | ||
|   
      
        Ø80 0-120°C 200x9mm laippa Ø61mm
      
      
       
        Tuotenumero:
         
          
            A48-12131075
          
          Kopioitu!
         | 
            200 mm
            
            
           | 
            80 mm
            
            
           | 
            120 °C
            
            
           | 
            0 °C
            
            
           |  | ||
|   
      
        Ø80 0-120°C 160x9mm laippa Ø61mm
      
      
       
        Tuotenumero:
         
          
            A48-14009708
          
          Kopioitu!
         | 
            160 mm
            
            
           | 
            80 mm
            
            
           | 
            120 °C
            
            
           | 
            0 °C
            
            
           |  | ||
|   
      
        Ø100 -30-50°C 100x9mm laippa Ø61mm
      
      
       
        Tuotenumero:
         
          
            A48-14343659
          
          Kopioitu!
         | 
            100 mm
            
            
           | 
            100 mm
            
            
           | 
            50 °C
            
            
           | 
            -30 °C
            
            
           |  | ||
|   
      
        Ø100 -30-50°C 300x9mm laippa Ø61mm
      
      
       
        Tuotenumero:
         
          
            A48-14343662
          
          Kopioitu!
         | 
            300 mm
            
            
           | 
            100 mm
            
            
           | 
            50 °C
            
            
           | 
            -30 °C
            
            
           |  | ||
|   
      
        Ø100 0-60°C 300x9mm laippa Ø61mm
      
      
       
        Tuotenumero:
         
          
            A48-12901629
          
          Kopioitu!
         | 
            300 mm
            
            
           | 
            100 mm
            
            
           | 
            60 °C
            
            
           | 
            0 °C
            
            
           |  | ||
|   
      
        Ø100 -30-50°C 200x9mm laippa Ø61mm
      
      
       
        Tuotenumero:
         
          
            A48-14343661
          
          Kopioitu!
         | 
            200 mm
            
            
           | 
            100 mm
            
            
           | 
            50 °C
            
            
           | 
            -30 °C
            
            
           |  | ||
|   
      
        Ø100 -30-50°C 160x9mm laippa Ø61mm
      
      
       
        Tuotenumero:
         
          
            A48-47426836
          
          Kopioitu!
         | 
            160 mm
            
            
           | 
            100 mm
            
            
           | 
            50 °C
            
            
           | 
            -30 °C
            
            
           |  | ||
|   
      
        Ø100 0-60°C 160x9mm laippa Ø61mm
      
      
       
        Tuotenumero:
         
          
            A48-12003051
          
          Kopioitu!
         | 
            160 mm
            
            
           | 
            100 mm
            
            
           | 
            60 °C
            
            
           | 
            0 °C
            
            
           |  | ||
|   
      
        Ø100 0-60°C 200x9mm laippa Ø61mm
      
      
       
        Tuotenumero:
         
          
            A48-3821021
          
          Kopioitu!
         | 
            200 mm
            
            
           | 
            100 mm
            
            
           | 
            60 °C
            
            
           | 
            0 °C
            
            
           |  | ||
|   
      
        Ø100 0-120°C 200x9mm laippa Ø61mm
      
      
       
        Tuotenumero:
         
          
            A48-3509966
          
          Kopioitu!
         | 
            200 mm
            
            
           | 
            100 mm
            
            
           | 
            120 °C
            
            
           | 
            0 °C
            
            
           |  | ||
|   
      
        Ø100 0-120°C 100x9mm laippa Ø61mm
      
      
       
        Tuotenumero:
         
          
            A48-13318447
          
          Kopioitu!
         | 
            100 mm
            
            
           | 
            100 mm
            
            
           | 
            120 °C
            
            
           | 
            0 °C
            
            
           |  | ||
|   
      
        Ø100 0-60°C 100x9mm laippa Ø61mm
      
      
       
        Tuotenumero:
         
          
            A48-13024361
          
          Kopioitu!
         | 
            100 mm
            
            
           | 
            100 mm
            
            
           | 
            60 °C
            
            
           | 
            0 °C
            
            
           |  | ||
|   
      
        Ø100 0-120°C 160x9mm laippa Ø61mm
      
      
       
        Tuotenumero:
         
          
            A48-3903281
          
          Kopioitu!
         | 
            160 mm
            
            
           | 
            100 mm
            
            
           | 
            120 °C
            
            
           | 
            0 °C
            
            
           |  | ||
|   
      
        Ø100 0-120°C 300x9mm laippa Ø61mm
      
      
       
        Tuotenumero:
         
          
            A48-13084101
          
          Kopioitu!
         | 
            300 mm
            
            
           | 
            100 mm
            
            
           | 
            120 °C
            
            
           | 
            0 °C
            
            
           |  | 
Valitse tuote listalta.
 
            
        Niko Mäkelä