| Aineen kanssa kosketuksissa olevien osien materiaali | Ruostumaton teräs | 
|---|---|
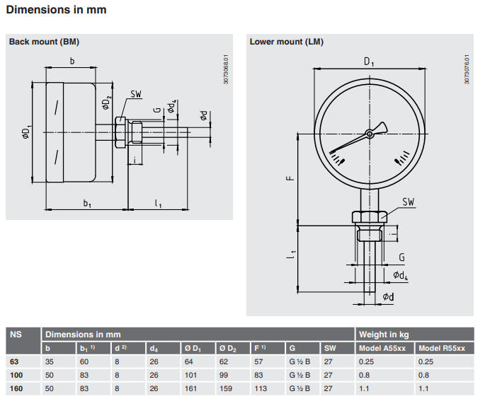
| Asennussyvyys | 140 mm | 
| Halkaisija | 100 mm | 
| Koneiston materiaali | Alumiini | 
| Liitännän sijainti | Alhaalla | 
| Max. lämpötilaplugi | 120 °C | 
| Max. termostaatin käyttölämpötila | 70 °C | 
|---|---|
| Min. lämpötilaplugi | 0 °C | 
| Min. termostaatin käyttölämpötila | -40 °C | 
| Pistokkeen halkaisija | 8 mm | 
| Rungon materiaali | Ruostumaton teräs 1.4301 | 
 
              Lämpötila tarkkailussa? Autamme sinua valitsemaan sopivan tuotteen lämpötilan seurantaan.
 
              
                  Olemme laajentaneet tuotevalikoimaamme ja aloittaneet yhteistyön NTF Aalborg A/S:n kanssa.  Lue lisää!
                
 
              Turun Eläinsuojeluyhdistys auttaa Turun sekä lähialueiden kodittomia lemmikkejä sekä luonnonvaraisia eläimiä.
 
              Teollisuusympäristöissä tapahtuvat räjähdykset voivat aiheuttaa vakavia vahinkoja sekä ihmisille että omaisuudelle. ATEX varmistaa, että sekä laitteet että työprosessit on suunniteltu minimoimaan nämä riskit ja luomaan turvallinen työympäristö.
 
              Yli 70 vuoden kokemuksellaan Akapp-Stemmann (Wabtec Netherlands) on yksi maailman tunnetuimmista virtakiskostojen valmistajista.
 
              OEM:n järjestää ensiapukoulutuksen kolmen vuoden välein ryhmälle työntekijöitä eri puolita organisaatiota.
|  |  |  |  |  | ||
|---|---|---|---|---|---|---|
|  |  |  |  |  | ||
|  |  |  |  |  | ||
|  |  |  |  |  | ||
|  |  |  |  |  | ||
|  |  |  |  |  | ||
|  |  |  |  |  | 
| Suosikit | Tilausnumero: | Asennussyvyys | Max. lämpötilaplugi | Hinta | |
|---|---|---|---|---|---|
|   
      
        R5502/1, NS100, 0...120°C, L1=140x8mm
      
      
       
        Tuotenumero:
         
          
            R55-3908259
          
          Kopioitu!
         | 
            140 mm
            
            
           | 
            120 °C
            
            
           |  | ||
|   
      
        R5502/1, NS100, 0...120°C, L1=200x8mm
      
      
       
        Tuotenumero:
         
          
            R55-3908267
          
          Kopioitu!
         | 
            200 mm
            
            
           | 
            120 °C
            
            
           |  | ||
|   
      
        R5502/1, NS100, 0...120°C, L1=240x8mm
      
      
       
        Tuotenumero:
         
          
            R55-3908275
          
          Kopioitu!
         | 
            240 mm
            
            
           | 
            120 °C
            
            
           |  | ||
|   
      
        R5502/1, NS100, 0...120°C, L1=290x8mm
      
      
       
        Tuotenumero:
         
          
            R55-3908283
          
          Kopioitu!
         | 
            290 mm
            
            
           | 
            120 °C
            
            
           |  | ||
|   
      
        R5502/1, NS100, 0...250°C, L1=140x8mm
      
      
       
        Tuotenumero:
         
          
            R55-3908291
          
          Kopioitu!
         | 
            140 mm
            
            
           | 
            250 °C
            
            
           |  | ||
|   
      
        R5502/1, NS100, 0...250°C, L1=200x8mm
      
      
       
        Tuotenumero:
         
          
            R55-3908305
          
          Kopioitu!
         | 
            200 mm
            
            
           | 
            250 °C
            
            
           |  | ||
|   
      
        R5502/1, NS100, 0...250°C, L1=240x8mm
      
      
       
        Tuotenumero:
         
          
            R55-3908313
          
          Kopioitu!
         | 
            240 mm
            
            
           | 
            250 °C
            
            
           |  | ||
|   
      
        R5502/1, NS100, 0...250°C, L1=290x8mm
      
      
       
        Tuotenumero:
         
          
            R55-3908321
          
          Kopioitu!
         | 
            290 mm
            
            
           | 
            250 °C
            
            
           |  | ||
|   
      
        R5502/1, NS100, 0...500°C, L1=140x8mm
      
      
       
        Tuotenumero:
         
          
            R55-14283843
          
          Kopioitu!
         | 
            140 mm
            
            
           | 
            500 °C
            
            
           |  | ||
|   
      
        R5502/1, NS100, 0...500°C, L1=200x8mm
      
      
       
        Tuotenumero:
         
          
            R55-3908348
          
          Kopioitu!
         | 
            200 mm
            
            
           | 
            500 °C
            
            
           |  | ||
|   
      
        R5502/1, NS100, 0...500°C, L1=240x8mm
      
      
       
        Tuotenumero:
         
          
            R55-14283845
          
          Kopioitu!
         | 
            240 mm
            
            
           | 
            500 °C
            
            
           |  | ||
|   
      
        R5502/1, NS100, 0...500°C, L1=290x8mm
      
      
       
        Tuotenumero:
         
          
            R55-14283847
          
          Kopioitu!
         | 
            290 mm
            
            
           | 
            500 °C
            
            
           |  | ||
|   
      
        S5550/1, NS100, 0...100°C, L1=140x8mm
      
      
       
        Tuotenumero:
         
          
            S55-14153871
          
          Kopioitu!
         | 
            140 mm
            
            
           | 
            100 °C
            
            
           |  | ||
|   
      
        S5550/1, NS100, 0...120°C, L1=140x8mm
      
      
       
        Tuotenumero:
         
          
            S55-3908372
          
          Kopioitu!
         | 
            140 mm
            
            
           | 
            120 °C
            
            
           |  | ||
|   
      
        S5550/1, NS100, 0...100°C, L1=200x8mm
      
      
       
        Tuotenumero:
         
          
            S55-14153872
          
          Kopioitu!
         | 
            200 mm
            
            
           | 
            100 °C
            
            
           |  | ||
|   
      
        S5550/1, NS100, 0...120°C, L1=200x8mm
      
      
       
        Tuotenumero:
         
          
            S55-3908380
          
          Kopioitu!
         | 
            200 mm
            
            
           | 
            120 °C
            
            
           |  | 
Valitse tuote listalta.
 
            
        Rami Raekangas