WIKA

Sapphire-termoelementti

TC84

Kaasun eristävä Sapphire-termoelementti on suunniteltu erityisesti kaasureaktoreihin.
  • 3 kertaa pidempi käyttöikä normaaleihin keraamisiin antureihin nähden.
  • Mittausalue aina 1700°C asti
  • S, R tai B Tyyppi
  • Asennus aina 1200mm asti
  • Turvallisuuden lisääminen kaksinkertaisen tiivistysjärjestelmän avulla

Valitse tuote

Sapphire-termoelementti

Sapphire-termoelementti

Tuotenumero:

Valitse tuote

Tekniset tiedot

Aineen kanssa kosketuksissa olevien osien materiaali Keraaminen, Safiiri
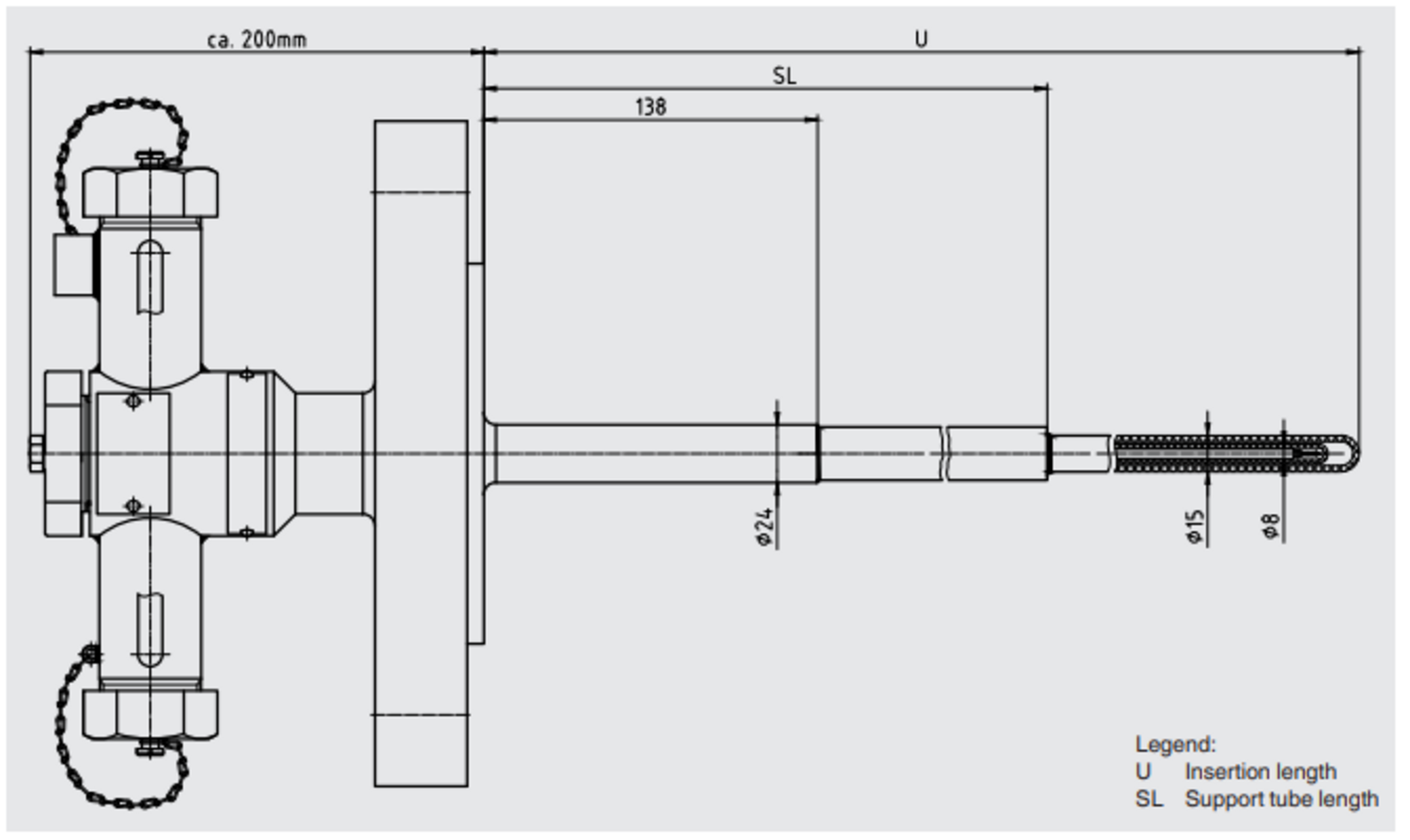
Asennussyvyys 1200 mm
Hyväksynnät ATEX, IECEx
Materiaali Ruostumaton teräs
Max. käyttölämpötila 1700 °C
Max. painealue 65 bar
Pistokkeen halkaisija 15 mm

Mitat ja kytkennät

Tuotekuvaus

Monokide rakenne suojaa termoelementin metallin ulkoiselta myrkylliseltä ja agressiiviselta aineelta kaasureaktorissa. 

Tätä patentoitua ratkaisua on käytetty menestyksellisesti vuodesta 1997 T-FZV termoelementissä. Paineenkestävä hermeettisesti eristetty liitos sapphire-anturin ja metallisuojaputken välillä sekä lisäksi moninkertainen tiivistys kytkentärasiassa estävät myrkyllisten kaasujen karkaamisen reaktorista.

Tarvikkeet



Äänitiedostot

Lisää luettavaa

Vihreä vetytalous on seuraava suomalainen menestystarina
Asiakascase

Onko vihreä vety seuraava suomalainen menestystarina?

Onko vihreä vety seuraava suomalainen menestystarina? Ota OEM mukaan matkallesi!

Sähkölaitoksen modernisointi WIKA-säätimillä Ubitecille
Asiakascase

Sähkölaitoksen modernisointi

Ubitec aloitti syksyllä 2021 projektin yhdessä Naistenlahden sähkölaitoksen kanssa, jossa sähkölaitokseen rakennettiin uusi kattilalaitos Naistenlahti 3 korvasi yli 40 vuotta vanhan Naistenlahti 2 -voimalaitosyksikön. Myös OEM oli tiiviisti mukana projektissa, joka vaati syvää tietämystä tuotteista.

Lämpötilanhallinta ja lämpötilanvalvonta
Tuoteuutiset

Täydellistä lämpötilan hallintaa

Lämpötila tarkkailussa? Autamme sinua valitsemaan sopivan tuotteen lämpötilan seurantaan.

igus readychain on nopea ja luotettava energiansiirtoratkaisu teollisuuteen
Tuoteuutiset

igus readychain – Nopea ja luotettava energiansiirtoratkaisu teollisuuteen

Teollisuuden automaatio ja koneenrakennus vaativat nopeutta, luotettavuutta ja kustannustehokkuutta. igus readychain on heti käyttövalmis energiansiirtojärjestelmä näihin tarpeisiin.

igus kaapelin vaippamateriaali
Tuki

Kaapelien vaippamateriaalit

Suojauksen lisäksi kaapeli on päällystetty ulkovaipalla, jonka tehtävänä on suojata kaapelin sisäosia. Eri vaippamateriaalit suojaavat esimerkiksi mekaaniselta rasitukselta, lämpötilavaihteluilta ja kemiallisilta aineilta.

Uudet F-kaasuvaatimukset jäähdytyslaitteille
Tuki

F-kaasuasetus (EU) 2024/573 – Uudet vaatimukset jäähdytyslaitteille

Uusi F-kaasuasetus (EU) 2024/573 muuttaa jäähdytys- ja ilmastointijärjestelmien edellytyksiä teollisissa sovelluksissa. Tiukennetut vaatimukset fluoratuille kasvihuonekaasuille tarkoittavat, että monet nykyiset ratkaisut poistetaan asteittain käytöstä – samalla kun väärän teknologian valinta voi tulla kalliiksi tulevaisuudessa.

Teknisiä neuvoja

Niko Mäkelä

Tekninen myynti

Asiakaspalvelu
Asiakaspalvelumme vastaa kysymyksiin ja etsii ratkaisut ongelmiin. Heille voit jättää myös tilauksesi.
FAQ
+ Miten tullaan asiakkaaksenne?
+ Olen sopinut puskurivarastosta, voinko tilata verkkokaupan kautta?
+ Voiko samalla tilillä olla useita käyttäjiä?
+ Voiko samassa tilauksessa olla useampia toimituspäiviä?
+ Voiko tilauksen toimittaa väliaikaiseen toimitusosoitteeseen?
Chatti
Tarvitsetko apua?
Logo

Evästeet oem.fi sivustolla

Evästeiden avulla voimme palvella sinua paremmin ja varmistamme sivuston sujuvan toiminnan. Voit hallinnoida evästeasetuksia koska tahansa.

Toiminnalliset evästeet

Nämä evästeet ovat välttämättömiä verkkosivuston toimimiseksi, eikä niitä voi poistaa käytöstä järjestelmissämme. Niitä käytetään yleensä vain vastauksena toimiin, jotka olet tehnyt palvelupyynnön yhteydessä, esimerkiksi henkilökohtaisten asetusten määrittämisen, kirjautumisen tai lomakkeen täyttämisen yhteydessä.

Tilastolliset evästeet

Tilastollisten evästeiden avulla seuraamme verkkosivustomme kävijöiden toimintaa ja teemme analyyseja, joiden avulla voimme optimoida verkkosivustoamme. Tämä tarkoittaa, että voimme kehittää sivustoamme toimivammaksi ja palvelemaan kävijöitä paremmin. Jos et hyväksy näitä evästeitä, emme tiedä, milloin olet käynyt sivustollamme. Voit kuitenkin käyttää sivustoamme normaalisti.

Markkinointievästeet

Markkinointievästeiden avulla voimme kohdentaa sinulle mainoksia eri verkkosivustoilla tai sisältöä sosiaalisessa mediassa. Näitä evästeitä asettavat kolmannen osapuolen mainonta- ja kohdistustyökalut. Evästeiden kautta nämä toimijat voivat muodostaa profiilin kiinnostuksesi kohteista. Jos et hyväksy näitä evästeitä, et näe kohdennettua markkinointia etkä mahdollisesti voi käyttää sosiaalisen median jakotyökaluja.