WIKA

Taipuisa monipisteinen lämpötilamittari FLEX-O

TC96-O

Lämpötilan monipistemittausta käytetään usein mittaamaan reaktorin lämpötilaprofiilia tai säiliön lämpötilaa tai kuumien pisteiden "hotspot" löytämiseksi.  
  • Jopa 10 mittauspistettä
  • Erittäin joustava asennus
  • Helppo puhdistaa
  • Pituus aina 40m asti
  • Saatavana vastusanturina

Valitse tuote

Taipuisa monipisteinen lämpötilamittari FLEX-O

Joustava putkiston lämpötilan monipistemittaus

Tuotenumero:

Valitse tuote

Tekniset tiedot

Aineen kanssa kosketuksissa olevien osien materiaali Alloy, Hiiliteräs
Materiaali Ruostumaton teräs 316L, Ruostumaton teräs 316Ti

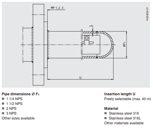
Mitat ja kytkennät

Tuotekuvaus

Jotta saavutetaan nopea vasteaika,  on mittauselementti painettu jousivoimalla kiinni suojakuoren pintaan, jolloin mittapää ja suojakuori muodostaa yhden kokonaisuuden.

Liittimet ja lämpötilalähettimet asennetaan kytkentäkoteloon, joka on liitettynä monipistemittaukseen tai ne voidaan asentaa erillisenä keskuskoteloon.

Tarvikkeet



Äänitiedostot

Lisää luettavaa

Teknisiä neuvoja

Niko Mäkelä

Tekninen myynti

Asiakaspalvelu
Asiakaspalvelumme vastaa kysymyksiin ja etsii ratkaisut ongelmiin. Heille voit jättää myös tilauksesi.
FAQ
+ Miten tullaan asiakkaaksenne?
+ Olen sopinut puskurivarastosta, voinko tilata verkkokaupan kautta?
+ Voiko samalla tilillä olla useita käyttäjiä?
+ Voiko samassa tilauksessa olla useampia toimituspäiviä?
+ Voiko tilauksen toimittaa väliaikaiseen toimitusosoitteeseen?
Chatti
Tarvitsetko apua?
Logo

Evästeet oem.fi sivustolla

Evästeiden avulla voimme palvella sinua paremmin ja varmistamme sivuston sujuvan toiminnan. Voit hallinnoida evästeasetuksia koska tahansa.

Toiminnalliset evästeet

Nämä evästeet ovat välttämättömiä verkkosivuston toimimiseksi, eikä niitä voi poistaa käytöstä järjestelmissämme. Niitä käytetään yleensä vain vastauksena toimiin, jotka olet tehnyt palvelupyynnön yhteydessä, esimerkiksi henkilökohtaisten asetusten määrittämisen, kirjautumisen tai lomakkeen täyttämisen yhteydessä.

Tilastolliset evästeet

Tilastollisten evästeiden avulla seuraamme verkkosivustomme kävijöiden toimintaa ja teemme analyyseja, joiden avulla voimme optimoida verkkosivustoamme. Tämä tarkoittaa, että voimme kehittää sivustoamme toimivammaksi ja palvelemaan kävijöitä paremmin. Jos et hyväksy näitä evästeitä, emme tiedä, milloin olet käynyt sivustollamme. Voit kuitenkin käyttää sivustoamme normaalisti.

Markkinointievästeet

Markkinointievästeiden avulla voimme kohdentaa sinulle mainoksia eri verkkosivustoilla tai sisältöä sosiaalisessa mediassa. Näitä evästeitä asettavat kolmannen osapuolen mainonta- ja kohdistustyökalut. Evästeiden kautta nämä toimijat voivat muodostaa profiilin kiinnostuksesi kohteista. Jos et hyväksy näitä evästeitä, et näe kohdennettua markkinointia etkä mahdollisesti voi käyttää sosiaalisen median jakotyökaluja.