TESCOM

44-1300-sarjan paineensäädin

Korkeaan paineeseen

Korkean paineen, korkean virtauksen, jousi sekä kupu kuormitteinen, mäntätoiminen
  • Max. sisääntulopaine: 414 bar
  • Max. ulostulopaine: 172 bar
  • Lämpötila alue: -26 - 104°C
  • CV: 0.8, 2.0
  • Vuototestaus: Kuplatiivis

Valitse tuote

44-1300-sarjan paineensäädin

44-1300-sarja

Tuotenumero:

Valitse tuote

Tekniset tiedot

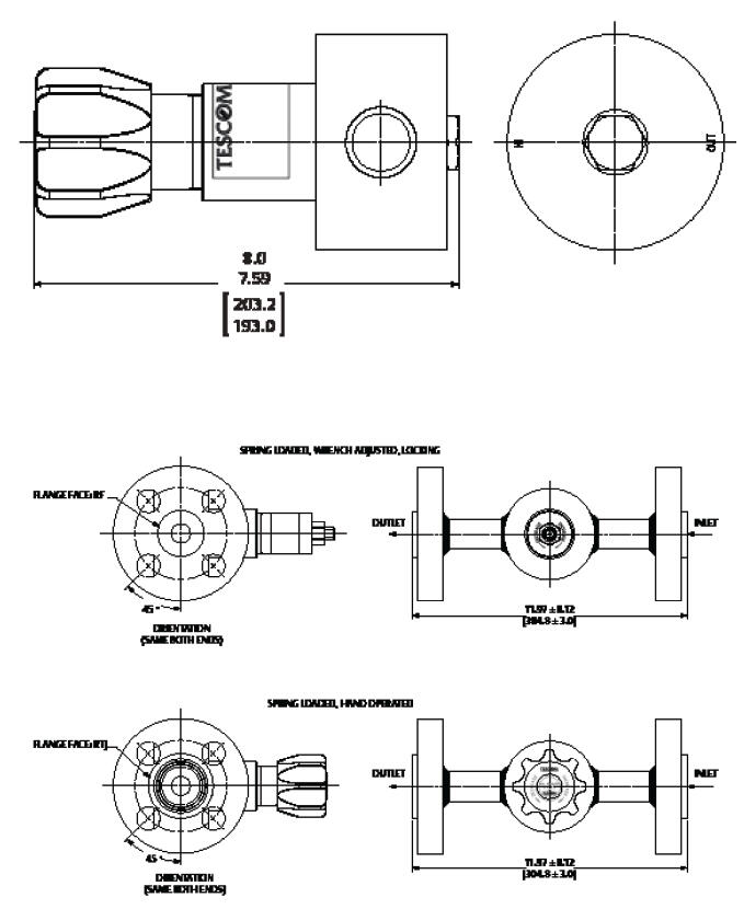
Mitat ja kytkennät

Tekniset kuvat

Tuotekuvaus

TESCOM 44-1300 -sarja on korkeapaineinen, suuren virtauksen paineenalennussäädin, joka tarjoaa ventiloivan ja tasapainotetun venttiilimuotoilun. 44-1300 -sarja tarjoaa Cv-arvot 0,8 ja 2,0. Saatavilla on kupu- ja ilmakuormitteiset vaihtoehdot.

Tyypillisiä käyttökohteita ovat kaupallinen sukellus - hengitysilma, erityiset kaasuseokset kovapukusukelluksessa ja korkeapaineputkikärryjen kaasunsäätö.

Säätimen edut ja ominaisuudet: Suuri mäntäsensori takaa erinomaisen herkkyyden. Tasapainotettu venttiilimuotoilu varmistaa vakaan alavirtapainteen. Suuri käsinuppi mahdollistaa nopean ja matalalla vääntömomentilla tehtävän paineen säädön. Ventilointi on vakiovaruste. Saatavilla mittariliitännöillä. Kupukuormitteiset ja ilmakuormitteiset mallit saatavilla (vain ei-ventiloivina). Laippa-liitännät saatavilla.

Tarvikkeet



Äänitiedostot

Lisää luettavaa

Teknisiä neuvoja

Heikki Kekäläinen

Tuotealuepäällikkö

Asiakaspalvelu
Asiakaspalvelumme vastaa kysymyksiin ja etsii ratkaisut ongelmiin. Heille voit jättää myös tilauksesi.
FAQ
+ Miten tullaan asiakkaaksenne?
+ Olen sopinut puskurivarastosta, voinko tilata verkkokaupan kautta?
+ Voiko samalla tilillä olla useita käyttäjiä?
+ Voiko samassa tilauksessa olla useampia toimituspäiviä?
+ Voiko tilauksen toimittaa väliaikaiseen toimitusosoitteeseen?
Chatti
Tarvitsetko apua?
Logo

Evästeet oem.fi sivustolla

Evästeiden avulla voimme palvella sinua paremmin ja varmistamme sivuston sujuvan toiminnan. Voit hallinnoida evästeasetuksia koska tahansa.

Toiminnalliset evästeet

Nämä evästeet ovat välttämättömiä verkkosivuston toimimiseksi, eikä niitä voi poistaa käytöstä järjestelmissämme. Niitä käytetään yleensä vain vastauksena toimiin, jotka olet tehnyt palvelupyynnön yhteydessä, esimerkiksi henkilökohtaisten asetusten määrittämisen, kirjautumisen tai lomakkeen täyttämisen yhteydessä.

Tilastolliset evästeet

Tilastollisten evästeiden avulla seuraamme verkkosivustomme kävijöiden toimintaa ja teemme analyyseja, joiden avulla voimme optimoida verkkosivustoamme. Tämä tarkoittaa, että voimme kehittää sivustoamme toimivammaksi ja palvelemaan kävijöitä paremmin. Jos et hyväksy näitä evästeitä, emme tiedä, milloin olet käynyt sivustollamme. Voit kuitenkin käyttää sivustoamme normaalisti.

Markkinointievästeet

Markkinointievästeiden avulla voimme kohdentaa sinulle mainoksia eri verkkosivustoilla tai sisältöä sosiaalisessa mediassa. Näitä evästeitä asettavat kolmannen osapuolen mainonta- ja kohdistustyökalut. Evästeiden kautta nämä toimijat voivat muodostaa profiilin kiinnostuksesi kohteista. Jos et hyväksy näitä evästeitä, et näe kohdennettua markkinointia etkä mahdollisesti voi käyttää sosiaalisen median jakotyökaluja.