TESCOM

56-sarjan paineensäädin

Kemialliseen ruiskutukseen

Kemialliseen ruiskutukseen, jousikuormitteinen, mäntätoiminen
  • Max. sisääntulopaine: 1034 bar
  • Max. ulostulopaine: 1034 bar
  • Lämpötila alue: -26 - 73°C
  • Flow: 0.001514 l/min - 113.56 l/min
  • Vuototestaus: Kuplatiivis

Valitse tuote

56-sarjan paineensäädin

56-sarja

Tuotenumero:

Valitse tuote

Tekniset tiedot

Tiedostot

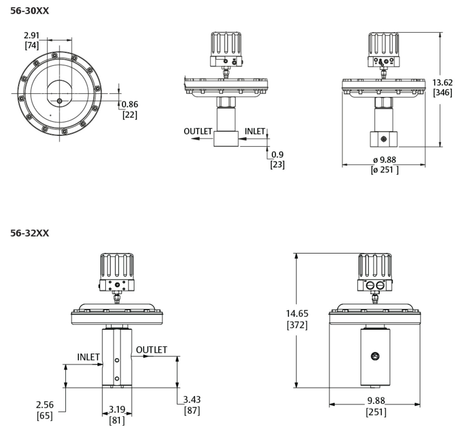
Mitat ja kytkennät

Tekniset kuvat

Tuotekuvaus

TESCOM 56-2000 -sarjan paineenalennussäädin tarjoaa tarkan ja tasaisen paineensäätelyn, mikä mahdollistaa johdonmukaiset kemikaalien injektiomäärät koko öljy- tai kaasulähteen elinkaaren ajan.

Laite on suunniteltu erityisesti offshore-käyttöön, missä virtausvarmuus on ensiarvoisen tärkeää. Tarkka virtaussäätö minimoi virtausongelmien riskin, joita voi syntyä yli- tai alijektion seurauksena.

Korkealaatuinen mäntärakenteeseen perustuva säädin takaa pitkän käyttöiän ja luotettavuuden haastavissa meriolosuhteissa. Tämä vähentää huoltotarvetta sekä odottamattomia seisokkeja ja alentaa näin kokonaiskäyttökustannuksia.


Säädintä voidaan käyttää myös täysin automatisoidussa järjestelmässä yhdistämällä se TESCOM ER5000 -sähköpneumaattiseen ohjaimeen, jolloin injektioprosessin hallinta voidaan toteuttaa etänä ja tarkasti.

Tarvikkeet



Äänitiedostot

Lisää luettavaa

Teknisiä neuvoja

Heikki Kekäläinen

Tuotealuepäällikkö

Asiakaspalvelu
Asiakaspalvelumme vastaa kysymyksiin ja etsii ratkaisut ongelmiin. Heille voit jättää myös tilauksesi.
FAQ
+ Miten tullaan asiakkaaksenne?
+ Olen sopinut puskurivarastosta, voinko tilata verkkokaupan kautta?
+ Voiko samalla tilillä olla useita käyttäjiä?
+ Voiko samassa tilauksessa olla useampia toimituspäiviä?
+ Voiko tilauksen toimittaa väliaikaiseen toimitusosoitteeseen?
Chatti
Tarvitsetko apua?