WIKA

Akselivoima-anturi

F5301

Akselivoima-anturi on leikkausvoimaa mittaava anturi.
  • 0...5 kN - 0...200 kN
  • 4...20 mA, 0...10 V tai CANopen
  • ATEX versio
  • Tarkkuus 1% Fnom
  • Erikoismallit

Valitse tuote

Valitse tuote

Valitse tuote

Tekniset tiedot

Hystereesi 0,2 %
IP-luokka IP67
Materiaali Ruostumaton teräs
Max. käyttölämpötila 80 °C
Max. syöttöjännite DC 30 V DC
Max. tehoalue 5 kN
Max. varastointilämpötila 85 °C
Min. käyttölämpötila -40 °C
Min. painealue 0
Min. syöttöjännite DC 10 V DC
Min. varastointilämpötila -40 °C
Vasteaika 1 ms

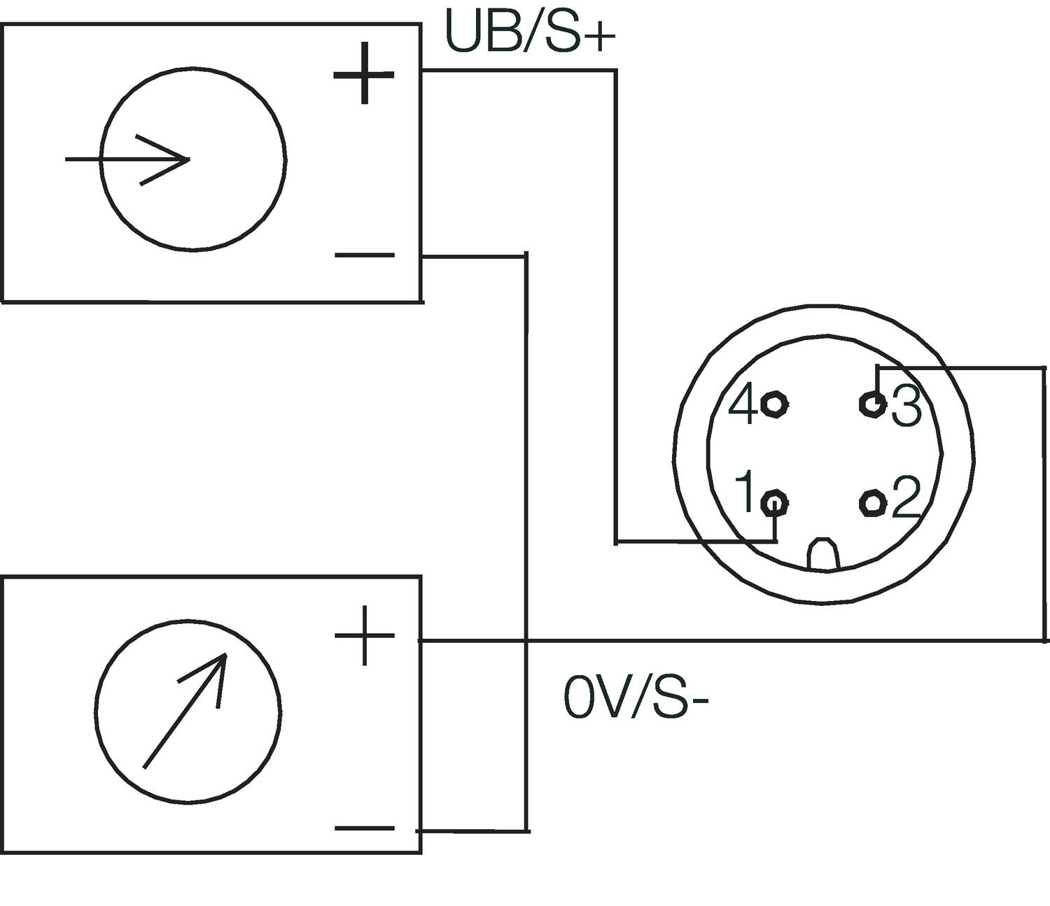
Mitat ja kytkennät

Tuotekuvaus

Toiminta perustuu ohutkalvoelementtiin joka on laserhitsattu teräskappaleeseen. Atominen sidos takaa hyvän iskunkestävyyden ja tärinän keston. Laite on pitkäikäinen ja toimintavarma. Yleisimpiä käyttökohteita ovat mm. nosturit, testipenkit, teollinen punnitus ja teatterien lavasovellukset.

 

Nämä voima-anturit ovat osa sertifioitua ELMS1-ylikuormitussuojaa (DIN EN ISO 13849-1, PL d/Kat. 3) 

 

Tarvikkeet



Äänitiedostot

Lisää luettavaa

Suosikit Tilausnumero: Max. tehoalue Hinta
5 kN
10 kN
20 kN
30 kN
50 kN
100 kN
200 kN

Valittu tuote

Valitse tuote listalta.

Teknisiä neuvoja

Rami Raekangas

Tuotepäällikkö

Asiakaspalvelu
Asiakaspalvelumme vastaa kysymyksiin ja etsii ratkaisut ongelmiin. Heille voit jättää myös tilauksesi.
FAQ
+ Miten tullaan asiakkaaksenne?
+ Olen sopinut puskurivarastosta, voinko tilata verkkokaupan kautta?
+ Voiko samalla tilillä olla useita käyttäjiä?
+ Voiko samassa tilauksessa olla useampia toimituspäiviä?
+ Voiko tilauksen toimittaa väliaikaiseen toimitusosoitteeseen?
Chatti
Tarvitsetko apua?
Logo

Evästeet oem.fi sivustolla

Evästeiden avulla voimme palvella sinua paremmin ja varmistamme sivuston sujuvan toiminnan. Voit hallinnoida evästeasetuksia koska tahansa.

Toiminnalliset evästeet

Nämä evästeet ovat välttämättömiä verkkosivuston toimimiseksi, eikä niitä voi poistaa käytöstä järjestelmissämme. Niitä käytetään yleensä vain vastauksena toimiin, jotka olet tehnyt palvelupyynnön yhteydessä, esimerkiksi henkilökohtaisten asetusten määrittämisen, kirjautumisen tai lomakkeen täyttämisen yhteydessä.

Tilastolliset evästeet

Tilastollisten evästeiden avulla seuraamme verkkosivustomme kävijöiden toimintaa ja teemme analyyseja, joiden avulla voimme optimoida verkkosivustoamme. Tämä tarkoittaa, että voimme kehittää sivustoamme toimivammaksi ja palvelemaan kävijöitä paremmin. Jos et hyväksy näitä evästeitä, emme tiedä, milloin olet käynyt sivustollamme. Voit kuitenkin käyttää sivustoamme normaalisti.

Markkinointievästeet

Markkinointievästeiden avulla voimme kohdentaa sinulle mainoksia eri verkkosivustoilla tai sisältöä sosiaalisessa mediassa. Näitä evästeitä asettavat kolmannen osapuolen mainonta- ja kohdistustyökalut. Evästeiden kautta nämä toimijat voivat muodostaa profiilin kiinnostuksesi kohteista. Jos et hyväksy näitä evästeitä, et näe kohdennettua markkinointia etkä mahdollisesti voi käyttää sosiaalisen median jakotyökaluja.