| IP-luokka | IP67 |
|---|---|
| Liitäntä | M12x1 |
| Materiaali | Ruostumaton teräs 17-7 PH |
| Max. käyttölämpötila | 80 °C |
| Max. syöttöjännite DC | 30 V DC |
| Max. tehoalue | 1 kN |
| Max. varastointilämpötila | 85 °C |
| Min. käyttölämpötila | -40 °C |
| Min. painealue | 0 |
|---|---|
| Min. syöttöjännite DC | 10 V DC |
| Min. varastointilämpötila | -40 °C |
| Signaalityyppi | 4-20 mA |
| Toiminta | Vedä |
| Vasteaika | 1 ms |
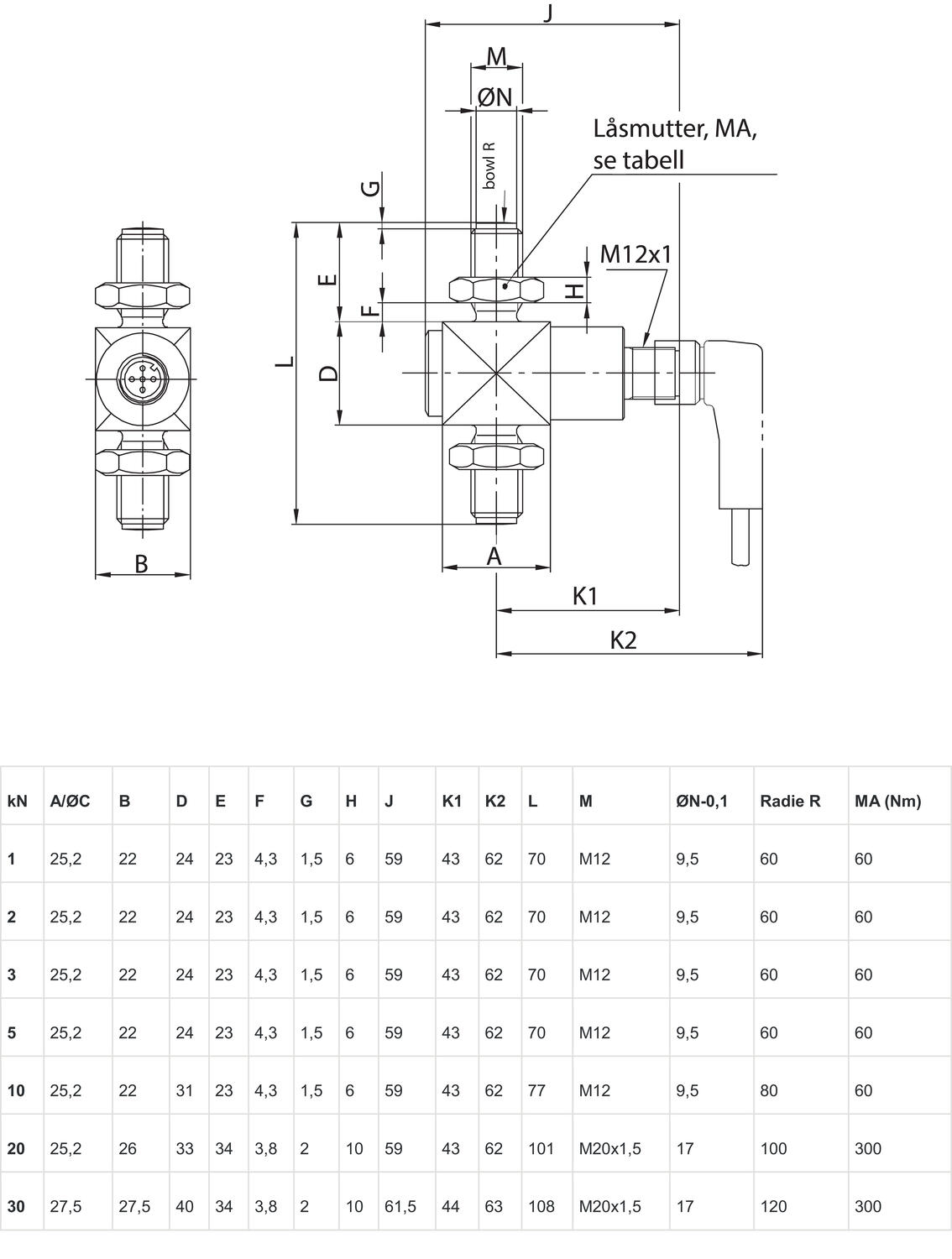
F2301-sarjan voima-anturissa on integroitu vahvistin. Anturin tärkein osa on ohutkalvo elementti, joka on laserhitsattu anturin runkoon. Anturi on tarkoitettu venymän ja/tai puristuman mittaukseen. Anturin hyviä puolia kompakti koko, pitkä toimintaikä, pieni lämpötilanriippuvuus ja erittäin hyvä ulostulosignaalin laatu. Sähköinen liitin on M12 ja sen voi kaapeloida tavallisella liitinkaapelilla ilman häiriösuojaa. Sovelluskohteita ovat testipenkit, nosturit, puristimet ja työstökoneet. Anturi voidaan sijoittaa esimerkiksi momenttitukeen jolloin se mittaa suoraan kuormitusta. Suoralla mittaustavalla saa yleensä tarkemman tuloksen kuin esimerkiksi moottorin ottaman virran mittauksella.
Nämä voima-anturit ovat osa sertifioitua ELMS1-ylikuormitussuojaa (DIN EN ISO 13849-1, PL d/Kat. 3)
OEM Finland vahvistaa nyt yhteistyötään Emersonin kanssa ja ottaa laajennetun vastuun useista heidän johtavista tuotemerkeistään Suomen markkinoilla.
Valikoimistamme löytyy tuoteratkaisuja kuljetinlinjastoihin ja tuotteiden laaduntarkkailuun. Kysy miten voimme auttaa sinua!
Oikean RAM-kiinnikkeen valinta tarkoittaa oikeaa mitoitusta alusta alkaen. Ajoneuvoissa ja koneissa pelkkä laitteen paino ei ratkaise – myös tärinä, iskut, nopeus ja asennuskulma vaikuttavat.
Kalvonäppäimistöt ovat edullinen ja toimintavarma ratkaisu kun tarvitset paikallisohjauksen laitteeseesi. Riippumatta siitä onko tarpeesi yksi näppäin tai koko QWERTY-näppäimistö, kalvonäppäimillä sen toteuttaminen on mahdollista.
ADEL Systemin CBI60W ja CBI600W ovat älykkäitä DC-UPS-ratkaisuja Ethernet-integraatiolla. Lue lisää!
Valikoimiimme kuuluu korkealuokkaisia kytkin-, liitin-, lämmönhallinta-, älykalvo- ja näyttöratkaisuja sairaala- ja laboratoriolaitteiden valmistajille.
|
|
|
|
|
|
||
|---|---|---|---|---|---|---|
|
|
|
|
|
|
||
|
|
|
|
|
|
||
|
|
|
|
|
|
||
|
|
|
|
|
|
||
|
|
|
|
|
|
||
|
|
|
|
|
|
| Suosikit | Tilausnumero: | Max. tehoalue | Toiminta | Hinta | |
|---|---|---|---|---|---|
|
Voima-anturi 0..1kN, veto, 4..20mA
Tuotenumero:
F23011310001
Kopioitu!
|
1 kN
|
Vedä
|
|
||
|
Voima-anturi 0..1kN, puristus, 4..20mA
Tuotenumero:
F23011310006
Kopioitu!
|
1 kN
|
Paina
|
|
||
|
Voima-anturi 0..2kN, veto/puristus, 4..20mA
Tuotenumero:
F23011320002
Kopioitu!
|
2 kN
|
Vedä ja paina
|
|
||
|
Voima-anturi 0..2kN, veto, 4..20mA
Tuotenumero:
F23011320003
Kopioitu!
|
2 kN
|
Vedä ja paina
|
|
||
|
Voima-anturi 0..2kN, puristus, 4..20mA
Tuotenumero:
F23011320005
Kopioitu!
|
2 kN
|
Paina
|
|
||
|
Voima-anturi 0..3kN, veto/puristus, 4..20mA
Tuotenumero:
F23011330002
Kopioitu!
|
3 kN
|
Vedä ja paina
|
|
||
|
Voima-anturi 0..3kN, puristus, 4..20mA
Tuotenumero:
F23011330004
Kopioitu!
|
3 kN
|
Paina
|
|
||
|
Voima-anturi 0..3kN, veto, 4..20mA
Tuotenumero:
F23011330005
Kopioitu!
|
3 kN
|
Vedä ja paina
|
|
||
|
Voima-anturi 0..5kN, veto/puristus, 4..20mA
Tuotenumero:
F23011350002
Kopioitu!
|
5 kN
|
Vedä ja paina
|
|
||
|
Voima-anturi 0..5kN, veto, 4..20mA
Tuotenumero:
F23011350005
Kopioitu!
|
5 kN
|
Vedä ja paina
|
|
||
|
Voima-anturi 0..5kN, puristus, 4..20mA
Tuotenumero:
F23011350006
Kopioitu!
|
5 kN
|
Paina
|
|
||
|
Voima-anturi 0..10kN, veto/puristus, 4..20mA
Tuotenumero:
F23011410002
Kopioitu!
|
10 kN
|
Vedä ja paina
|
|
||
|
Voima-anturi 0..10kN, veto, 4..20mA
Tuotenumero:
F23011410003
Kopioitu!
|
10 kN
|
Vedä ja paina
|
|
||
|
Voima-anturi 0..10kN, puristus, 4..20mA
Tuotenumero:
F23011410008
Kopioitu!
|
10 kN
|
Paina
|
|
||
|
Voima-anturi 0..20kN, puristus, 4..20mA
Tuotenumero:
F23011420001
Kopioitu!
|
20 kN
|
Paina
|
|
||
|
Voima-anturi 0..20kN, veto/puristus, 4..20mA
Tuotenumero:
F23011420002
Kopioitu!
|
20 kN
|
Vedä ja paina
|
|
||
|
Voima-anturi 0..20kN, veto, 4..20mA
Tuotenumero:
F23011420008
Kopioitu!
|
20 kN
|
Vedä ja paina
|
|
||
|
Voima-anturi 0..30kN, veto/puristus, 4..20mA
Tuotenumero:
F23011430002
Kopioitu!
|
30 kN
|
Vedä ja paina
|
|
||
|
Voima-anturi 0..30kN, veto, 4..20mA
Tuotenumero:
F23011430006
Kopioitu!
|
30 kN
|
Vedä ja paina
|
|
||
|
Voima-anturi 0..30kN, puristus, 4..20mA
Tuotenumero:
F23011430008
Kopioitu!
|
30 kN
|
Paina
|
|
||
|
Voima-anturi 0..50kN, veto/puristus, 4..20mA
Tuotenumero:
F23011450002
Kopioitu!
|
50 kN
|
Vedä ja paina
|
|
||
|
Voima-anturi 0..50kN, puristus, 4..20mA
Tuotenumero:
F23011450004
Kopioitu!
|
50 kN
|
Paina
|
|
||
|
Voima-anturi 0..50kN, veto, 4..20mA
Tuotenumero:
F23011450007
Kopioitu!
|
50 kN
|
Vedä
|
|
||
|
Voima-anturi 0..100kN, veto, 4..20mA
Tuotenumero:
F23011510002
Kopioitu!
|
100 kN
|
Vedä ja paina
|
|
||
|
Voima-anturi 0..100kN, puristus, 4..20mA
Tuotenumero:
F23011510007
Kopioitu!
|
100 kN
|
Paina
|
|
||
|
Voima-anturi 0..100kN, veto/puristus, 4..20mA
Tuotenumero:
F23011510009
Kopioitu!
|
100 kN
|
Vedä ja paina
|
|
||
|
Voima-anturi 0..200kN, veto, 4..20mA
Tuotenumero:
F23011520001
Kopioitu!
|
200 kN
|
Vedä ja paina
|
|
||
|
Voima-anturi 0..200kN, puristus, 4..20mA
Tuotenumero:
F23011520004
Kopioitu!
|
200 kN
|
Paina
|
|
||
|
Voima-anturi 0..200kN, veto/puristus, 4..20mA
Tuotenumero:
F23011520005
Kopioitu!
|
200 kN
|
Vedä ja paina
|
|
||
|
Voima-anturi 0..300kN, veto/puristus, 4..20mA
Tuotenumero:
F23011530001
Kopioitu!
|
300 kN
|
Vedä ja paina
|
|
||
|
Voima-anturi 0..300kN, puristus, 4..20mA
Tuotenumero:
F23011530002
Kopioitu!
|
300 kN
|
Paina
|
|
||
|
Voima-anturi 0..300kN, veto, 4..20mA
Tuotenumero:
F23011530003
Kopioitu!
|
300 kN
|
Vedä ja paina
|
|
||
|
Voima-anturi 0..500kN, veto, 4..20mA
Tuotenumero:
F23011550001
Kopioitu!
|
500 kN
|
Vedä ja paina
|
|
||
|
Voima-anturi 0..500kN, puristus, 4..20mA
Tuotenumero:
F23011550003
Kopioitu!
|
500 kN
|
Paina
|
|
||
|
Voima-anturi 0..500kN, veto/puristus, 4..20mA
Tuotenumero:
F23011550004
Kopioitu!
|
500 kN
|
Vedä ja paina
|
|
Valitse tuote listalta.