JUNG PROCESS SYSTEMS

HYGHSPIN

Kaksoisruuvipumppu

HYGHSPIN on kansainvälisesti todistettujen, ruostumattomasta teräksestä valmistetun HYGHSPIN-sarjan pumppujen alkuperäismalli.
  • Virtaus 30 l/h - 300 m³/h
  • Max. paine 35 bar
  • Hellävarainen, aksiaalisuuntainen tuotteen käsittely
  • Laajat kierrosluku- ja viskositeettialueet
  • 3A ja EHEDG hyväksytty

Valitse tuote

Valitse tuote

Valitse tuote

Tekniset tiedot

Elastomeeri materiaali HNBR (nitriilikumi)
Max. käyttölämpötila 180 °C
Max. paine 20 bar
Max. partikkelin koko 16 mm
Max. virtaus 20 m³/h
Min. käyttölämpötila -10 °C
Paino 37 kg
Pumpun materiaali Ruostumaton teräs 316L
Ruuvin materiaali Ruostumaton teräs 316L
Tiivisteen materiaali SiC/SiC

Tuotekuvaus

Kaksoisruuvipumppu soveltuu käytettäväksi vapaasti virtaavien aineiden kanssa, periaatteessa aineen koostumuksesta riippumatta (vesipitoisuus, korkea viskositeetti, hiukkasmainen kuitu tai kaasuseoksen kanssa).

Huoltoystävällisellä ruuvipumpulla on erittäin hyvä imuteho, joka hellävaraisesti käsittelee kaikki vapaasti virtaavat aineet jopa 300 m³ / h asti.

Pumpun suuri joustavuus nopeudessa mahdollistaa saman pumpun käytön CIP-pumppuna. Tällä tavoin voit vähentää investointikustannuksia CIP-järjestelmien ympärillä, kun esim. mitään ohituslinjastoa, jossa on putket, venttiilit ja ohjausjärjestelmät, ei tarvitse asentaa.

Kaksoisruuvipumpulla on selkeitä etuja muihin pumppausperiaatteisiin, kuten keskipako-, lohkoroottori- ja hammaspyöräpumppuihin, varsinkin kun on kyse joustavuudesta, hygieniasta ja sykkeettömästä virtauksesta.

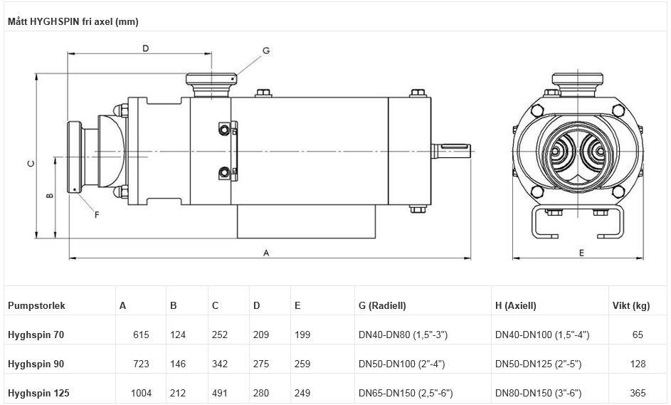
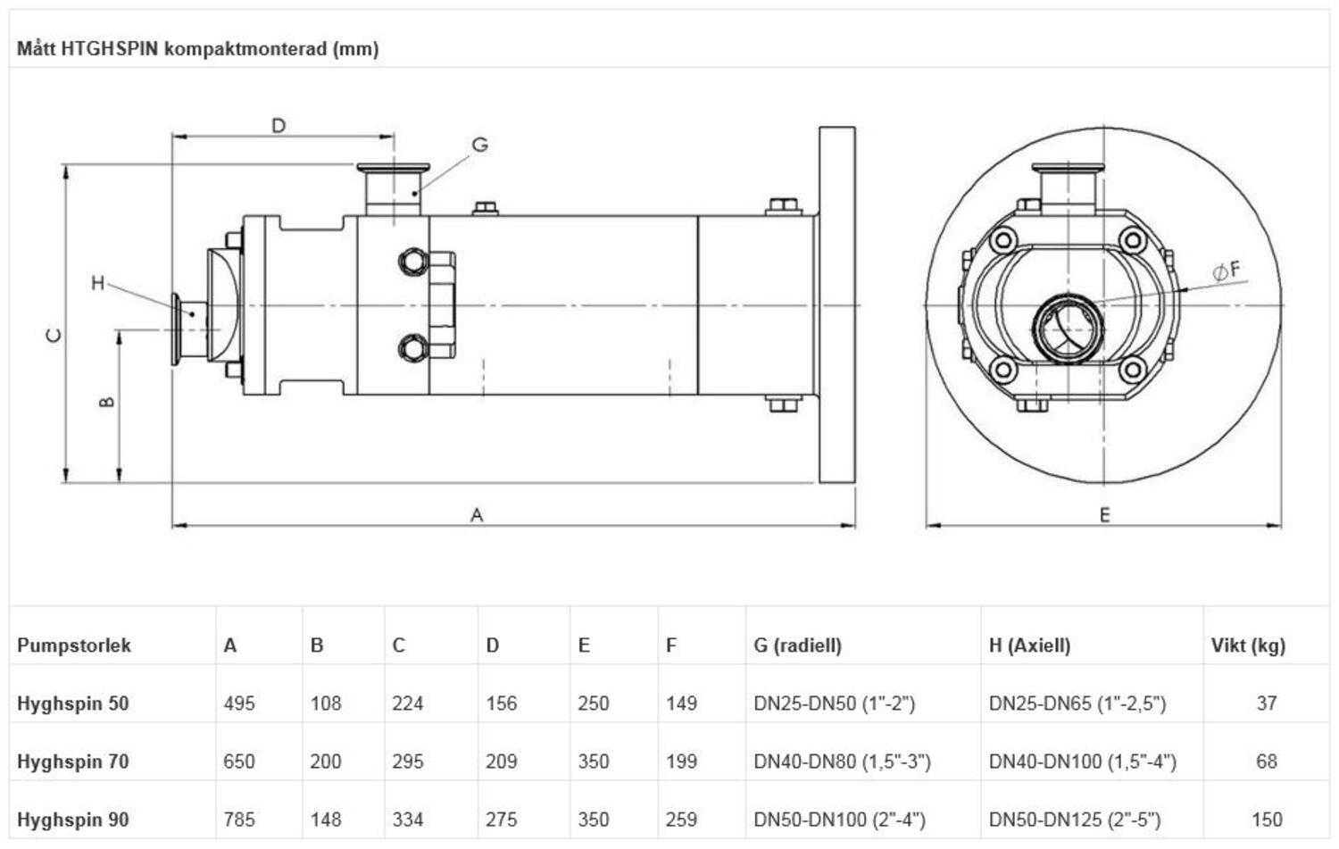
HYGHSPIN Hopper mallia on saatavana kompaktina versiona koot 70, 90 ja 125, ja vapaalla akselilla koot 70, 90 ja 125. Pumput voivat tuottaa paineita jopa 25 baaria koosta ja rakenteesta riippuen.

Tyypilliset käyttökohteet:

  • Ruokatuotanto
    • Esim. meijerit, suklaa ja makeiset, ketsuppi ja kastikkeet, vauvanruoka, jauhelihat, makkaramassa, jäätelö, taikina, hillo
  • Juomateollisuus
    • Esim. panimot, mallas, mehut, siirapit ja tiivisteet
  • Lääketeollisuus
    • Esim. WFI (Water-for-injection)
  • Kosmetiikkateollisuus
    • Esim. rasvat, voiteet, saippuat, ihonhoitotuotteet
  • Kemikaaliteollisuus
    • Esim. liimat, liuottimet, maalit, lakat, alkoholit
  • Sekä monet muut teollisuuden alat joissa siirretään erilaisia nesteitä vaihtuvilla viskositeeteillä.

Tilaustiedot

Kapasiteetti:

30 l/h - 300 m3/h 

Paine-alue:

35 bar:iin saakka, riippuen pumpun koosta ja rakenteesta

Imunostokorkeus:

NPSHr 0,5 m saakka

Viskositeetti:

1 000 000 cSt saakka

Käyttölämpötila-alue, tuote:

-10...+130 °C (korkeammat lämpötilat pyynnöstä)

Käyttölämpötila, tiskaus

...+140 °C saakka

Käyttölämpötila, sterilointi

...+145 °C saakka

Materiaali: (tuotteen kanssa kosketuksissa oleva)

1.4404 (AISI 316L) 3.1 sertifikaatti (muita materiaaleja eri pyynnöstä)

Elastomeerit:

HNBR - FDA elintarvikelaatu (standardi)

EPDM - FDA elintarvikelaatu

FKM Viton - FDA elintarvikelaatu

FFKM Kalrez - FDA elintarvikelaatu

Tiiviste vaihtoehdot:

SiC/SiC yksinkertainen mekaaninen tiiviste

TC/TC yksinkertainen mekaaninen tiiviste

SiC/SiC kaksinkertainen mekaaninen tiiviste

TC/TC kaksinkertainen mekaaninen tiiviste

huulitiiviste, kaksinkertainen huulitiiviste

Sertifikaatit:

EHEDG, 3A, ATEX

 

Tarvikkeet

Saatat olla kiinnostunut näistä



Äänitiedostot

Lisää luettavaa

Suosikit Tilausnumero: Max. paine Max. partikkelin koko Max. virtaus Paino Hinta
20 bar
16 mm
20 m³/h
37 kg
25 bar
20 mm
40 m³/h
68 kg
30 bar
28 mm
100 m³/h
150 kg
35 bar
45 mm
300 m³/h
365 kg

Valittu tuote

Valitse tuote listalta.

Teknisiä neuvoja

Jonne Kaarela

Tuotepäällikkö

Asiakaspalvelu
Asiakaspalvelumme vastaa kysymyksiin ja etsii ratkaisut ongelmiin. Heille voit jättää myös tilauksesi.
FAQ
+ Miten tullaan asiakkaaksenne?
+ Olen sopinut puskurivarastosta, voinko tilata verkkokaupan kautta?
+ Voiko samalla tilillä olla useita käyttäjiä?
+ Voiko samassa tilauksessa olla useampia toimituspäiviä?
+ Voiko tilauksen toimittaa väliaikaiseen toimitusosoitteeseen?
Chatti
Tarvitsetko apua?
Logo

Evästeet oem.fi sivustolla

Evästeiden avulla voimme palvella sinua paremmin ja varmistamme sivuston sujuvan toiminnan. Voit hallinnoida evästeasetuksia koska tahansa.

Toiminnalliset evästeet

Nämä evästeet ovat välttämättömiä verkkosivuston toimimiseksi, eikä niitä voi poistaa käytöstä järjestelmissämme. Niitä käytetään yleensä vain vastauksena toimiin, jotka olet tehnyt palvelupyynnön yhteydessä, esimerkiksi henkilökohtaisten asetusten määrittämisen, kirjautumisen tai lomakkeen täyttämisen yhteydessä.

Tilastolliset evästeet

Tilastollisten evästeiden avulla seuraamme verkkosivustomme kävijöiden toimintaa ja teemme analyyseja, joiden avulla voimme optimoida verkkosivustoamme. Tämä tarkoittaa, että voimme kehittää sivustoamme toimivammaksi ja palvelemaan kävijöitä paremmin. Jos et hyväksy näitä evästeitä, emme tiedä, milloin olet käynyt sivustollamme. Voit kuitenkin käyttää sivustoamme normaalisti.

Markkinointievästeet

Markkinointievästeiden avulla voimme kohdentaa sinulle mainoksia eri verkkosivustoilla tai sisältöä sosiaalisessa mediassa. Näitä evästeitä asettavat kolmannen osapuolen mainonta- ja kohdistustyökalut. Evästeiden kautta nämä toimijat voivat muodostaa profiilin kiinnostuksesi kohteista. Jos et hyväksy näitä evästeitä, et näe kohdennettua markkinointia etkä mahdollisesti voi käyttää sosiaalisen median jakotyökaluja.