MAKERSAN

MO379 Kääntöohjain

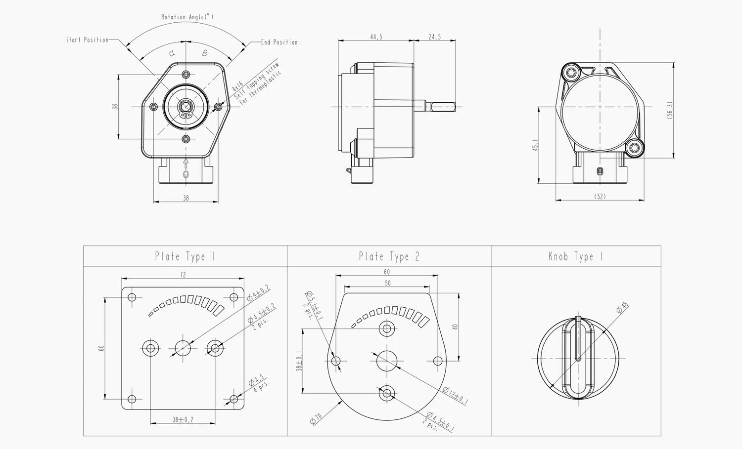
MO379 on elektroninen kääntöohjain, joka sopii erilaisiin moottoriliitäntöihin. Ohjain sisältää kontaktittoman IP6K9K-suojaluokan Hall-anturin. 

Lähtönä voi olla joko yksi tai kaksi täysin redundanttia ohjelmoitavaa signaalia ja valittavissa ovat CAN-, analogi- ja PWM-liitännät. Anturissa on 6-napainen Delphi Metric Pack 150 liitin.
Ohjaimen kääntöalue on 90°, 180° tai se voidaan ohjelmoida halutuksi pykälittäin. Ohjain on valittavissa kääntönupilla tai ilman sekä kahdella eri akselimallilla. Lisäksi valittavissa on myös kaksi erilaista taustalevymallia.

Lue lisää
  • 90° tai 180° liikerata
  • IP6K9K anturi
  • Valittavissa CAN / Analog / PWM
  • Valittavissa eri taustalevyt

Valitse tuote

Valitse tuote

Valitse tuote

Tekniset tiedot

IP-luokka IP6K9K
Käyttölämpötila-alue -40 - 85 °C
Liikerata 90° tai 180°
Lähdöt CAN / Analog / PWM
Signaalityyppi Analog Type: 0-5V / 4-20mA / PWM, Analog+IVS Type: Analog + Highside or Lowside Switch, CAN Type: SAE J1939 and CANopen
Syöttöjännite 5V tai 8-32V

Mitat ja kytkennät

Tekniset kuvat

Tuotekuvaus

MO379 on elektroninen kääntöohjain, joka sopii erilaisiin moottoriliitäntöihin. Ohjain sisältää kontaktittoman IP6K9K-suojaluokan Hall-anturin. 

Lähtönä voi olla joko yksi tai kaksi täysin redundanttia ohjelmoitavaa signaalia ja valittavissa ovat CAN-, analogi- ja PWM-liitännät. Anturissa on 6-napainen Delphi Metric Pack 150 liitin.
Ohjaimen kääntöalue on 90°, 180° tai se voidaan ohjelmoida halutuksi pykälittäin. Ohjain on valittavissa kääntönupilla tai ilman sekä kahdella eri akselimallilla. Lisäksi valittavissa on myös kaksi erilaista taustalevymallia.

Tilaustiedot

MO 379 -

X -

Plate Type

X -

Knob Type 

X -

Rotation Angle

X -

Shaft Type

PXXX

Sensor Program


0 - No Plate

0 - No Knob 

0 - 90° (α=45° / ß= 45°)

1 - Type Square

P009 - Dual Analog P009

1 - Plate Type 1 

1 - Knob 

1 - 180° (α=90° / ß= 90°)

2 - Type D

*

2 - Plate Type 2 

2 - 60° with 3 detents (α=30° / ß= 30°) 


3 - 120° with 5 detents (α=60° / ß= 60°)


4 - 90° with 4 detents (α=60° / ß= 30°)


Tarvikkeet



Äänitiedostot

Lisää luettavaa

Suosikit Tilausnumero: Hinta

Valittu tuote

Valitse tuote listalta.

Teknisiä neuvoja

Mikko Kokko

Tuotepäällikkö

Asiakaspalvelu
Asiakaspalvelumme vastaa kysymyksiin ja etsii ratkaisut ongelmiin. Heille voit jättää myös tilauksesi.
FAQ
+ Miten tullaan asiakkaaksenne?
+ Olen sopinut puskurivarastosta, voinko tilata verkkokaupan kautta?
+ Voiko samalla tilillä olla useita käyttäjiä?
+ Voiko samassa tilauksessa olla useampia toimituspäiviä?
+ Voiko tilauksen toimittaa väliaikaiseen toimitusosoitteeseen?
Chatti
Tarvitsetko apua?
Logo

Evästeet oem.fi sivustolla

Evästeiden avulla voimme palvella sinua paremmin ja varmistamme sivuston sujuvan toiminnan. Voit hallinnoida evästeasetuksia koska tahansa.

Toiminnalliset evästeet

Nämä evästeet ovat välttämättömiä verkkosivuston toimimiseksi, eikä niitä voi poistaa käytöstä järjestelmissämme. Niitä käytetään yleensä vain vastauksena toimiin, jotka olet tehnyt palvelupyynnön yhteydessä, esimerkiksi henkilökohtaisten asetusten määrittämisen, kirjautumisen tai lomakkeen täyttämisen yhteydessä.

Tilastolliset evästeet

Tilastollisten evästeiden avulla seuraamme verkkosivustomme kävijöiden toimintaa ja teemme analyyseja, joiden avulla voimme optimoida verkkosivustoamme. Tämä tarkoittaa, että voimme kehittää sivustoamme toimivammaksi ja palvelemaan kävijöitä paremmin. Jos et hyväksy näitä evästeitä, emme tiedä, milloin olet käynyt sivustollamme. Voit kuitenkin käyttää sivustoamme normaalisti.

Markkinointievästeet

Markkinointievästeiden avulla voimme kohdentaa sinulle mainoksia eri verkkosivustoilla tai sisältöä sosiaalisessa mediassa. Näitä evästeitä asettavat kolmannen osapuolen mainonta- ja kohdistustyökalut. Evästeiden kautta nämä toimijat voivat muodostaa profiilin kiinnostuksesi kohteista. Jos et hyväksy näitä evästeitä, et näe kohdennettua markkinointia etkä mahdollisesti voi käyttää sosiaalisen median jakotyökaluja.