GREIN

Valvontayksiköt

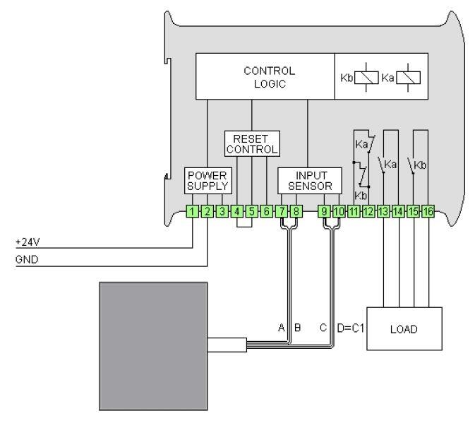
Grein valvontayksikkö on tarkoitettu turvamattojen valvontaan. Vanvontayksikkö valvoo turvamaton aktivoitumista, sekä vikatilanteita, esim. kaapelin katkeamista. Valvontayksikkössä on 2 NC turvaulostuloa ja 1 NC signaaliulostulo.

 

281253_566.tif

 

 

 

Lue lisää
  • 2 NO turvaulostuloa + 1 NC signaaliulostulo
  • Automaatti- tai käsinkuittaus
  • Turvaluokka 3, PL e

Valitse tuote

Valitse tuote

Valitse tuote

Tekniset tiedot

IP-luokka IP20
Max. käyttölämpötila 60 °C
Min. käyttölämpötila -5 °C
Syöttöjännite 24 V DC
Turvaluokka 3, PL e

Mitat ja kytkennät

Tekniset kuvat

Tuotekuvaus

Grein valvontayksikkö on tarkoitettu turvamattojen valvontaan. Vanvontayksikkö valvoo turvamaton aktivoitumista, sekä vikatilanteita, esim. kaapelin katkeamista. Valvontayksikkössä on 2 NC turvaulostuloa ja 1 NC signaaliulostulo.

 

281253_566.tif

 

 

 

Tarvikkeet

Saatat olla kiinnostunut näistä



Äänitiedostot

Lisää luettavaa

Automatisoi ja turvaa sahalaitos
Tuki

Automatisoi & turvaa sahalaitos

Tarjoamme ratkaisuja sekä laajan valikoiman komponentteja, jotta voit automatisoida ja turvata sahalaitoksen koneet.

Grein turvamatot
Tuoteuutiset

Grein turvamatot aluevalvontaan

Turvamattoja käytetään vaarallisten koneiden läheisyydessä ja ympärillä varmistamaan käyttäjille turvallinen työympäristö.

igus kaapelin vaippamateriaali
Tuki

Kaapelien vaippamateriaalit

Suojauksen lisäksi kaapeli on päällystetty ulkovaipalla, jonka tehtävänä on suojata kaapelin sisäosia. Eri vaippamateriaalit suojaavat esimerkiksi mekaaniselta rasitukselta, lämpötilavaihteluilta ja kemiallisilta aineilta.

igus readychain on nopea ja luotettava energiansiirtoratkaisu teollisuuteen
Tuoteuutiset

igus readychain – Nopea ja luotettava energiansiirtoratkaisu teollisuuteen

Teollisuuden automaatio ja koneenrakennus vaativat nopeutta, luotettavuutta ja kustannustehokkuutta. igus readychain on heti käyttövalmis energiansiirtojärjestelmä näihin tarpeisiin.

Uudet F-kaasuvaatimukset jäähdytyslaitteille
Tuki

F-kaasuasetus (EU) 2024/573 – Uudet vaatimukset jäähdytyslaitteille

Uusi F-kaasuasetus (EU) 2024/573 muuttaa jäähdytys- ja ilmastointijärjestelmien edellytyksiä teollisissa sovelluksissa. Tiukennetut vaatimukset fluoratuille kasvihuonekaasuille tarkoittavat, että monet nykyiset ratkaisut poistetaan asteittain käytöstä – samalla kun väärän teknologian valinta voi tulla kalliiksi tulevaisuudessa.

Conta-Clip kaapeliläpiviennit elintarviketeollisuuteen
Tuoteuutiset

CONTA-CLIP - FDA-yhteensopivat kaapeliläpivientiratkaisut elintarviketeollisuuteen

CONTA-CLIP tarjoaa elintarviketeollisuuden vaatimuksiin suunniteltuja kaapeliläpivientiratkaisuja, jotka on valmistettu FDA-yhteensopivista materiaaleista.

Suosikit Tilausnumero: Syöttöjännite Hinta
24 V DC
230 V AC

Valittu tuote

Valitse tuote listalta.

Teknisiä neuvoja

Joni Henninen

Tuotepäällikkö

Asiakaspalvelu
Asiakaspalvelumme vastaa kysymyksiin ja etsii ratkaisut ongelmiin. Heille voit jättää myös tilauksesi.
FAQ
+ Miten tullaan asiakkaaksenne?
+ Olen sopinut puskurivarastosta, voinko tilata verkkokaupan kautta?
+ Voiko samalla tilillä olla useita käyttäjiä?
+ Voiko samassa tilauksessa olla useampia toimituspäiviä?
+ Voiko tilauksen toimittaa väliaikaiseen toimitusosoitteeseen?
Chatti
Tarvitsetko apua?
Logo

Evästeet oem.fi sivustolla

Evästeiden avulla voimme palvella sinua paremmin ja varmistamme sivuston sujuvan toiminnan. Voit hallinnoida evästeasetuksia koska tahansa.

Toiminnalliset evästeet

Nämä evästeet ovat välttämättömiä verkkosivuston toimimiseksi, eikä niitä voi poistaa käytöstä järjestelmissämme. Niitä käytetään yleensä vain vastauksena toimiin, jotka olet tehnyt palvelupyynnön yhteydessä, esimerkiksi henkilökohtaisten asetusten määrittämisen, kirjautumisen tai lomakkeen täyttämisen yhteydessä.

Tilastolliset evästeet

Tilastollisten evästeiden avulla seuraamme verkkosivustomme kävijöiden toimintaa ja teemme analyyseja, joiden avulla voimme optimoida verkkosivustoamme. Tämä tarkoittaa, että voimme kehittää sivustoamme toimivammaksi ja palvelemaan kävijöitä paremmin. Jos et hyväksy näitä evästeitä, emme tiedä, milloin olet käynyt sivustollamme. Voit kuitenkin käyttää sivustoamme normaalisti.

Markkinointievästeet

Markkinointievästeiden avulla voimme kohdentaa sinulle mainoksia eri verkkosivustoilla tai sisältöä sosiaalisessa mediassa. Näitä evästeitä asettavat kolmannen osapuolen mainonta- ja kohdistustyökalut. Evästeiden kautta nämä toimijat voivat muodostaa profiilin kiinnostuksesi kohteista. Jos et hyväksy näitä evästeitä, et näe kohdennettua markkinointia etkä mahdollisesti voi käyttää sosiaalisen median jakotyökaluja.