ADVANCED ILLUMINATION
| Aallonpituus | WHI, 365, 375, 385, 395, 405, 455, 470, 505, 530, 590, 625, 660, 730, 850, 940 |
|---|---|
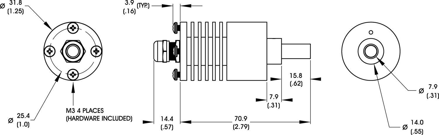
| Elinikä | 50000 h |
| Hyväksynnät | CE, RoHS |
| IP-luokka | IP50 |
| Kaapelin pituus vakiona | 2m |
| Liitäntä | C1, C5, IC, I3, I3S, 24 |
|---|---|
| Max. käyttölämpötila | 60 °C |
| Min. käyttölämpötila | 0 °C |
Konenäkövalaisimista löytyy monia eri vaihtoehtoja. Voit myös tutustua oheiseen valmistajan valintatyökaluun
tai ottaa yhteyttä OEM asiakaspalveluun ja tuotealuepäällikköön.

Saavuttaaksesi parhaan mahdollisen tuloksen konenäköjärjestelmillä, oikeanlainen valaistus on välttämätöntä. Tutustu oppaaseen!
Baslerin visiosovellusten valaisinvalikoima on kasvanut yhteensä 200:lla uudella tuotteella. Tutustu!
Konenäköjärjestelmän yksi tärkeimmistä osa-alueista on valaistus. Valaisinkomponenttien lisäksi tarvitaan useimmiten ylimääräistä kehitystyötä sekä valaistuksen hallintaohjelmistoja.
Pinta-asennettavat ELN- ja SL-sarjojen valaisimet ovat nyt saatavilla myös RGBW-versioina.
Logistiikka muuttuu nopeasti, ja yritykset tarvitsevat entistä tehokkaampia ratkaisuja. Konenäkö automatisoi tavaravirtojen käsittelyä, nopeuttaa prosesseja ja vähentää virheitä.
Teollisuusympäristöissä tapahtuvat räjähdykset voivat aiheuttaa vakavia vahinkoja sekä ihmisille että omaisuudelle. ATEX varmistaa, että sekä laitteet että työprosessit on suunniteltu minimoimaan nämä riskit ja luomaan turvallinen työympäristö.