WIKA
| Aineen kanssa kosketuksissa olevien osien materiaali | Inoconel - 600 |
|---|---|
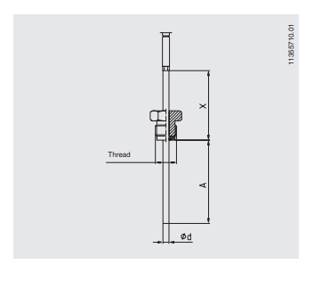
| Asennussyvyys | 100 mm |
| Kaapelin materiaali | PVC |
| Kaapelin pituus | 1000 mm |
| Max. käyttölämpötila | 760 °C |
| Max. ympäristön lämpötila | 100 °C |
|---|---|
| Min. käyttölämpötila | 0 °C |
| Min. ympäristön lämpötila | -20 °C |
| Pistokkeen halkaisija | 3 mm |
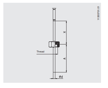
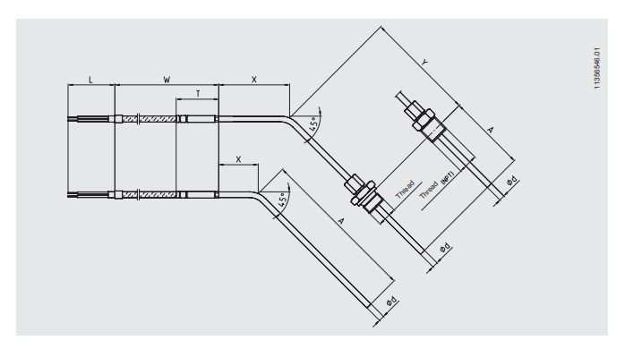
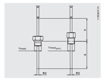
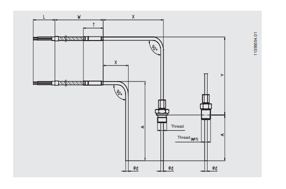
Kaapelilla varustetut termoelementtit soveltuvat erityisesti käyttökohteisiin, joissa anturin metallikärki asennetaan suoraan porattuun reikään (esim. koneen osaan) tai suoraan prosessilinjaan, jossa ei käytetä kemiallisesti aggressiivisia tai hankaavia aineita.
Vakiomallisessa lämpöparissa ei ole prosessiliitäntää. Kiinnityselementtejä, kuten kierreliittimiä, liitosmuttereita jne., voidaan myös käyttää.
Onko vihreä vety seuraava suomalainen menestystarina? Ota OEM mukaan matkallesi!
Ubitec aloitti syksyllä 2021 projektin yhdessä Naistenlahden sähkölaitoksen kanssa, jossa sähkölaitokseen rakennettiin uusi kattilalaitos Naistenlahti 3 korvasi yli 40 vuotta vanhan Naistenlahti 2 -voimalaitosyksikön. Myös OEM oli tiiviisti mukana projektissa, joka vaati syvää tietämystä tuotteista.
Lämpötila tarkkailussa? Autamme sinua valitsemaan sopivan tuotteen lämpötilan seurantaan.
Partex PPT on uuden sukupolven lippumerkki, joka on suunniteltu nopeuttamaan asennustyötä ja kestämään vaativimmissakin olosuhteissa.
Etsitkö luotettavaa, helppoa ja kestävää ratkaisua kaapelien ja letkujen merkintään? Nämä tasaiset, polyolefiinista valmistetut merkit ovat suunniteltu tehostamaan asennustyötä ja parantamaan turvallisuutta teollisuusympäristöissä.
P-Connect Gateway mahdollistaa turvalaitteiden liittämisen PROFINET/PROFIsafe, Ethernet/IP™/CIP Safety™ ja EtherCAT®/Safety over EtherCAT® -väyliin.
|
|
|
|
|
|
||
|---|---|---|---|---|---|---|
|
|
|
|
|
|
||
|
|
|
|
|
|
||
|
|
|
|
|
|
||
|
|
|
|
|
|
||
|
|
|
|
|
|
||
|
|
|
|
|
|
| Suosikit | Tilausnumero: | Asennussyvyys | Kaapelin materiaali | Kaapelin pituus | Max. käyttölämpötila | Max. ympäristön lämpötila | Min. ympäristön lämpötila | Pistokkeen halkaisija | Hinta | |
|---|---|---|---|---|---|---|---|---|---|---|
J tyyppi 0-760°C 100x3mm PVC L=1m
Tuotenumero:
TC40-14358598
Kopioitu!
|
100 mm
|
PVC
|
1000 mm
|
760 °C
|
100 °C
|
-20 °C
|
3 mm
|
| ||
J tyyppi 0-760°C 250x3mm PVC L=1m
Tuotenumero:
TC40-14358602
Kopioitu!
|
250 mm
|
PVC
|
1000 mm
|
760 °C
|
100 °C
|
-20 °C
|
3 mm
|
| ||
K tyyppi 0-1260°C 100x3mm PVC L=1m
Tuotenumero:
TC40-14358595
Kopioitu!
|
100 mm
|
PVC
|
1000 mm
|
1260 °C
|
100 °C
|
-20 °C
|
3 mm
|
| ||
K tyyppi 0-1260°C 250x3mm PVC L=1m
Tuotenumero:
TC40-14358601
Kopioitu!
|
250 mm
|
PVC
|
1000 mm
|
1260 °C
|
100 °C
|
-20 °C
|
3 mm
|
| ||
K tyyppi 0-1260°C 100x6mm PVC L=1m
Tuotenumero:
TC40-14358631
Kopioitu!
|
100 mm
|
PVC
|
1000 mm
|
1260 °C
|
100 °C
|
-20 °C
|
6 mm
|
| ||
K tyyppi 0-1260°C 250x6mm PVC L=1m
Tuotenumero:
TC40-14358639
Kopioitu!
|
250 mm
|
PVC
|
1000 mm
|
1260 °C
|
100 °C
|
-20 °C
|
6 mm
|
| ||
J tyyppi 0-760°C 100x3mm PVC L=3m
Tuotenumero:
TC40-14358613
Kopioitu!
|
100 mm
|
PVC
|
3000 mm
|
760 °C
|
100 °C
|
-20 °C
|
3 mm
|
| ||
J tyyppi 0-760°C 250x3mm PVC L=3m
Tuotenumero:
TC40-14358605
Kopioitu!
|
250 mm
|
PVC
|
3000 mm
|
760 °C
|
100 °C
|
-20 °C
|
3 mm
|
| ||
K tyyppi 0-1260°C 100x3mm PVC L=3m
Tuotenumero:
TC40-14358610
Kopioitu!
|
100 mm
|
PVC
|
3000 mm
|
1260 °C
|
100 °C
|
-20 °C
|
3 mm
|
| ||
K tyyppi 0-1260°C 250x3mm PVC L=3m
Tuotenumero:
TC40-14358607
Kopioitu!
|
250 mm
|
PVC
|
3000 mm
|
1260 °C
|
100 °C
|
-20 °C
|
3 mm
|
| ||
K tyyppi 0-1260°C 100x6mm PVC L=3m
Tuotenumero:
TC40-14358643
Kopioitu!
|
100 mm
|
PVC
|
3000 mm
|
1260 °C
|
100 °C
|
-20 °C
|
6 mm
|
| ||
K tyyppi 0-1260°C 250x6mm PVC L=3m
Tuotenumero:
TC40-14358640
Kopioitu!
|
250 mm
|
PVC
|
3000 mm
|
1260 °C
|
100 °C
|
-20 °C
|
6 mm
|
| ||
K tyyppi 0-1260°C 100x3mm Silikoni L=1m
Tuotenumero:
TC40-14358626
Kopioitu!
|
100 mm
|
Silikoni
|
1000 mm
|
1260 °C
|
200 °C
|
-50 °C
|
3 mm
|
| ||
K tyyppi 0-1260°C 250x3mm Silikoni L=1m
Tuotenumero:
TC40-14358623
Kopioitu!
|
250 mm
|
Silikoni
|
1000 mm
|
1260 °C
|
200 °C
|
-50 °C
|
3 mm
|
| ||
K tyyppi 0-1260°C 100x3mm Silikoni L=3m
Tuotenumero:
TC40-14358617
Kopioitu!
|
100 mm
|
Silikoni
|
3000 mm
|
1260 °C
|
200 °C
|
-50 °C
|
3 mm
|
| ||
K tyyppi 0-1260°C 250x3mm Silikoni L=3m
Tuotenumero:
TC40-14358618
Kopioitu!
|
250 mm
|
Silikoni
|
3000 mm
|
1260 °C
|
200 °C
|
-50 °C
|
3 mm
|
| ||
K tyyppi 0-1260°C 100x6mm Silikoni L=1m
Tuotenumero:
TC40-14358650
Kopioitu!
|
100 mm
|
Silikoni
|
1000 mm
|
1260 °C
|
200 °C
|
-50 °C
|
6 mm
|
| ||
K tyyppi 0-1260°C 100x6mm Silikoni L=3m
Tuotenumero:
TC40-14358644
Kopioitu!
|
100 mm
|
Silikoni
|
3000 mm
|
1260 °C
|
200 °C
|
-50 °C
|
6 mm
|
|
Valitse tuote listalta.