WIKA

Laipallinen termoelementti

TC10-F

TC10-F sarjan termoelementit on suunniteltu kiinnitettäviksi säiliöihin ja putkistoihin.
  • Mittaelementti tyypille K, J, E, N ja T
  • Mitta-alue -40-1200°C
  • Hitsattu putki laipalla
  • Vaihdettava mittaosa

Valitse tuote

Valitse tuote

Valitse tuote

Tekniset tiedot

Aineen kanssa kosketuksissa olevien osien materiaali Ruostumaton teräs 316Ti
Asennussyvyys 250 mm
IP-luokka IP65
Kaulan pituus 0,065 m
Kytkinkotelon materiaali Inoconel - 600
Max. käyttölämpötila 1200 °C
Max. painealue 16 bar
Max. termostaatin käyttölämpötila 80 °C
Min. käyttölämpötila -40 °C
Min. termostaatin käyttölämpötila -40 °C
Pistokkeen halkaisija 12 mm
Rungon materiaali Alumiini
Sisähalkaisija 7 mm

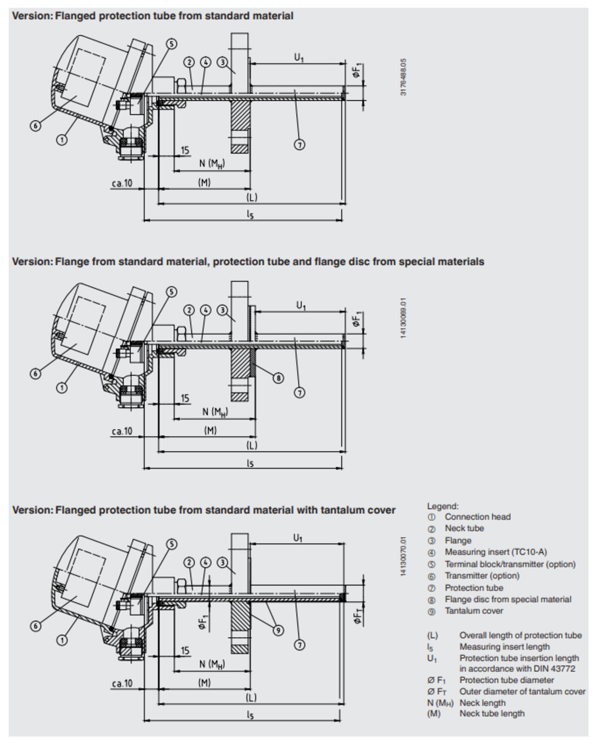
Mitat ja kytkennät

Tuotekuvaus

TC10-F-sarjan termoelementit on saatavilla standardien DIN EN ja ASME mukaisia laippoja. Nämä lämpötilamittapäät sopivat nestemäisille ja kaasumaisille väliaineille, joita käytetään kohtalaisella mekaanisella kuormalla. Mukana putkimateriaalista valmistettu TW40-mallinen suojatasku.

Tarvikkeet

Saatat olla kiinnostunut näistä



Äänitiedostot

Lisää luettavaa

Suosikit Tilausnumero: Asennussyvyys Max. käyttölämpötila Hinta
250 mm
1200 °C
160 mm
1200 °C
250 mm
1200 °C
160 mm
1200 °C
250 mm
750 °C
160 mm
750 °C

Valittu tuote

Valitse tuote listalta.

Teknisiä neuvoja

Niko Mäkelä

Tekninen myynti

Asiakaspalvelu
Asiakaspalvelumme vastaa kysymyksiin ja etsii ratkaisut ongelmiin. Heille voit jättää myös tilauksesi.
FAQ
+ Miten tullaan asiakkaaksenne?
+ Olen sopinut puskurivarastosta, voinko tilata verkkokaupan kautta?
+ Voiko samalla tilillä olla useita käyttäjiä?
+ Voiko samassa tilauksessa olla useampia toimituspäiviä?
+ Voiko tilauksen toimittaa väliaikaiseen toimitusosoitteeseen?
Chatti
Tarvitsetko apua?
Logo

Evästeet oem.fi sivustolla

Evästeiden avulla voimme palvella sinua paremmin ja varmistamme sivuston sujuvan toiminnan. Voit hallinnoida evästeasetuksia koska tahansa.

Toiminnalliset evästeet

Nämä evästeet ovat välttämättömiä verkkosivuston toimimiseksi, eikä niitä voi poistaa käytöstä järjestelmissämme. Niitä käytetään yleensä vain vastauksena toimiin, jotka olet tehnyt palvelupyynnön yhteydessä, esimerkiksi henkilökohtaisten asetusten määrittämisen, kirjautumisen tai lomakkeen täyttämisen yhteydessä.

Tilastolliset evästeet

Tilastollisten evästeiden avulla seuraamme verkkosivustomme kävijöiden toimintaa ja teemme analyyseja, joiden avulla voimme optimoida verkkosivustoamme. Tämä tarkoittaa, että voimme kehittää sivustoamme toimivammaksi ja palvelemaan kävijöitä paremmin. Jos et hyväksy näitä evästeitä, emme tiedä, milloin olet käynyt sivustollamme. Voit kuitenkin käyttää sivustoamme normaalisti.

Markkinointievästeet

Markkinointievästeiden avulla voimme kohdentaa sinulle mainoksia eri verkkosivustoilla tai sisältöä sosiaalisessa mediassa. Näitä evästeitä asettavat kolmannen osapuolen mainonta- ja kohdistustyökalut. Evästeiden kautta nämä toimijat voivat muodostaa profiilin kiinnostuksesi kohteista. Jos et hyväksy näitä evästeitä, et näe kohdennettua markkinointia etkä mahdollisesti voi käyttää sosiaalisen median jakotyökaluja.