| Aineen kanssa kosketuksissa olevien osien materiaali | Inoconel - 600 |
|---|---|
| Asennussyvyys | 150 mm |
| IP-luokka | IP65 |
| Kaulan pituus | 0,05 m |
| Kytkinkotelon materiaali | Ruostumaton teräs 316Ti |
| Max. käyttölämpötila | 1200 °C |
| Max. ympäristön lämpötila | 80 °C |
|---|---|
| Min. käyttölämpötila | -40 °C |
| Min. ympäristön lämpötila | -40 °C |
| Pistokkeen halkaisija | 6 mm |
| Rungon materiaali | Alumiini |
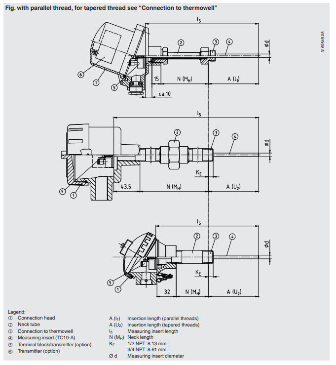
Tämän sarjan termoelementtit voidaan liittää lukuisiin suojataskumalleihin. Käyttö ilman suojataskua on suositeltavaa ainoastaan erikoistapauksissa.
Lämpötila-antureihin on saatavilla laaja valikoima mahdollisia anturien ja liitäntäpäiden yhdistelmiä, mittauskärkien pituuksia, kaulan pituuksia, suojataskuliitäntöjä jne., jotka sopivat minkä tahansa kokoiseen suojataskuun ja mihin tahansa käyttökohteeseen.
Onko vihreä vety seuraava suomalainen menestystarina? Ota OEM mukaan matkallesi!
Ubitec aloitti syksyllä 2021 projektin yhdessä Naistenlahden sähkölaitoksen kanssa, jossa sähkölaitokseen rakennettiin uusi kattilalaitos Naistenlahti 3 korvasi yli 40 vuotta vanhan Naistenlahti 2 -voimalaitosyksikön. Myös OEM oli tiiviisti mukana projektissa, joka vaati syvää tietämystä tuotteista.
Lämpötila tarkkailussa? Autamme sinua valitsemaan sopivan tuotteen lämpötilan seurantaan.
Ylitäytetyt energiansiirtoketjut ovat yleinen näky monissa teollisuuden sovelluksissa. Tutustu artikkelissa, mitä haittoja tästä aiheutuu.
iguksen ainutlaatuinen DNV GL -hyväksyntäjärjestelmä elektroniikkakaapeleille tarjoaa käyttäjälle monenlaisia etuja.
Kaapeleiden valmistuksessa on olemassa useampia erilaisia tapoja jolla jolla johtimet kierretään. Datakaapeleiden valmistuksessa käytetään kolme erilaista tapaa : kerroksittain kierretyt johtimet, parikierretyt johtimet (twisted pair) sekä nelikierre (star-quad).
|
|
|
|
|
|
||
|---|---|---|---|---|---|---|
|
|
|
|
|
|
||
|
|
|
|
|
|
||
|
|
|
|
|
|
||
|
|
|
|
|
|
||
|
|
|
|
|
|
||
|
|
|
|
|
|
| Suosikit | Tilausnumero: | Asennussyvyys | Kaulan pituus | Max. käyttölämpötila | Hinta | |
|---|---|---|---|---|---|---|
K Tyyppi -40-1200°C 150x6mm G1/2" NL=50mm
Tuotenumero:
TC10B-14365198
Kopioitu!
|
150 mm
|
0,05 m
|
1200 °C
|
|
||
J Tyyppi -40-750°C 150x6mm G1/2" NL=50mm
Tuotenumero:
TC10B-14365193
Kopioitu!
|
150 mm
|
0,05 m
|
750 °C
|
|
||
N Tyyppi -40-1200°C 150x6mm G1/2" NL=50mm
Tuotenumero:
TC10B-14365205
Kopioitu!
|
150 mm
|
0,05 m
|
1200 °C
|
|
||
K Tyyppi -40-1200°C 250x6mm G1/2" NL=50mm
Tuotenumero:
TC10B-14365201
Kopioitu!
|
250 mm
|
0,05 m
|
1200 °C
|
|
||
J Tyyppi -40-750°C 250x6mm G1/2" NL=50mm
Tuotenumero:
TC10B-14365197
Kopioitu!
|
250 mm
|
0,05 m
|
750 °C
|
|
||
N Tyyppi -40-1200°C 250x6mm G1/2" NL=50mm
Tuotenumero:
TC10B-14365207
Kopioitu!
|
250 mm
|
0,05 m
|
1200 °C
|
|
||
K Tyyppi -40-1200°C 150x6mm G1/2" NL=150mm
Tuotenumero:
TC10B-14365206
Kopioitu!
|
150 mm
|
0,15 m
|
1200 °C
|
|
||
J Tyyppi -40-750°C 150x6mm G1/2" NL=150mm
Tuotenumero:
TC10B-14365202
Kopioitu!
|
150 mm
|
0,15 m
|
750 °C
|
|
||
N Tyyppi -40-1200°C 150x6mm G1/2" NL=150mm
Tuotenumero:
TC10B-14365209
Kopioitu!
|
150 mm
|
0,15 m
|
1200 °C
|
|
||
K Tyyppi -40-1200°C 250x6mm G1/2" NL=150mm
Tuotenumero:
TC10B-14365204
Kopioitu!
|
250 mm
|
0,15 m
|
1200 °C
|
|
||
J Tyyppi -40-750°C 250x6mm G1/2" NL=150mm
Tuotenumero:
TC10B-14365200
Kopioitu!
|
250 mm
|
0,15 m
|
750 °C
|
|
||
N Tyyppi -40-1200°C 250x6mm G1/2" NL=150mm
Tuotenumero:
TC10B-14365208
Kopioitu!
|
250 mm
|
0,15 m
|
1200 °C
|
|
Valitse tuote listalta.