Asennus | Itsenäinen |
---|---|
Iskun pituus | 25 mm |
Liitäntä ilmalle | G1/8 |
Materiaali männän varren tiiviste | Nitriili |
Materiaalin tarjoaja | Alumiini |
Max. hiukkaskoko | 50 µm |
Max. käyttölämpötila | 75 °C |
Max. työpaine | 10 bar |
Max. öljyn määrä | 5 mg/m³ |
Min. käyttölämpötila | -20 °C |
Min. työpaine | 2 bar |
Männän halkaisija | 32 mm |
Männän tiivisteen materiaali | Nitriili |
Männän varren materiaali | Ruostumaton teräs |
---|---|
Männän voima avautuessa | 480 N |
Männän voima sulkeutuessa | 420 N |
Männänvarren kierre | M10x1,25 |
Paino | 0,45 kg |
Standardit | ISO 6431 |
Sylinterin materiaali | Anodisoitu alumiini |
Tiivisteen materiaali | Nitriili |
Toiminta | Kaksitoiminen |
Vaimennuksen energia | 2,3 J |
Vaimennuksen pituus | 13,5 mm |
Väliaine | Ilmanpaine |
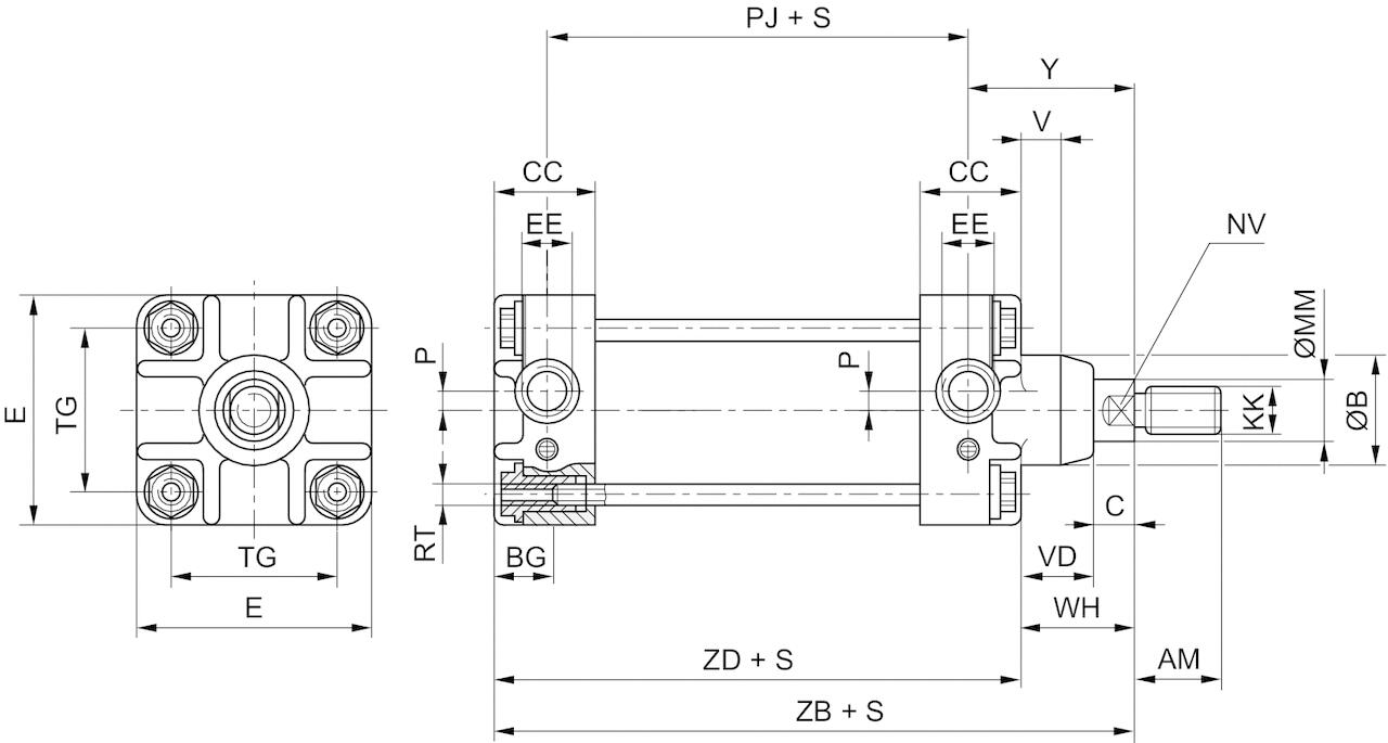
Kaksitoiminen sylinteri, joka täyttää ISO-standardin 6431 vaatimukset. Poikkeuksena Ø25 mm sylinterikoko, joka ei ole 6431 mukainen. Tämä tarkoittaa, että kaikki standardin mukaiset sylinterit ovat vaihdettavissa, jos niillä on sama männän halkaisija ja iskun pituus.
Sylinterissä on vakiona magneettimäntä ja säädettävä pneumaattinen päätyvaimennus. Sylinterin rajatietojen anturointi vaatii kiinnikeet sidepulttirakenteen takia. Näistä löytyy tarkemmin tietoa datalehdestä, tai ottamalla yhteyttä meihin.
Pneumatiikkaan kehitettyjä Sitek-tuotteita on mahdollista räätälöidä asiakkaiden tarpeiden mukaisesti optimaalisten laitekokonaisuuksien toteuttamiseksi.
Aventics tarjoaa laajan valikoiman paineilmasylintereitä, jotka vastaavat eri teollisuudenalojen tarpeisiin. Meiltä löydät sopivan ratkaisun!
OEM maahantuo ja varastoi Suomessa Aventics sylinterit ja pneumatiikkaratkaisut. Lue lisää!
Aventicsilla on pitkä historia pneumaattisen teollisuuden alalla ja se on yksi maailman johtavista valmistajista.
Asco Aventicsilta löytyy kovaan käyttöön sylinteri, johon on mahdollista vaihtaa männänvarren tiiviste irrottamalla ainoastaan sylinterin etupään.
Laadukas valaistus ei ole pelkästään riittävä määrä valoa, vaan siihen liittyy useita teknisiä ja kokemuksellisia tekijöitä, kuten mm. värintoisto, häikäisy, energiatehokkuus ja käyttöikä.
|
|
|
|
|
||
---|---|---|---|---|---|---|
|
|
|
|
|
||
|
|
|
|
|
||
|
|
|
|
|
||
|
|
|
|
|
||
|
|
|
|
|
||
|
|
|
|
|
Suosikit | Tilausnumero: | Iskun pituus | Liitäntä ilmalle | Männän halkaisija | Männän voima avautuessa | Männän voima sulkeutuessa | Männänvarren kierre | Paino | Vaimennuksen pituus | Hinta | |
---|---|---|---|---|---|---|---|---|---|---|---|
![]()
167-DA, Ø32 mm, isku 25 mm
Tuotenumero:
167-1670302000
Kopioitu!
|
25 mm
|
G1/8
|
32 mm
|
480 N
|
420 N
|
M10x1,25
|
0,45 kg
|
13,5 mm
|
| ||
![]()
167-DA, Ø32 mm, isku 50 mm
Tuotenumero:
167-1670305000
Kopioitu!
|
50 mm
|
G1/8
|
32 mm
|
480 N
|
420 N
|
M10x1,25
|
0,45 kg
|
13,5 mm
|
| ||
![]()
167-DA, Ø32 mm, isku 80 mm
Tuotenumero:
167-1670308000
Kopioitu!
|
80 mm
|
G1/8
|
32 mm
|
480 N
|
420 N
|
M10x1,25
|
0,45 kg
|
13,5 mm
|
| ||
![]()
167-DA, Ø40 mm, isku 25 mm
Tuotenumero:
167-1670402000
Kopioitu!
|
25 mm
|
G1/4
|
40 mm
|
760 N
|
640 N
|
M12x1,25
|
0,76 kg
|
15 mm
|
| ||
![]()
167-DA, Ø40 mm, isku 50 mm
Tuotenumero:
167-1670405000
Kopioitu!
|
50 mm
|
G1/4
|
40 mm
|
760 N
|
640 N
|
M12x1,25
|
0,76 kg
|
15 mm
|
| ||
![]()
167-DA, Ø40 mm, isku 80 mm
Tuotenumero:
167-1670408000
Kopioitu!
|
80 mm
|
G1/4
|
40 mm
|
760 N
|
640 N
|
M12x1,25
|
0,76 kg
|
15 mm
|
| ||
![]()
167-DA, Ø40 mm, isku 100 mm
Tuotenumero:
167-1670410000
Kopioitu!
|
100 mm
|
G1/4
|
40 mm
|
760 N
|
640 N
|
M12x1,25
|
0,76 kg
|
15 mm
|
| ||
![]()
167-DA, Ø40 mm, isku 160 mm
Tuotenumero:
167-1670416000
Kopioitu!
|
160 mm
|
G1/4
|
40 mm
|
760 N
|
640 N
|
M12x1,25
|
0,76 kg
|
15 mm
|
| ||
![]()
167-DA, Ø50 mm, isku 25 mm
Tuotenumero:
167-1670502000
Kopioitu!
|
25 mm
|
G1/4
|
50 mm
|
1180 N
|
990 N
|
M16x1,5
|
1,1 kg
|
17 mm
|
| ||
![]()
167-DA, Ø50 mm, isku 50 mm
Tuotenumero:
167-1670505000
Kopioitu!
|
50 mm
|
G1/4
|
50 mm
|
1180 N
|
990 N
|
M16x1,5
|
1,1 kg
|
17 mm
|
| ||
![]()
167-DA, Ø50 mm, isku 80 mm
Tuotenumero:
167-1670508000
Kopioitu!
|
80 mm
|
G1/4
|
50 mm
|
1180 N
|
990 N
|
M16x1,5
|
1,1 kg
|
17 mm
|
| ||
![]()
167-DA, Ø63 mm, isku 50 mm
Tuotenumero:
167-1670605000
Kopioitu!
|
50 mm
|
G3/8"
|
63 mm
|
1860 N
|
1680 N
|
M16x1,5
|
1,7 kg
|
16,5 mm
|
| ||
![]()
167-DA, Ø63 mm, isku 125 mm
Tuotenumero:
167-1670612000
Kopioitu!
|
125 mm
|
G3/8"
|
63 mm
|
1860 N
|
1680 N
|
M16x1,5
|
1,7 kg
|
16,5 mm
|
| ||
![]()
167-DA, Ø80 mm, isku 100 mm
Tuotenumero:
167-1670810000
Kopioitu!
|
100 mm
|
G3/8"
|
80 mm
|
3000 N
|
2720 N
|
M20x1,5
|
2,5 kg
|
19,5 mm
|
| ||
![]()
167-DA, Ø80 mm, isku 160 mm
Tuotenumero:
167-1670816000
Kopioitu!
|
160 mm
|
G3/8"
|
80 mm
|
3000 N
|
2720 N
|
M20x1,5
|
2,5 kg
|
19,5 mm
|
| ||
![]()
167-DA, Ø80 mm, isku 200 mm
Tuotenumero:
167-1670820000
Kopioitu!
|
200 mm
|
G3/8"
|
80 mm
|
3000 N
|
2720 N
|
M20x1,5
|
2,5 kg
|
19,5 mm
|
| ||
![]()
167-DA, Ø80 mm, isku 200 mm
Tuotenumero:
167-1671020000
Kopioitu!
|
200 mm
|
G3/8"
|
100 mm
|
4860 N
|
4230 N
|
M20x1,5
|
3,7 kg
|
19,5 mm
|
|
Valitse tuote listalta.
Rami Raekangas