Erilaiset päätypalasarjat mahdollistavat monipuoliset asennustavat ketjuille.
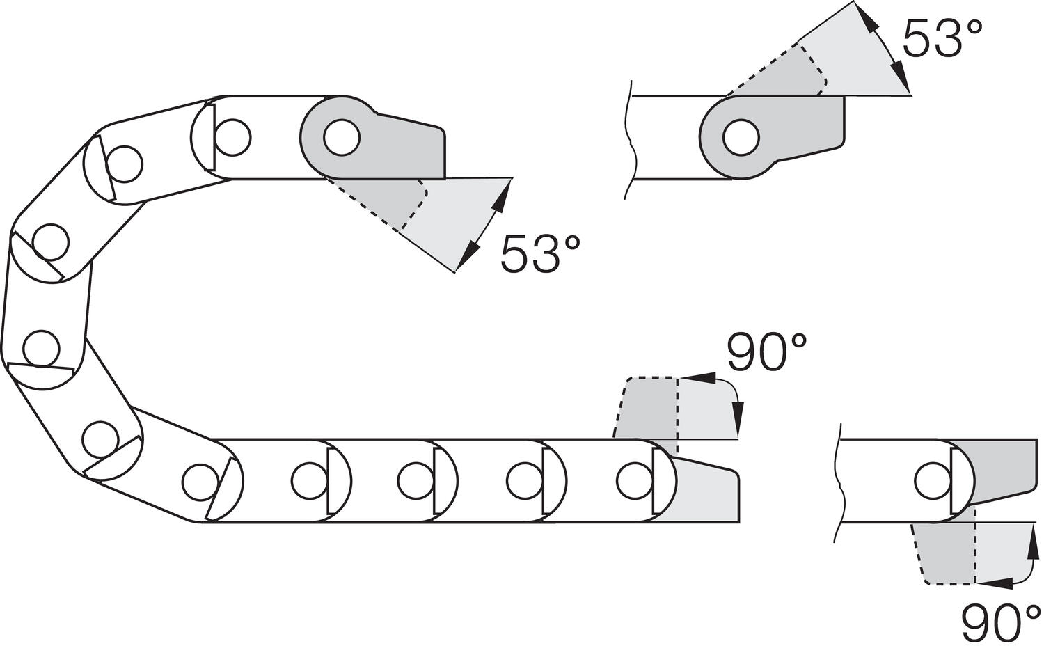
Lukkiutuvat päätysarjat nopeille liikkeille sekä roikkuville ja seisoville asennuksille.
Kääntyvät päätypalat itsekantaviin ja liukuviin asennuksiin.
 
              Igus vie kaapelinhallinnan uudelle tasolle kahdella huippuluokan energiansiirtoketjusarjoilla: E2.1 ja E4Q.
 
              Modernisoi pesulaitos älykkäillä igus-energiansiirtoketjuilla ja vältä käyttökatkokset ennakoivalla huollolla!
 
              Kokoamme ketjut ja lisäämme päätykiinnikesarjan. Tarvittaessa laitamme myös kaapelit ja letkut, välijakajat ja muut tarvikkeet ketjun sisään valmiiksi.
 
              Puun käsittelyssä sahalaitoksissa on monta eri vaihetta, joissa kaikissa on käytössä erilaisia laitteita ja komponentteja. Meiltä löydät etsimäsi tuotteet ja varaosat sahan eri työvaiheisiin.
 
              isense-anturin avulla energiaketjun reaaliaikainen valvonta ja kunnossapito on helpompaa ja kustannustehokkaampaa koko sen käyttöiän ajan.
 
              igus® tuo markkinoille 100 % kierrätysmuovista valmistetun energiansiirtoketjusarjan.
|  |  |  |  |  | ||
|---|---|---|---|---|---|---|
|  |  |  |  |  | ||
|  |  |  |  |  | ||
|  |  |  |  |  | ||
|  |  |  |  |  | ||
|  |  |  |  |  | ||
|  |  |  |  |  | 
| Suosikit | Tilausnumero: | Leveys, ulkoinen | Sisäleveys | Väri | Hinta | |
|---|---|---|---|---|---|---|
|   
      
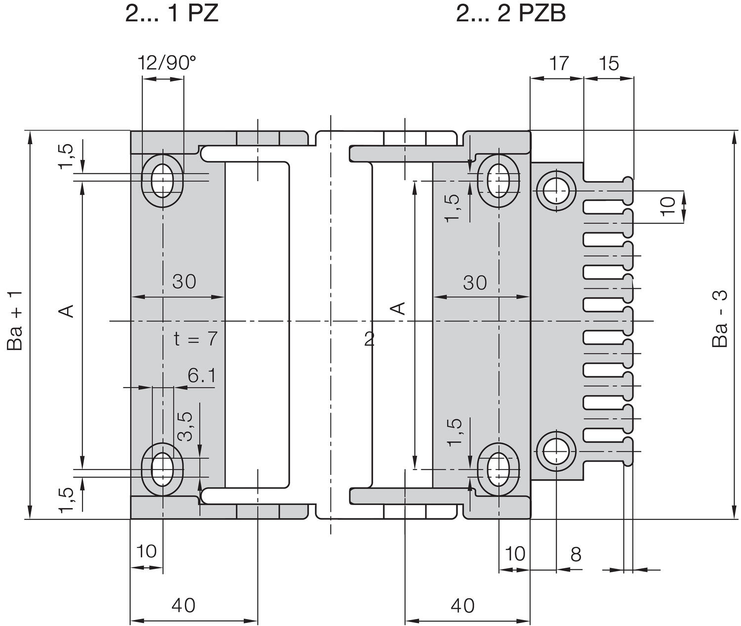
        Lukkiutuva päätykiinnikesarja
      
      
       
        Tuotenumero:
         
          
            2020.12PZ+
          
          Kopioitu!
         | 
            41 mm
            
            
           | 
            25 mm
            
            
           | 
            Musta 
            
            
           |  | ||
|   
      
        Lukkiutuva päätykiinnikesarja sis. vedonpoistokampa
      
      
       
        Tuotenumero:
         
          
            2020.12PZB
          
          Kopioitu!
         | 
            41 mm
            
            
           | 
            25 mm
            
            
           | 
            Musta 
            
            
           |  | ||
|   
      
        Kääntyvä päätykiinnikesarja
      
      
       
        Tuotenumero:
         
          
            2020.34PZ+
          
          Kopioitu!
         | 
            41 mm
            
            
           | 
            25 mm
            
            
           | 
            Musta 
            
            
           |  | ||
|   
      
        Kääntyvä päätykiinnikesarja sis. vedonpoistokampa
      
      
       
        Tuotenumero:
         
          
            2020.34PZB
          
          Kopioitu!
         | 
            41 mm
            
            
           | 
            25 mm
            
            
           | 
            Musta 
            
            
           |  | ||
|   
      
        Lukkiutuva päätykiinnikesarja
      
      
       
        Tuotenumero:
         
          
            2030.12PZ+
          
          Kopioitu!
         | 
            54 mm
            
            
           | 
            38 mm
            
            
           | 
            Musta 
            
            
           |  | ||
|   
      
        Lukkiutuva päätykiinnikesarja sis. vedonpoistokampa
      
      
       
        Tuotenumero:
         
          
            2030.12PZB
          
          Kopioitu!
         | 
            54 mm
            
            
           | 
            38 mm
            
            
           | 
            Musta 
            
            
           |  | ||
|   
      
        Kääntyvä päätykiinnikesarja
      
      
       
        Tuotenumero:
         
          
            2030.34PZ+
          
          Kopioitu!
         | 
            54 mm
            
            
           | 
            38 mm
            
            
           | 
            Musta 
            
            
           |  | ||
|   
      
        Kääntyvä päätykiinnikesarja sis. vedonpoistokampa
      
      
       
        Tuotenumero:
         
          
            2030.34PZB
          
          Kopioitu!
         | 
            54 mm
            
            
           | 
            38 mm
            
            
           | 
            Musta 
            
            
           |  | ||
|   
      
        Lukkiutuva päätykiinnikesarja
      
      
       
        Tuotenumero:
         
          
            2050.12PZ+
          
          Kopioitu!
         | 
            73 mm
            
            
           | 
            57 mm
            
            
           | 
            Musta 
            
            
           |  | ||
|   
      
        Lukkiutuva päätykiinnikesarja sis. vedonpoistokampa
      
      
       
        Tuotenumero:
         
          
            2050.12PZB
          
          Kopioitu!
         | 
            73 mm
            
            
           | 
            57 mm
            
            
           | 
            Musta 
            
            
           |  | ||
|   
      
        Kääntyvä päätykiinnikesarja
      
      
       
        Tuotenumero:
         
          
            2050.34PZ+
          
          Kopioitu!
         | 
            73 mm
            
            
           | 
            57 mm
            
            
           | 
            Musta 
            
            
           |  | ||
|   
      
        Kääntyvä päätykiinnikesarja sis. vedonpoistokampa
      
      
       
        Tuotenumero:
         
          
            2050.34PZB
          
          Kopioitu!
         | 
            73 mm
            
            
           | 
            57 mm
            
            
           | 
            Musta 
            
            
           |  | ||
|   
      
        Lukkiutuva päätykiinnikesarja
      
      
       
        Tuotenumero:
         
          
            2070.12PZ+
          
          Kopioitu!
         | 
            93 mm
            
            
           | 
            77 mm
            
            
           | 
            Musta 
            
            
           |  | ||
|   
      
        Lukkiutuva päätykiinnikesarja sis. vedonpoistokampa
      
      
       
        Tuotenumero:
         
          
            2070.12PZB
          
          Kopioitu!
         | 
            93 mm
            
            
           | 
            77 mm
            
            
           | 
            Musta 
            
            
           |  | ||
|   
      
        Kääntyvä päätykiinnikesarja
      
      
       
        Tuotenumero:
         
          
            2070.34PZ+
          
          Kopioitu!
         | 
            93 mm
            
            
           | 
            77 mm
            
            
           | 
            Musta 
            
            
           |  | ||
|   
      
        Kääntyvä päätykiinnikesarja sis. vedonpoistokampa
      
      
       
        Tuotenumero:
         
          
            2070.34PZB
          
          Kopioitu!
         | 
            93 mm
            
            
           | 
            77 mm
            
            
           | 
            Musta 
            
            
           |  | ||
|   
      
        Lukkiutuva päätykiinnikesarja
      
      
       
        Tuotenumero:
         
          
            2090.12PZ+
          
          Kopioitu!
         | 
            105 mm
            
            
           | 
            89 mm
            
            
           | 
            Musta 
            
            
           |  | ||
|   
      
        Lukkiutuva päätykiinnikesarja sis. vedonpoistokampa
      
      
       
        Tuotenumero:
         
          
            2090.12PZB
          
          Kopioitu!
         | 
            105 mm
            
            
           | 
            89 mm
            
            
           | 
            Musta 
            
            
           |  | ||
|   
      
        Kääntyvä päätykiinnikesarja
      
      
       
        Tuotenumero:
         
          
            2090.34PZ+
          
          Kopioitu!
         | 
            105 mm
            
            
           | 
            89 mm
            
            
           | 
            Musta 
            
            
           |  | ||
|   
      
        Kääntyvä päätykiinnikesarja sis. vedonpoistokampa
      
      
       
        Tuotenumero:
         
          
            2090.34PZB
          
          Kopioitu!
         | 
            105 mm
            
            
           | 
            89 mm
            
            
           | 
            Musta 
            
            
           |  | ||
|   
      
        Lukkiutuva päätykiinnikesarja
      
      
       
        Tuotenumero:
         
          
            2100.12PZ+
          
          Kopioitu!
         | 
            119 mm
            
            
           | 
            103 mm
            
            
           | 
            Musta 
            
            
           |  | ||
|   
      
        Lukkiutuva päätykiinnikesarja sis. vedonpoistokampa
      
      
       
        Tuotenumero:
         
          
            2100.12PZB
          
          Kopioitu!
         | 
            119 mm
            
            
           | 
            103 mm
            
            
           | 
            Musta 
            
            
           |  | ||
|   
      
        Kääntyvä päätykiinnikesarja
      
      
       
        Tuotenumero:
         
          
            2100.34PZ+
          
          Kopioitu!
         | 
            119 mm
            
            
           | 
            103 mm
            
            
           | 
            Musta 
            
            
           |  | ||
|   
      
        Kääntyvä päätykiinnikesarja sis. vedonpoistokampa
      
      
       
        Tuotenumero:
         
          
            2100.34PZB
          
          Kopioitu!
         | 
            119 mm
            
            
           | 
            103 mm
            
            
           | 
            Musta 
            
            
           |  | ||
|   
      
        Lukkiutuva päätykiinnikesarja
      
      
       
        Tuotenumero:
         
          
            2125.12PZ+
          
          Kopioitu!
         | 
            141 mm
            
            
           | 
            125 mm
            
            
           | 
            Musta 
            
            
           |  | ||
|   
      
        Lukkiutuva päätykiinnikesarja sis. vedonpoistokampa
      
      
       
        Tuotenumero:
         
          
            2125.12PZB
          
          Kopioitu!
         | 
            141 mm
            
            
           | 
            125 mm
            
            
           | 
            Musta 
            
            
           |  | ||
|   
      
        Kääntyvä päätykiinnikesarja
      
      
       
        Tuotenumero:
         
          
            2125.34PZ+
          
          Kopioitu!
         | 
            141 mm
            
            
           | 
            125 mm
            
            
           | 
            Musta 
            
            
           |  | ||
|   
      
        Kääntyvä päätykiinnikesarja sis. vedonpoistokampa
      
      
       
        Tuotenumero:
         
          
            2125.34PZB
          
          Kopioitu!
         | 
            141 mm
            
            
           | 
            125 mm
            
            
           | 
            Musta 
            
            
           |  | ||
|   
      
        Teräksinen päätykiinnikesarja  E2/000
      
      
       
        Tuotenumero:
         
          
            2000.32
          
          Kopioitu!
         |  |  |  |  | 
Valitse tuote listalta.
 
            
        Peetu Aramo