DATASENSING

AS1 valoverho, korkeus 100 mm

Datalogic AS1 valoverho on soveltuva kohteisiin, jossa kappaleen tunnistus täytyy tapahtua laajemmalta alueelta. Säteet menevät jokaisesta jokaiseen, joten AS1 soveltuu myös pienien kohteiden tunnistukseen.

 

Korkea resoluutiomallin (HR) ohjelmointi

Ohj. nro

SEL_RX

SEL_TX

Resoluutio

Reaktioaika (ms)

1

0 V DC tai vapaa

0 V DC tai vapaa

Matala

2,75

2

0 V DC tai vapaa

24 V DC

Keski/matala

3

3

24 V DC

0 V DC tai vapaa

Keski/matala

7,75

4

24 V DC

24 V DC

Korkea

8

 

265022_812.eps

265023_812.eps

265024_812.eps

Ohj. nro 1:
korkea nopeus/matala resoluuio
Pienin tunnistettava kohde
0,4 (paksuus) x 100 (leveys) mm
Sylinterimalliset=Ø6 mm

Ohj. nro 2:
korkea nopeus/ keski resoluutio keskellä
Pienin tunnistettava kohde
0,4 (paksuus) x 90 (leveys) mm
Sylinterimalliset=Ø6 mm

Ohj. nro 3-4:
matala nopeus/korkea resoluutio
Pienin tunnistettava kohde
0,2 (paksuus) x 75 (leveys) mm
Sylinterimalliset=Ø6 mm

 

Standardi resoluutio malli

265025_812.eps

Pienin tunnistettava kohde
0,2 (paksuus) x 200 (leveys) mm
Sylinterimalliset=Ø6 mm

 

 

Kytkentä

Indikointi ja asetukset

 

265019_812.eps

Potentiometrimalleissa lähetin on varustettu potikalla,
jolla käyttäjä voi muuttaa säteiden tehoa. Tehon
vähennys voi olla hyödyllistä mm. läpinäkyvillä
kohteilla ja jos täyttä tunnistusetäisyyttä ei tarvita.

Vastaanotin (RX)

Lähetin (TX)

265014_812.eps

265015_812.eps

Potentiometrimallit

Vastaanotin (RX)

Lähetin (TX)

265016_812.eps

265017_812.eps

 

 

 

Lue lisää
  • Jokainen säde jokaiseen
  • Pienin tunnistettava kohde 0,2x75 mm tai Ø6 mm
  • Tunnistusetäisyys 3 m

Valitse tuote

Valitse tuote

Valitse tuote

Tekniset tiedot

Tiedot

Anturin toimintaperiaate Valoverho
Max. etäisyys 2100 mm
Min. etäisyys 300 mm
Käyttöjännite 24 V DC
Ulostulo PNP
Liitäntätyyppi M12-liitin, 5-napainen, M12-liitin, 4-napainen
Paino 300 g
Valon tyyppi IR LED
IP-luokka IP65
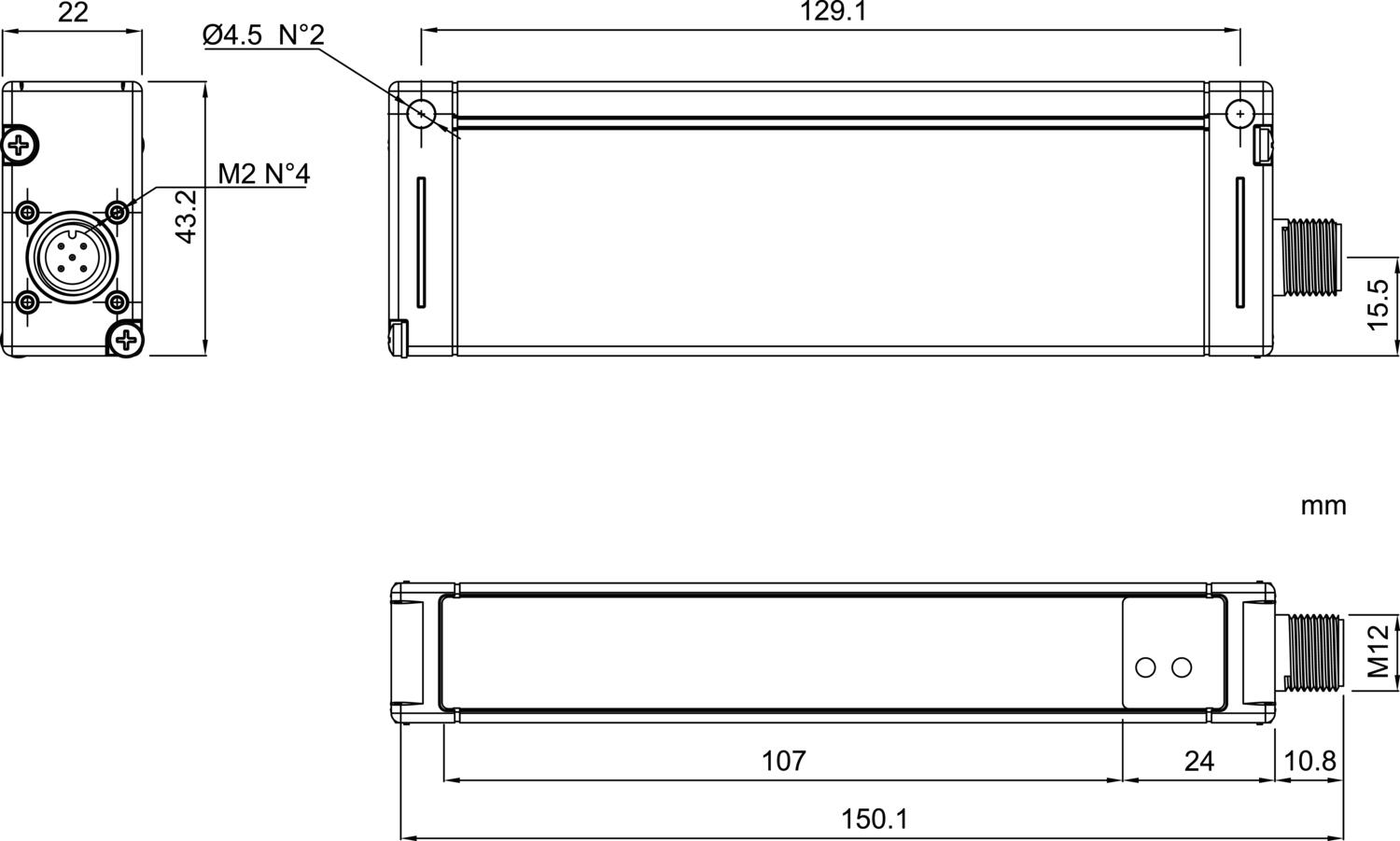
Mitat (mm) 22 x 43 x 150
Reaktioaika 2,75 ms
LED-indikointi Kyllä

*Invisible Heading*

Linssin materiaali PMMA
Rungon materiaali Alumiini
Max. ulostulovirta 0,1 A
Max. virrankulutus 0,15 A
Max. käyttölämpötila 50 °C
Min. käyttölämpötila 0 °C
Max. varastointilämpötila 70 °C
Min. varastointilämpötila -25 °C
Hyväksynnät CE, cULus
Tunnistuskorkeus 100 mm

Tuotekuvaus

Datalogic AS1 valoverho on soveltuva kohteisiin, jossa kappaleen tunnistus täytyy tapahtua laajemmalta alueelta. Säteet menevät jokaisesta jokaiseen, joten AS1 soveltuu myös pienien kohteiden tunnistukseen.

 

Korkea resoluutiomallin (HR) ohjelmointi

Ohj. nro

SEL_RX

SEL_TX

Resoluutio

Reaktioaika (ms)

1

0 V DC tai vapaa

0 V DC tai vapaa

Matala

2,75

2

0 V DC tai vapaa

24 V DC

Keski/matala

3

3

24 V DC

0 V DC tai vapaa

Keski/matala

7,75

4

24 V DC

24 V DC

Korkea

8

 

265022_812.eps

265023_812.eps

265024_812.eps

Ohj. nro 1:
korkea nopeus/matala resoluuio
Pienin tunnistettava kohde
0,4 (paksuus) x 100 (leveys) mm
Sylinterimalliset=Ø6 mm

Ohj. nro 2:
korkea nopeus/ keski resoluutio keskellä
Pienin tunnistettava kohde
0,4 (paksuus) x 90 (leveys) mm
Sylinterimalliset=Ø6 mm

Ohj. nro 3-4:
matala nopeus/korkea resoluutio
Pienin tunnistettava kohde
0,2 (paksuus) x 75 (leveys) mm
Sylinterimalliset=Ø6 mm

 

Standardi resoluutio malli

265025_812.eps

Pienin tunnistettava kohde
0,2 (paksuus) x 200 (leveys) mm
Sylinterimalliset=Ø6 mm

 

 

Kytkentä

Indikointi ja asetukset

 

265019_812.eps

Potentiometrimalleissa lähetin on varustettu potikalla,
jolla käyttäjä voi muuttaa säteiden tehoa. Tehon
vähennys voi olla hyödyllistä mm. läpinäkyvillä
kohteilla ja jos täyttä tunnistusetäisyyttä ei tarvita.

Vastaanotin (RX)

Lähetin (TX)

265014_812.eps

265015_812.eps

Potentiometrimallit

Vastaanotin (RX)

Lähetin (TX)

265016_812.eps

265017_812.eps

 

 

 

Tarvikkeet

Saatat olla kiinnostunut näistä



Äänitiedostot

Lisää luettavaa

Suosikit Tilausnumero: Anturin toimintaperiaate Max. etäisyys Min. etäisyys Käyttöjännite Ulostulo Liitäntätyyppi Paino Valon tyyppi Reaktioaika Max. virrankulutus Hinta
Valoverho
2100 mm
300 mm
24 V DC
PNP
M12-liitin, 5-napainen, M12-liitin, 4-napainen
300 g
IR LED
2,75 ms
0,15 A
Valoverho
2100 mm
300 mm
24 V DC
PNP
M12-liitin, 5-napainen, M12-liitin, 4-napainen
300 g
IR LED
2,75 ms
0,15 A
Valoverho
2100 mm
300 mm
24 V DC
PNP
M12-liitin, 5-napainen, M12-liitin, 4-napainen
300 g
IR LED
2,75 ms
0,15 A
Valoverho
2100 mm
300 mm
24 V DC
PNP
M12-liitin, 5-napainen, M12-liitin, 4-napainen
300 g
IR LED
1,75 ms
0,15 A
Valoverho
3000 mm
800 mm
24 V DC
PNP
M12-liitin, 5-napainen, M12-liitin, 4-napainen
300 g
IR LED
1,75 ms
0,15 A
Valoverho
3000 mm
800 mm
24 V DC
PNP
M12-liitin, 5-napainen, M12-liitin, 4-napainen
300 g
IR LED
2,75 ms
0,15 A

Valittu tuote

Valitse tuote listalta.

Teknisiä neuvoja

Markus Vuoristo

Tuotepäällikkö

Asiakaspalvelu
Asiakaspalvelumme vastaa kysymyksiin ja etsii ratkaisut ongelmiin. Heille voit jättää myös tilauksesi.
FAQ
+ Miten tullaan asiakkaaksenne?
+ Olen sopinut puskurivarastosta, voinko tilata verkkokaupan kautta?
+ Voiko samalla tilillä olla useita käyttäjiä?
+ Voiko samassa tilauksessa olla useampia toimituspäiviä?
+ Voiko tilauksen toimittaa väliaikaiseen toimitusosoitteeseen?
Chatti
Tarvitsetko apua?
Logo

Evästeet oem.fi sivustolla

Evästeiden avulla voimme palvella sinua paremmin ja varmistamme sivuston sujuvan toiminnan. Voit hallinnoida evästeasetuksia koska tahansa.

Toiminnalliset evästeet

Nämä evästeet ovat välttämättömiä verkkosivuston toimimiseksi, eikä niitä voi poistaa käytöstä järjestelmissämme. Niitä käytetään yleensä vain vastauksena toimiin, jotka olet tehnyt palvelupyynnön yhteydessä, esimerkiksi henkilökohtaisten asetusten määrittämisen, kirjautumisen tai lomakkeen täyttämisen yhteydessä.

Tilastolliset evästeet

Tilastollisten evästeiden avulla seuraamme verkkosivustomme kävijöiden toimintaa ja teemme analyyseja, joiden avulla voimme optimoida verkkosivustoamme. Tämä tarkoittaa, että voimme kehittää sivustoamme toimivammaksi ja palvelemaan kävijöitä paremmin. Jos et hyväksy näitä evästeitä, emme tiedä, milloin olet käynyt sivustollamme. Voit kuitenkin käyttää sivustoamme normaalisti.

Markkinointievästeet

Markkinointievästeiden avulla voimme kohdentaa sinulle mainoksia eri verkkosivustoilla tai sisältöä sosiaalisessa mediassa. Näitä evästeitä asettavat kolmannen osapuolen mainonta- ja kohdistustyökalut. Evästeiden kautta nämä toimijat voivat muodostaa profiilin kiinnostuksesi kohteista. Jos et hyväksy näitä evästeitä, et näe kohdennettua markkinointia etkä mahdollisesti voi käyttää sosiaalisen median jakotyökaluja.