CROUZET CONTROL
Syr-line -sarjan aikareleet on tarkoitettu DIN-kiskoon asennettaviksi ja rele on vain 17,5 mm leveä. Syr-Line-sarjassa on läpinäkyvä suojakansi säätönuppien päällä tahattomien muutosten estämiseksi.
Yksinapaiset aikareleet kykenevät katkaisemaan 16 A (AC1) ja kaksinapaiset mallit kestävät 2x8 A (AC1). Sekä yksi- että kaksinapaiset mallit ovat vain 17,5 mm leveitä.
BM1R ja BM2R ovat monitoimireleitä, joissa on 12 erilaista säädettävää toimintoa.
| Aika-alue | 0,5-10 s, 0,05-1 min, 0,5-10 min, 0,05-1 h, 0,5-10 h, 0,05-1 d, 0,5-10 d | 
|---|---|
| Asennus | DIN-kiskoon | 
| Avautumisviive | 120 ms | 
| Hyväksynnät | CCC, CE, REACH, RoHS, UL | 
| Johdinala ilman holkkia | 1 x 0,5-3,3 mm², 2 x 0,5-1,5 mm² | 
| Katkaisukyky | 4000 VA / 90W @25°C | 
| Kotelon IP-luokka | IP40 | 
| Liittimien IP-luokka | IP20 | 
| Max. kytkentävirta | 16 A | 
| Max. käyttölämpötila | 60 °C | 
| Max. varastointilämpötila | 70 °C | 
| Min. käyttölämpötila | -20 °C | 
|---|---|
| Min. varastointilämpötila | -40 °C | 
| Monitoimi | Kyllä | 
| Paino | 70 g | 
| Sulkeutumisviive | 30 ms | 
| Syöttöjännite | 12-240V AC/DC | 
| Tehonkulutus | 1,5 W | 
| Toiminta | A - vetohidas, Ac - veto-/päästöhidas, At - vetohidas muistilla ja salpa-toiminnolla, B - säädettävä pulssiaika, C - päästöhidas, D - vilkku OFF-aloituksella, Di - vilkku ON-aloituksella, H - käänteinen vetohidas, Ht - käänteinen vetohidas muistilla ja salpa-toiminnolla, N - Safe-Guard, TL - sysäysrele (bistabiili), Tt - sysäystoiminta ajastuksella | 
| Toistotarkkuus | 0,5 % | 
| Ulostulo | Rele - yksi vaihtokosketin | 
 
                  
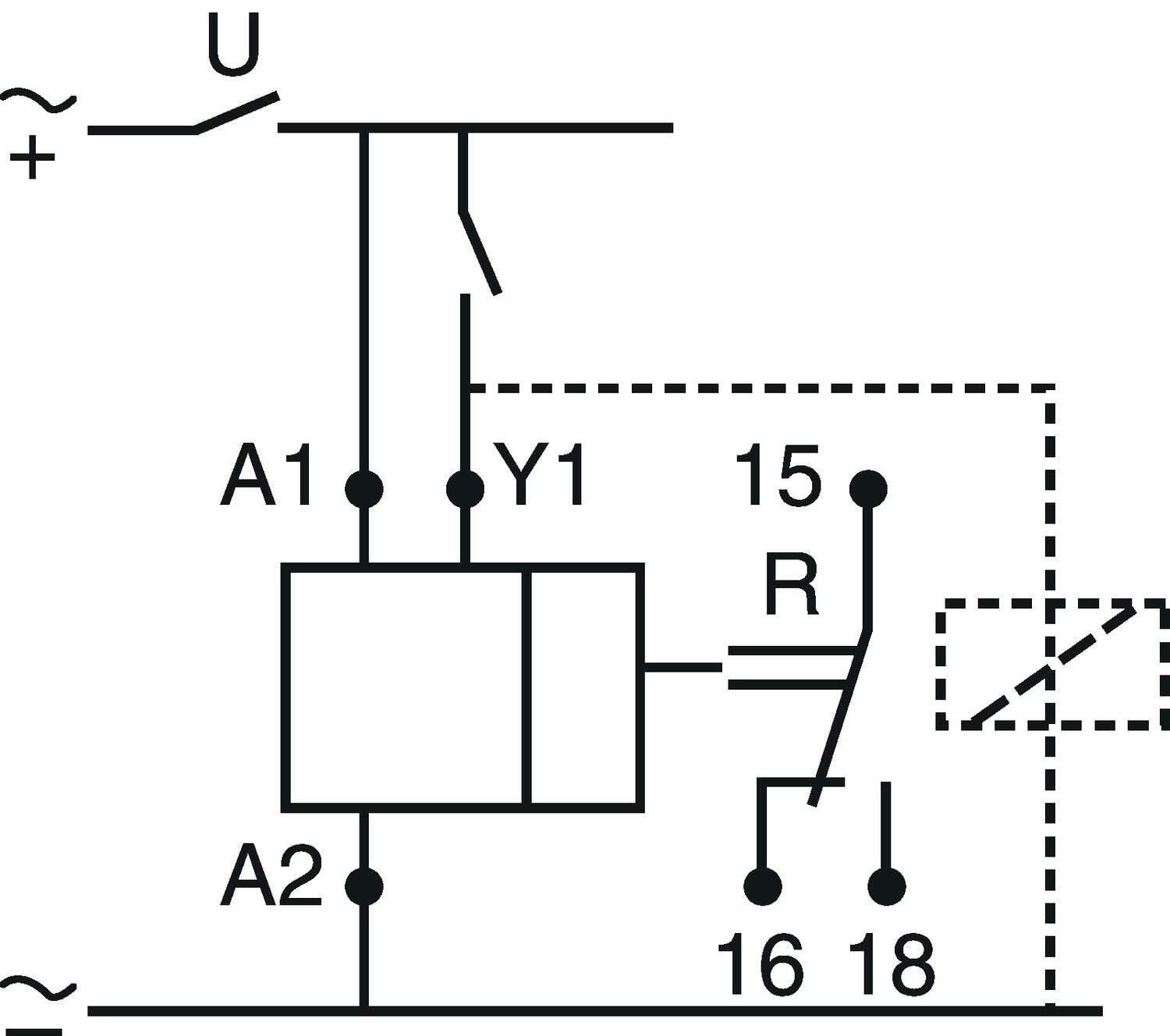
                    Vetohidas
Ajanlaskenta alkaa syöttöjännitteen A1-A2 kytkennästä. Säädetyn ajan T jälkeen lähtörele R vaihtaa tilasta
15-16 tilaan 15-18. Rele jää vetäneeksi, kunnes syöttöjännite katkeaa.
BM2R-releissä 2 ajastettua kärkeä tai 2. vaihtokärki hetitoimivana.
                  
 
                  
                    Veto-/päästöhidas
Kytketään ensiksi syöttöjännite A1-A2. Ohjauksen Y1 kytkennästä alkaa ensimmäinen ajanlaskenta T. 
Kun aseteltu aika T saavutetaan vaihtaa lähtörele R tilasta15-16 tilaan 15-18. Kun ohjaus Y1 kytketään pois alkaa toinen ajanlaskenta T ja rele palaa tilaan 15-16 kun aika T on kulunut. Aika T on molemmissa tilanteissa sama.
                  
 
                  
                    Vetohidas muistilla (salpa)
HUOM! Ohjaus Y1 täytyy olla kytkettynä kun syöttöjännite A1-A2 kytketään. Muuten saadaan A-toiminta.
At-toiminta summaa Y1-ohjauksen. Kun Y1 pois päältä, eli t1+t2 = T, niin lähtö R vaihtaa tilasta15-16 tilaan
15-18 siihen asti, kun syöttö A1-A2 katkeaa.
BM2R-releissä on kaksi ajastettua kärkeä tai 2. vaihtokärki hetitoimivana.
                  
 
                  
                    Säädettävä pulssiaika
Kytketään ensiksi syöttöjännite A1-A2. Ajanlaskenta alkaa ohjauksen Y1 kytkeytyessä ja lähtö R vaihtaa tilasta 15-16 tilaan15-18. Asetellun ajan T jälkeen lähtö palaa tilaan 15-16 vaikka ohjaus Y1 olisi edelleen päällä.
BM2R-releissä on kaksi ajastettua kärkeä tai 2. vaihtokärki hetitoimivana
                  
 
                  
                    Päästöhidas
Kytketään ensiksi syöttöjännite A1-A2. Ohjauksesta Y1 lähtö vaihtaa tilasta15-16 tilaan 15-18. Ajan T laskenta alkaa vasta kun ohjaus Y1 katkeaa. Ajan T kuluttua lähtö R vaihtaa takaisin tilaan15-16. Jos ohjaus Y1 kytketään päälle ajanlaskennan T aikana, niin ajan T laskenta alkaa alusta.
BM2R-releissä on kaksi ajastettua kärkeä tai 2. vaihtokärki hetitoimivana.
                  
 
                  
                    Vilkku (OFF start)
HUOM! Pois päältä- eli tauko-aloituksessa ohjaus Y1 täytyy olla kytkettynä kun syöttöjännite A1-A2 kytketään. Vilkkutoiminta alkaa tauolla, jonka jälkeen lähtö R vaihtaa tilasta15-16 tilaan 15-18 ja edelleen tilaan15-16 jne. säädetyn ajan T jaksossa. Vilkkutoiminta jatkuu niin kauan kun syöttöjännite A1-A2 on kytkettynä. Aika T on sama työ- ja taukoajalle (ON/OFF).
BM2R-releissä on kaksi ajastettua kärkeä tai 2. vaihtokärki hetitoimivana.
                  
 
                  
                    Vilkku (ON start)
Kun syöttöjännite A1-A2 kytketään, alkaa vilkkutoiminta päällä- eli työ-aloituksella. Syöttöjännitteen kytkennästä lähtörele R vaihtaa välittömästi tilasta 15-16 tilaan 15-18 ja sitten takaisin tilaan 15-16 säädetyn ajan T jaksossa niin kauan kun syöttöjännite A1-A2 on kytkettynä. Aika T on sama työ- ja taukoajalle (ON/OFF).
BM2R-releissä on kaksi ajastettua kärkeä tai 2. vaihtokärki hetitoimivana.
                  
 
                  
                    Käänteinen vetohidas
Kun syöttöjännite A1-A2 kytketään vaihtaa lähtörele tilasta15-16 tilaan 15-18 välittömästi. Säädetyn ajan T jälkeen lähtörele palautuu tilaan 15-16 ja jää siihen kunnes syöttöjännite A1-A2 katkeaa.
BM2R-releissä on kaksi ajastettua kärkeä tai 2. vaihtokärki hetitoimivana.
                  
 
                  
                    Käänteinen vetohidas muistilla (Salpa)
HUOM! Ohjaus Y1 täytyy olla kytkettynä kun syöttöjännite A1-A2 kytketään. Muuten saadaan H-toiminta.
Ht-toiminnossa lähtörele vetää heti, kun syöttöjännite kytketään. Toiminto summaa Y1-ohjauksen OFF-ajan,
eli kun t1 +t2 = T, niin lähtö R palautuu tilasta 15-18 tilaan 15-16.
BM2R-releissä on kaksi ajastettua kärkeä tai 2. vaihtokärki hetitoimivana.
                  
 
                  
                    Safe-Guard
Kytketään ensiksi syöttöjännite A1-A2. Ensimmäisen Y1-ohjauksen nousevasta reunasta lähtörele R vaihtaa tilasta 15-16 tilaan 15-18. Jos kahden ohjauspulssin välinen aika on suurempi kuin aseteltu aika T, niin lähtörele R palaa alkutilaan 15-16.
Edellinen riippumatta siitä onko ohjaus Y1 päällä vai pois.
                  
 
                  
                    Sysäysrele (bistabiili)
Ohjauksella Y1 lähtörele R vaihtaa tilasta15-16 tilaan 15-18 ja uudella Y1-ohjauksella taas takaisin tilaan
15-16.
                  
 
                  
                    Sysäystoiminta ajastuksella
Ohjauksella Y1 lähtörele R vaihtaa tilasta 15-16 tilaan 15-18. Säädetyn ajan T kuluttua lähtörele palaa tilaan 15-16. Jos ohjaus Y1 annetaan ennen ajan T loppumista rele palaa tilaan15-16.
                  
Syr-line -sarjan aikareleet on tarkoitettu DIN-kiskoon asennettaviksi ja rele on vain 17,5 mm leveä. Syr-Line-sarjassa on läpinäkyvä suojakansi säätönuppien päällä tahattomien muutosten estämiseksi.
Yksinapaiset aikareleet kykenevät katkaisemaan 16 A (AC1) ja kaksinapaiset mallit kestävät 2x8 A (AC1). Sekä yksi- että kaksinapaiset mallit ovat vain 17,5 mm leveitä.
BM1R ja BM2R ovat monitoimireleitä, joissa on 12 erilaista säädettävää toimintoa.
 
              Push-In-sarja mahdollistaa tehokkaimman tavan asentaa relekannat ohjauskaappeihin. ComatRelecon push-in-relekannat tarjoaa sinulle nopean ja helpon asennuksen sekä lisää tilaa ohjauskaapissa. Tämä säästää sekä aikaa että asennuskustannuksia.
 
              Delconin CRA5-pistokantarele mullistaa vaikeasti käsiteltävien DC-kuormien hallinnan. Tutustu lisää!
 
              CROUZET palaa vuosikymmenen tauon jälkeen puolijohdereleiden valmistajaksi. Uudet Crouzet -puolijohdereleet valmistetaan Crouzetin kotimaassa Ranskassa.
 
              Relekoulun kolmas osa on ilmestynyt! Tällä kertaa aiheena remanenssirele. Lue ja opi!
 
              Onko sivulla oikea rele ohjattavalle kuormalle? Lue Relekoulun osa 2!
 
              Erottaisitko kaksoiskoskettimen normaalista koskettimesta ensi vilkaisulla? Aloita ensimmäinen oppitunti!
|  |  |  |  |  | ||
|---|---|---|---|---|---|---|
|  |  |  |  |  | ||
|  |  |  |  |  | ||
|  |  |  |  |  | ||
|  |  |  |  |  | ||
|  |  |  |  |  | ||
|  |  |  |  |  | 
| Suosikit | Tilausnumero: | Katkaisukyky | Max. kytkentävirta | Monitoimi | Toiminta | Ulostulo | Hinta | |
|---|---|---|---|---|---|---|---|---|
|   
      
        SyrLine BM1R, Monitoimi, 1 x 16 A, 12-240 V AC/DC 
      
      
       
        Tuotenumero:
         
          
            BM1R16MV1
          
          Kopioitu!
         
            (2719048)
            Kopioitu!
           | 
            4000 VA / 90W @25°C 
            
            
           | 
            16 A
            
            
           | 
            Kyllä 
            
            
           | 
            A - vetohidas, Ac - veto-/päästöhidas, At - vetohidas muistilla ja salpa-toiminnolla, B - säädettävä pulssiaika, C - päästöhidas, D - vilkku OFF-aloituksella, Di - vilkku ON-aloituksella, H - käänteinen vetohidas, Ht - käänteinen vetohidas muistilla ja salpa-toiminnolla, N - Safe-Guard, TL - sysäysrele (bistabiili), Tt - sysäystoiminta ajastuksella 
            
            
           | 
            Rele - yksi vaihtokosketin 
            
            
           |  | ||
|   
      
        SyrLine BM2R, Monitoimi, 2 x 8 A, 12-240 V AC/DC
      
      
       
        Tuotenumero:
         
          
            BM2R08MV1
          
          Kopioitu!
         
            (2719049)
            Kopioitu!
           | 
            2000 VA / 80W @25°C 
            
            
           | 
            8 A
            
            
           | 
            Kyllä 
            
            
           | 
            A - vetohidas, Ac - veto-/päästöhidas, At - vetohidas muistilla ja salpa-toiminnolla, B - säädettävä pulssiaika, C - päästöhidas, D - vilkku OFF-aloituksella, Di - vilkku ON-aloituksella, H - käänteinen vetohidas, Ht - käänteinen vetohidas muistilla ja salpa-toiminnolla, N - Safe-Guard, TL - sysäysrele (bistabiili), Tt - sysäystoiminta ajastuksella 
            
            
           | 
            Rele - kaksi vaihtokosketinta 
            
            
           |  | ||
|   
      
        SyrLine BA1R, Vetohidas, 1 x 16 A, 12-240 V AC/DC
      
      
       
        Tuotenumero:
         
          
            BA1R16MV1
          
          Kopioitu!
         | 
            4000 VA / 90W @25°C 
            
            
           | 
            16 A
            
            
           | 
            Ei 
            
            
           | 
            A - vetohidas, At - vetohidas muistilla ja salpa-toiminnolla 
            
            
           | 
            Rele - yksi vaihtokosketin 
            
            
           |  | ||
|   
      
        SyrLine BA2R, Vetohidas, 2 x 8 A, 12-240 V AC/DC
      
      
       
        Tuotenumero:
         
          
            BA2R08MV1
          
          Kopioitu!
         | 
            2000 VA / 80W @25°C 
            
            
           | 
            8 A
            
            
           | 
            Ei 
            
            
           | 
            A - vetohidas, At - vetohidas muistilla ja salpa-toiminnolla 
            
            
           | 
            Rele - kaksi vaihtokosketinta 
            
            
           |  | ||
|   
      
        SyrLine BL1R, työ/tauko, 1 x 16 A, 12-240 V AC/DC
      
      
       
        Tuotenumero:
         
          
            BL1R16MV1
          
          Kopioitu!
         
            (2719050)
            Kopioitu!
           | 
            4000 VA / 90W @25°C 
            
            
           | 
            16 A
            
            
           | 
            Ei 
            
            
           | 
            L - tauko/työ, Li - työ/tauko 
            
            
           | 
            Rele - yksi vaihtokosketin 
            
            
           |  | ||
|   
      
        SyrLine BL2R, työ/tauko, 2 x 8 A, 12-240 V C/DC
      
      
       
        Tuotenumero:
         
          
            BL2R08MV1
          
          Kopioitu!
         | 
            2000 VA / 80W @25°C 
            
            
           | 
            8 A
            
            
           | 
            Ei 
            
            
           | 
            L - tauko/työ, Li - työ/tauko 
            
            
           | 
            Rele - kaksi vaihtokosketinta 
            
            
           |  | 
Valitse tuote listalta.
 
            
        Jouni Pulli