CROUZET CONTROL
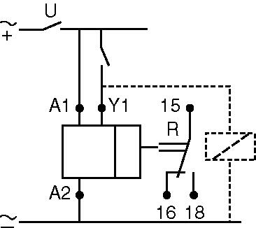
Perusmalleissa yhteensä 12 aikatoimintoa. Valittavissa monitoimiaikarele (10 toimintoa) tai yhden toiminnon aikareleet. Kaikissa malleissa kuorman kytkeminen ohjaussisäänmenon rinnalle on sallittu. Ajan ja toiminnon asetukset etulevyssä. Toimintakaaviot ja kytkentäohjeet releen kyljessä. Asennus DIN-kiskoon. UL ja CSA.
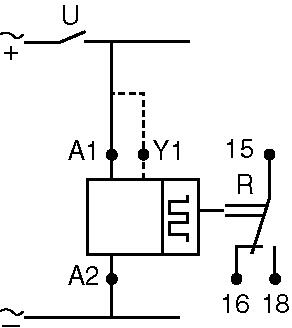
LISÄKSI MXR1-monitoimireleessä on 9 perustoimintoja täydentävää aikatoimintoa.
| Aika-alue | 0,1-1s, 1-10s, 6-60s, 1-10min, 6-60min, 1-10h, 10-100h | 
|---|---|
| Asennus | DIN-kiskoon | 
| Avautumisviive | 120 ms | 
| Etupaneelin IP-luokka | IP50 | 
| Hyväksynnät | CE, Lloyd´s, RoHS, UL | 
| Johdinala holkilla | 2 x 1,5 mm² | 
| Johdinala ilman holkkia | 2 x 2,5 mm² | 
| Katkaisukyky | 2000 VA / 80W | 
| Liittimien IP-luokka | IP20 | 
| Max. kytkentävirta | 8 A | 
| Max. käyttölämpötila | 60 °C | 
| Max. varastointilämpötila | 60 °C | 
|---|---|
| Min. käyttölämpötila | -20 °C | 
| Min. varastointilämpötila | -30 °C | 
| Monitoimi | Kyllä | 
| Sulkeutumisviive | 30 ms | 
| Syöttöjännite | 12-240V AC/DC | 
| Tehonkulutus | 0,6 W | 
| Toiminta | A - vetohidas, Ac - veto-/päästöhidas, At - vetohidas muistilla ja salpa-toiminnolla, B - säädettävä pulssiaika, Bw - säädettävä pulssi sulkeutuvasta ja avautuvasta ohjauksesta, C - päästöhidas, D - vilkku OFF-aloituksella, Di - vilkku ON-aloituksella, H - käänteinen vetohidas, Ht - käänteinen vetohidas muistilla ja salpa-toiminnolla | 
| Toistotarkkuus | 0,5 % | 
| Ulostulo | Rele - yksi vaihtokosketin | 
Perusmalleissa yhteensä 12 aikatoimintoa. Valittavissa monitoimiaikarele (10 toimintoa) tai yhden toiminnon aikareleet. Kaikissa malleissa kuorman kytkeminen ohjaussisäänmenon rinnalle on sallittu. Ajan ja toiminnon asetukset etulevyssä. Toimintakaaviot ja kytkentäohjeet releen kyljessä. Asennus DIN-kiskoon. UL ja CSA.
LISÄKSI MXR1-monitoimireleessä on 9 perustoimintoja täydentävää aikatoimintoa.
 
              Push-In-sarja mahdollistaa tehokkaimman tavan asentaa relekannat ohjauskaappeihin. ComatRelecon push-in-relekannat tarjoaa sinulle nopean ja helpon asennuksen sekä lisää tilaa ohjauskaapissa. Tämä säästää sekä aikaa että asennuskustannuksia.
 
              Delconin CRA5-pistokantarele mullistaa vaikeasti käsiteltävien DC-kuormien hallinnan. Tutustu lisää!
 
              CROUZET palaa vuosikymmenen tauon jälkeen puolijohdereleiden valmistajaksi. Uudet Crouzet -puolijohdereleet valmistetaan Crouzetin kotimaassa Ranskassa.
 
              Relekoulun kolmas osa on ilmestynyt! Tällä kertaa aiheena remanenssirele. Lue ja opi!
 
              Onko sivulla oikea rele ohjattavalle kuormalle? Lue Relekoulun osa 2!
 
              Erottaisitko kaksoiskoskettimen normaalista koskettimesta ensi vilkaisulla? Aloita ensimmäinen oppitunti!
|  |  |  |  |  | ||
|---|---|---|---|---|---|---|
|  |  |  |  |  | ||
|  |  |  |  |  | ||
|  |  |  |  |  | ||
|  |  |  |  |  | ||
|  |  |  |  |  | ||
|  |  |  |  |  | 
| Suosikit | Tilausnumero: | Monitoimi | Syöttöjännite | Toiminta | Hinta | |
|---|---|---|---|---|---|---|
|   
      
        Aikarele MUR3 monitoimi 12-240 V AC/DC
      
      
       
        Tuotenumero:
         
          
            88827103
          
          Kopioitu!
         
            (2719032)
            Kopioitu!
           | 
            Kyllä 
            
            
           | 
            12-240V AC/DC 
            
            
           | 
            A - vetohidas, Ac - veto-/päästöhidas, At - vetohidas muistilla ja salpa-toiminnolla, B - säädettävä pulssiaika, Bw - säädettävä pulssi sulkeutuvasta ja avautuvasta ohjauksesta, C - päästöhidas, D - vilkku OFF-aloituksella, Di - vilkku ON-aloituksella, H - käänteinen vetohidas, Ht - käänteinen vetohidas muistilla ja salpa-toiminnolla 
            
            
           |  | ||
|   
      
        Aikarele MUR1 monitoimi 24 V DC/ 24-240 V AC
      
      
       
        Tuotenumero:
         
          
            88827105
          
          Kopioitu!
         
            (2719039)
            Kopioitu!
           | 
            Kyllä 
            
            
           | 
            24V DC / 24-240V AC 
            
            
           | 
            A - vetohidas, Ac - veto-/päästöhidas, At - vetohidas muistilla ja salpa-toiminnolla, B - säädettävä pulssiaika, Bw - säädettävä pulssi sulkeutuvasta ja avautuvasta ohjauksesta, C - päästöhidas, D - vilkku OFF-aloituksella, Di - vilkku ON-aloituksella, H - käänteinen vetohidas, Ht - käänteinen vetohidas muistilla ja salpa-toiminnolla 
            
            
           |  | ||
|   
      
        Aikarele MAR1 vetohidas 24 V DC/ 24-240 V AC
      
      
       
        Tuotenumero:
         
          
            88827115
          
          Kopioitu!
         
            (2719033)
            Kopioitu!
           | 
            Ei 
            
            
           | 
            24V DC / 24-240V AC 
            
            
           | 
            A - vetohidas, At - vetohidas muistilla ja salpa-toiminnolla 
            
            
           |  | ||
|   
      
        Aikarele MBR1 24 V DC/ 24-240 V AC
      
      
       
        Tuotenumero:
         
          
            88827125
          
          Kopioitu!
         | 
            Ei 
            
            
           | 
            24V DC / 24-240V AC 
            
            
           | 
            B - säädettävä pulssiaika 
            
            
           |  | ||
|   
      
        Aikarele MCR1 päästöhidas 24 V DC/ 24-240 V AC
      
      
       
        Tuotenumero:
         
          
            88827135
          
          Kopioitu!
         
            (2719034)
            Kopioitu!
           | 
            Ei 
            
            
           | 
            24V DC / 24-240V AC 
            
            
           | 
            C - päästöhidas 
            
            
           |  | ||
|   
      
        Aikarele MLR1 työ/tauko 24 V DC/ 24-240 V AC
      
      
       
        Tuotenumero:
         
          
            88827155
          
          Kopioitu!
         
            (2719035)
            Kopioitu!
           | 
            Ei 
            
            
           | 
            24V DC / 24-240V AC 
            
            
           | 
            L - tauko/työ, Li - työ/tauko 
            
            
           |  | ||
|   
      
        Aikarele MXR1 monitoimi 24 V DC/ 24-240 V AC
      
      
       
        Tuotenumero:
         
          
            88827185
          
          Kopioitu!
         
            (2719036)
            Kopioitu!
           | 
            Kyllä 
            
            
           | 
            24V DC / 24-240V AC 
            
            
           | 
            Ad - vetohidas erillisellä ohjauksella, Ah - yksijaksoinen Flip-Flop, N - Safe-Guard, O - viivästetty Safe-Guard, P - säädetyn viiveen jälkeen 500 ms pulssi, Pt - säädetyn viiveen jälkeen 500 ms pulssi, lisänä salpa-toiminto, TL - sysäysrele (bistabiili), Tt - sysäystoiminta ajastuksella, W - säädettävä pulssi erillisen ohjauksen laskevasta reunasta 
            
            
           |  | 
Valitse tuote listalta.
 
            
        Jouni Pulli