COMATRELECO

Kannat C7-releille

  • DIN-kisko- tai pohja-asennus
  • Kosketussuojattu
  • Pienikokoinen, vain 22,5mm leveä
  • Toimitetaan ruuvihissi avoimena
  • Sisältää lukituspannan

Valitse tuote

Valitse tuote

Valitse tuote

Tekniset tiedot

Koskettimet

Jännitteenkatkaisukyky 250 V
Virrankatkaisukyky 10 A
Kiristysmomentti 0,7
Ruuvin koko M3, Pozi
Min. käyttölämpötila -40 °C
Max. käyttölämpötila 60 °C
Min. varastointilämpötila -40 °C
Max. varastointilämpötila 80 °C

*Invisible Heading*

Paino 37 g
Johdinkapasiteetti (yksi) 4 mm² / 2x1,5 mm²
Johdinkapasiteetti (monisäie) 0,75-1,5 mm²
Isolointi liitin/liitin 2500 V
Isolointi liitin/kisko 2500 V
Materiaali Lexan
Asennus DIN-kisko

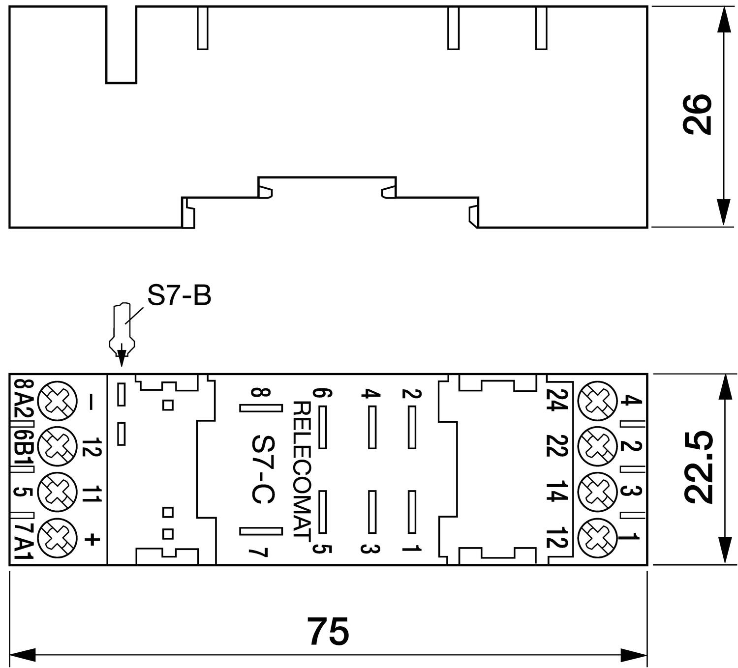
Mitat ja kytkennät

Tarvikkeet



Äänitiedostot

Lisää luettavaa

Suosikit Tilausnumero: Jännitteenkatkaisukyky Virrankatkaisukyky Kiristysmomentti Ruuvin koko Min. käyttölämpötila Max. käyttölämpötila Min. varastointilämpötila Max. varastointilämpötila Paino Johdinkapasiteetti (yksi) Johdinkapasiteetti (monisäie) Isolointi liitin/liitin Isolointi liitin/kisko Materiaali Asennus Hinta
250 V
10 A
0,7
M3, Pozi
-40 °C
60 °C
-40 °C
80 °C
37 g
4 mm² / 2x1,5 mm²
0,75-1,5 mm²
2500 V
2500 V
Lexan
DIN-kisko
250 V
10 A
-40 °C
60 °C
-40 °C
80 °C
10 g
Piirikortti
250 V
10 A
0,7
M3, Pozi
-40 °C
60 °C
-40 °C
80 °C
38 g
4 mm² / 2x2,25 mm²
0,35-2,5 mm²
2500 V
2500 V
Lexan
DIN-kisko

Valittu tuote

Valitse tuote listalta.

Teknisiä neuvoja

Markus Peltola

Tuotepäällikkö

Asiakaspalvelu
Asiakaspalvelumme vastaa kysymyksiin ja etsii ratkaisut ongelmiin. Heille voit jättää myös tilauksesi.
FAQ
+ Miten tullaan asiakkaaksenne?
+ Olen sopinut puskurivarastosta, voinko tilata verkkokaupan kautta?
+ Voiko samalla tilillä olla useita käyttäjiä?
+ Voiko samassa tilauksessa olla useampia toimituspäiviä?
+ Voiko tilauksen toimittaa väliaikaiseen toimitusosoitteeseen?
Chatti
Tarvitsetko apua?
Logo

Evästeet oem.fi sivustolla

Evästeiden avulla voimme palvella sinua paremmin ja varmistamme sivuston sujuvan toiminnan. Voit hallinnoida evästeasetuksia koska tahansa.

Toiminnalliset evästeet

Nämä evästeet ovat välttämättömiä verkkosivuston toimimiseksi, eikä niitä voi poistaa käytöstä järjestelmissämme. Niitä käytetään yleensä vain vastauksena toimiin, jotka olet tehnyt palvelupyynnön yhteydessä, esimerkiksi henkilökohtaisten asetusten määrittämisen, kirjautumisen tai lomakkeen täyttämisen yhteydessä.

Tilastolliset evästeet

Tilastollisten evästeiden avulla seuraamme verkkosivustomme kävijöiden toimintaa ja teemme analyyseja, joiden avulla voimme optimoida verkkosivustoamme. Tämä tarkoittaa, että voimme kehittää sivustoamme toimivammaksi ja palvelemaan kävijöitä paremmin. Jos et hyväksy näitä evästeitä, emme tiedä, milloin olet käynyt sivustollamme. Voit kuitenkin käyttää sivustoamme normaalisti.

Markkinointievästeet

Markkinointievästeiden avulla voimme kohdentaa sinulle mainoksia eri verkkosivustoilla tai sisältöä sosiaalisessa mediassa. Näitä evästeitä asettavat kolmannen osapuolen mainonta- ja kohdistustyökalut. Evästeiden kautta nämä toimijat voivat muodostaa profiilin kiinnostuksesi kohteista. Jos et hyväksy näitä evästeitä, et näe kohdennettua markkinointia etkä mahdollisesti voi käyttää sosiaalisen median jakotyökaluja.