CROUZET CONTROL

C-Lynx jännitteenvalvontareleet MUS ja MUSF

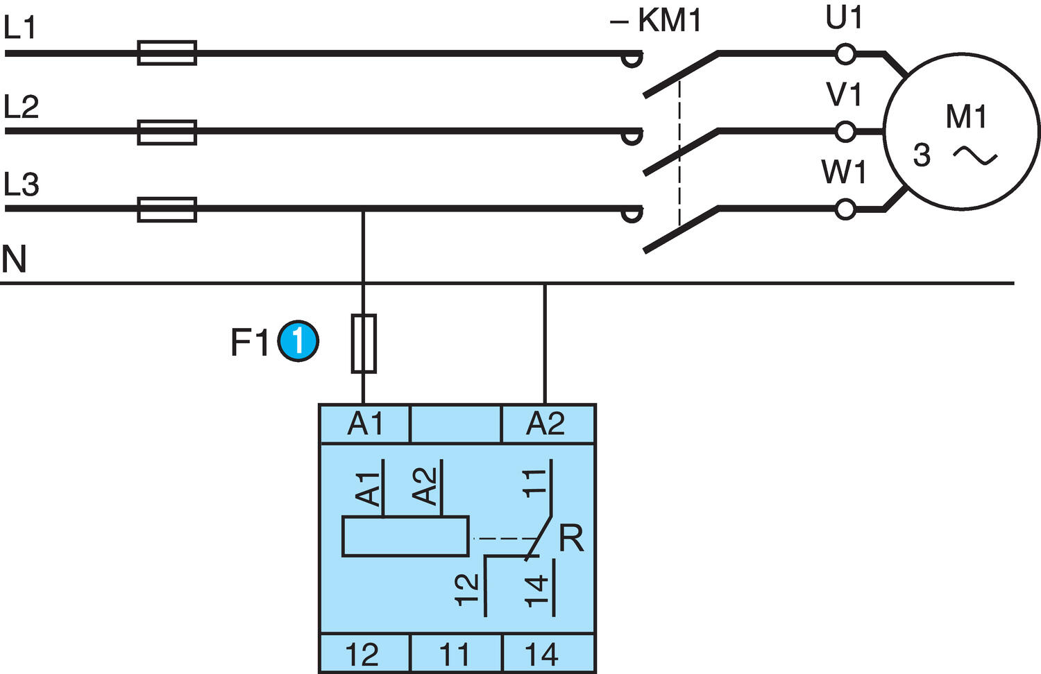
MUS jännitteenvalvontarelettä käytetään 1-vaiheisen AC- tai DC-jännitteen valvontaan. Rele tunnistaa automaattisesti AC- ja DC-jännitteen. MUS12DC toimii pelkästään DC-jännitteellä. Mittaus tapahtuu TRMS-mittauksena. Toiminnan valintakytkin (ylinnä) on aluksi neutraalissa asennossa ja siitä valitaan yli- tai alijännitteen valvonta muistilla tai ilman muistia. Rele ei tarvitsee erillistä käyttöjännitettä. Jos toiminnan valintakytkintä käännetään jännitteen ollessa päällä, kaikki LEDit alkavat vilkkua ja edelliset asetukset jäävät voimaan, kunnes käyttöjännite katkaistaan ja kytketään uudestaan päälle. Kun valvottava jännite saavuttaa etulevystä valitun raja-arvon, vaihtaa ulostulorele (1 x CO) tilaansa asetellun viiveen 0,1 – 10 s jälkeen. Kun jännite palautuu asetusarvon + hystereesin 5-20 % ali/yli, palautuu rele välittömästi. Hystereesin säätö ei vaikuta raja-arvoon. Hystereesin arvo ei voi myöskään ylittää mittausaluetta. Vihreä LED osoittaa että käyttöjännite on OK ja Keltainen LED osoittaa ulostuloreleen tilaa.

 Mallissa MUSF on kiinteä 3 % hystereesi ja erikseen säädettävät rajat yli- ja alijännitteelle.

MUSF-mallissa ei ole valittavissa muistillista raja-arvoa.

Lue lisää
  • Kolme mallia eri jännitealueille. Ei erillistä käyttöjännitettä
  • Yli- tai alijännitteenvalvontaan MUS muistilla tai ilman, sekä yli- ja alijännitevalvontarele MUSF
  • AC- ja DC-jännitteille (12 V ainoastaan DC)
  • 17,5 mm leveä DIN-aukkoon

Valitse tuote

Valitse tuote

Valitse tuote

Tekniset tiedot

Aikaviive käynnistyksessä 0,5 s
Aikaviive Tt raja-arvon ylitykselle 0,1-10s
Alaraja 9 V DC
Katkaisukyky 5A, 250V AC/DC
Max. käyttölämpötila 50 °C
Max. varastointilämpötila 70 °C
Min. käyttölämpötila -20 °C
Min. varastointilämpötila -40 °C
Paino 80 g
Syöttöjännite 12V dc
Ulostulo Rele - yksi vaihtokosketin
Ylempi raja-arvo 15 V DC

Mitat ja kytkennät

Tekniset kuvat

Tuotekuvaus

MUS jännitteenvalvontarelettä käytetään 1-vaiheisen AC- tai DC-jännitteen valvontaan. Rele tunnistaa automaattisesti AC- ja DC-jännitteen. MUS12DC toimii pelkästään DC-jännitteellä. Mittaus tapahtuu TRMS-mittauksena. Toiminnan valintakytkin (ylinnä) on aluksi neutraalissa asennossa ja siitä valitaan yli- tai alijännitteen valvonta muistilla tai ilman muistia. Rele ei tarvitsee erillistä käyttöjännitettä. Jos toiminnan valintakytkintä käännetään jännitteen ollessa päällä, kaikki LEDit alkavat vilkkua ja edelliset asetukset jäävät voimaan, kunnes käyttöjännite katkaistaan ja kytketään uudestaan päälle. Kun valvottava jännite saavuttaa etulevystä valitun raja-arvon, vaihtaa ulostulorele (1 x CO) tilaansa asetellun viiveen 0,1 – 10 s jälkeen. Kun jännite palautuu asetusarvon + hystereesin 5-20 % ali/yli, palautuu rele välittömästi. Hystereesin säätö ei vaikuta raja-arvoon. Hystereesin arvo ei voi myöskään ylittää mittausaluetta. Vihreä LED osoittaa että käyttöjännite on OK ja Keltainen LED osoittaa ulostuloreleen tilaa.

 Mallissa MUSF on kiinteä 3 % hystereesi ja erikseen säädettävät rajat yli- ja alijännitteelle.

MUSF-mallissa ei ole valittavissa muistillista raja-arvoa.

Tarvikkeet



Äänitiedostot

Lisää luettavaa

Suosikit Tilausnumero: Alaraja Syöttöjännite Ylempi raja-arvo Hinta
9 V DC
12V dc
15 V DC
20 V AC/DC
24-48V ac/dc
80 V AC/DC
20 V AC/DC
24-48V ac/dc
80 V AC/DC
65 V AC/DC
110-240V ac/dc
260 V AC/DC
65 V AC/DC
110-240V ac/dc
260 V AC/DC

Valittu tuote

Valitse tuote listalta.

Teknisiä neuvoja

Jouni Pulli

Tuotepäällikkö

Asiakaspalvelu
Asiakaspalvelumme vastaa kysymyksiin ja etsii ratkaisut ongelmiin. Heille voit jättää myös tilauksesi.
FAQ
+ Miten tullaan asiakkaaksenne?
+ Olen sopinut puskurivarastosta, voinko tilata verkkokaupan kautta?
+ Voiko samalla tilillä olla useita käyttäjiä?
+ Voiko samassa tilauksessa olla useampia toimituspäiviä?
+ Voiko tilauksen toimittaa väliaikaiseen toimitusosoitteeseen?
Chatti
Tarvitsetko apua?
Logo

Evästeet oem.fi sivustolla

Evästeiden avulla voimme palvella sinua paremmin ja varmistamme sivuston sujuvan toiminnan. Voit hallinnoida evästeasetuksia koska tahansa.

Toiminnalliset evästeet

Nämä evästeet ovat välttämättömiä verkkosivuston toimimiseksi, eikä niitä voi poistaa käytöstä järjestelmissämme. Niitä käytetään yleensä vain vastauksena toimiin, jotka olet tehnyt palvelupyynnön yhteydessä, esimerkiksi henkilökohtaisten asetusten määrittämisen, kirjautumisen tai lomakkeen täyttämisen yhteydessä.

Tilastolliset evästeet

Tilastollisten evästeiden avulla seuraamme verkkosivustomme kävijöiden toimintaa ja teemme analyyseja, joiden avulla voimme optimoida verkkosivustoamme. Tämä tarkoittaa, että voimme kehittää sivustoamme toimivammaksi ja palvelemaan kävijöitä paremmin. Jos et hyväksy näitä evästeitä, emme tiedä, milloin olet käynyt sivustollamme. Voit kuitenkin käyttää sivustoamme normaalisti.

Markkinointievästeet

Markkinointievästeiden avulla voimme kohdentaa sinulle mainoksia eri verkkosivustoilla tai sisältöä sosiaalisessa mediassa. Näitä evästeitä asettavat kolmannen osapuolen mainonta- ja kohdistustyökalut. Evästeiden kautta nämä toimijat voivat muodostaa profiilin kiinnostuksesi kohteista. Jos et hyväksy näitä evästeitä, et näe kohdennettua markkinointia etkä mahdollisesti voi käyttää sosiaalisen median jakotyökaluja.