CROUZET CONTROL
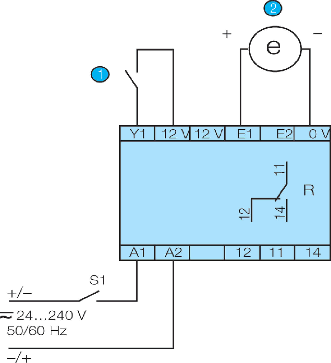
HSV kierrosvalvontarelettä voidaan käyttää yli- tai alikierrosten valvontaan. Alikierrosvalvontaa tarvitaan esimerkiksi kuljettimien ylikuormituksen tai juuttumisen valvontaan. Lähtörele vaihtaa tilaansa jos kierrosluku on liian alhainen tai esimerkiksi kuljetinhihna on juuttunut paikalleen. Nopeuden valvonta perustuu anturilta tulevien pulssien välisen ajan mittaamiseen. Käynnistysviive Ti on säädettävissä etulevystä 0,6 – 60 s välillä. Jos käynnistys vaatii enemmän aikaa kuin säädetty käynnistysviive tai kesken käynnin halutaan estää väärän kierrosnopeuden vaikutus lähtöön, suljetaan kontakti S2 (Inhibit) niin pitkäksi aikaa kun oikea kierrosnopeus on saavutettu. Jos alikierrosvalvonnassa pulssien välinen aika on lyhyempi kuin säädetty aika, viive resetoituu ja lähtörele pysyy kiinni. Kun pulssien välinen aika on pidempi kuin säädetty, rele aukeaa. Rele sulkeutuu taas kun valvottavan kohteen nopeus ylittää säädetyn arvon + hystereesin.
Kierrosnopeustieto annetaan 3-johdin PNP/NPN- tai NAMUR-anturilla, kontaktilla tai max 30 V jännitetietona. Antureina voidaan käyttää sekä NO- että NC-antureita. Muistitoimintaa käytettäessä rele jää auki kun raja- arvo alittuu (tai ylittyy) ja sulkeutuu vasta kun poikkeama resetoidaan kontaktilla S2 (min. 50 ms). HSV-rele on 35 mm leveä ja se sopii DIN-aukkoon.
Huom! Toimintatapa (ylikierros- tai alikierrosvalvonta muistilla tai ilman muistia) on valittava ennen kuin käyttöjännite kytketään. Muussa tapauksessa kaikki LEDit alkavat vilkkua. Samoin käy, jos toiminta-valitsinta käännetään käyttöjännitteen ollessa kytkettynä. Ylin keltainen LED (In) osoittaa käynnistysviiveen olevan menossa tai S2:n olevan suljettuna. Ylimmän keltaisen LEDin vilkkuminen osoittaa tulopulssien laskennassa olevan ongelmia (esim ei lainkaan pulsseja). Vihreä LED (Un) osoittaa että käyttöjännite on OK. Alin keltainen LED (R) osoittaa että lähtörele on vetäneenä.
| Aika-alue | 0,5s, 1s, 5s, 10s, 1min, 5min. och 10min | 
|---|---|
| Hyväksynnät | CSA, GL, RoHS, UL | 
| Katkaisukyky | 5A, 250V AC/DC | 
| Kotelon IP-luokka | IP30 | 
| Käynnistysviive | 0,6-30s | 
| Liittimien IP-luokka | IP20 | 
| Max. käyttölämpötila | 50 °C | 
| Max. varastointilämpötila | 70 °C | 
| Min. käyttölämpötila | -20 °C | 
|---|---|
| Min. resetointiaika | 50 ms | 
| Min. varastointilämpötila | -40 °C | 
| Paino | 120 g | 
| Syöttöjännite | 24-240V AC/DC | 
| Toiminta | Kierrosvalvonta | 
| Ulostulo | Rele - yksi vaihtokosketin | 
HSV kierrosvalvontarelettä voidaan käyttää yli- tai alikierrosten valvontaan. Alikierrosvalvontaa tarvitaan esimerkiksi kuljettimien ylikuormituksen tai juuttumisen valvontaan. Lähtörele vaihtaa tilaansa jos kierrosluku on liian alhainen tai esimerkiksi kuljetinhihna on juuttunut paikalleen. Nopeuden valvonta perustuu anturilta tulevien pulssien välisen ajan mittaamiseen. Käynnistysviive Ti on säädettävissä etulevystä 0,6 – 60 s välillä. Jos käynnistys vaatii enemmän aikaa kuin säädetty käynnistysviive tai kesken käynnin halutaan estää väärän kierrosnopeuden vaikutus lähtöön, suljetaan kontakti S2 (Inhibit) niin pitkäksi aikaa kun oikea kierrosnopeus on saavutettu. Jos alikierrosvalvonnassa pulssien välinen aika on lyhyempi kuin säädetty aika, viive resetoituu ja lähtörele pysyy kiinni. Kun pulssien välinen aika on pidempi kuin säädetty, rele aukeaa. Rele sulkeutuu taas kun valvottavan kohteen nopeus ylittää säädetyn arvon + hystereesin.
Kierrosnopeustieto annetaan 3-johdin PNP/NPN- tai NAMUR-anturilla, kontaktilla tai max 30 V jännitetietona. Antureina voidaan käyttää sekä NO- että NC-antureita. Muistitoimintaa käytettäessä rele jää auki kun raja- arvo alittuu (tai ylittyy) ja sulkeutuu vasta kun poikkeama resetoidaan kontaktilla S2 (min. 50 ms). HSV-rele on 35 mm leveä ja se sopii DIN-aukkoon.
Huom! Toimintatapa (ylikierros- tai alikierrosvalvonta muistilla tai ilman muistia) on valittava ennen kuin käyttöjännite kytketään. Muussa tapauksessa kaikki LEDit alkavat vilkkua. Samoin käy, jos toiminta-valitsinta käännetään käyttöjännitteen ollessa kytkettynä. Ylin keltainen LED (In) osoittaa käynnistysviiveen olevan menossa tai S2:n olevan suljettuna. Ylimmän keltaisen LEDin vilkkuminen osoittaa tulopulssien laskennassa olevan ongelmia (esim ei lainkaan pulsseja). Vihreä LED (Un) osoittaa että käyttöjännite on OK. Alin keltainen LED (R) osoittaa että lähtörele on vetäneenä.
 
              Push-In-sarja mahdollistaa tehokkaimman tavan asentaa relekannat ohjauskaappeihin. ComatRelecon push-in-relekannat tarjoaa sinulle nopean ja helpon asennuksen sekä lisää tilaa ohjauskaapissa. Tämä säästää sekä aikaa että asennuskustannuksia.
 
              Delconin CRA5-pistokantarele mullistaa vaikeasti käsiteltävien DC-kuormien hallinnan. Tutustu lisää!
 
              CROUZET palaa vuosikymmenen tauon jälkeen puolijohdereleiden valmistajaksi. Uudet Crouzet -puolijohdereleet valmistetaan Crouzetin kotimaassa Ranskassa.
 
              Relekoulun kolmas osa on ilmestynyt! Tällä kertaa aiheena remanenssirele. Lue ja opi!
 
              Onko sivulla oikea rele ohjattavalle kuormalle? Lue Relekoulun osa 2!
 
              Erottaisitko kaksoiskoskettimen normaalista koskettimesta ensi vilkaisulla? Aloita ensimmäinen oppitunti!
 
            
        Jouni Pulli