CROUZET CONTROL

Virranvalvontareleet EIL, EIH ja EIT

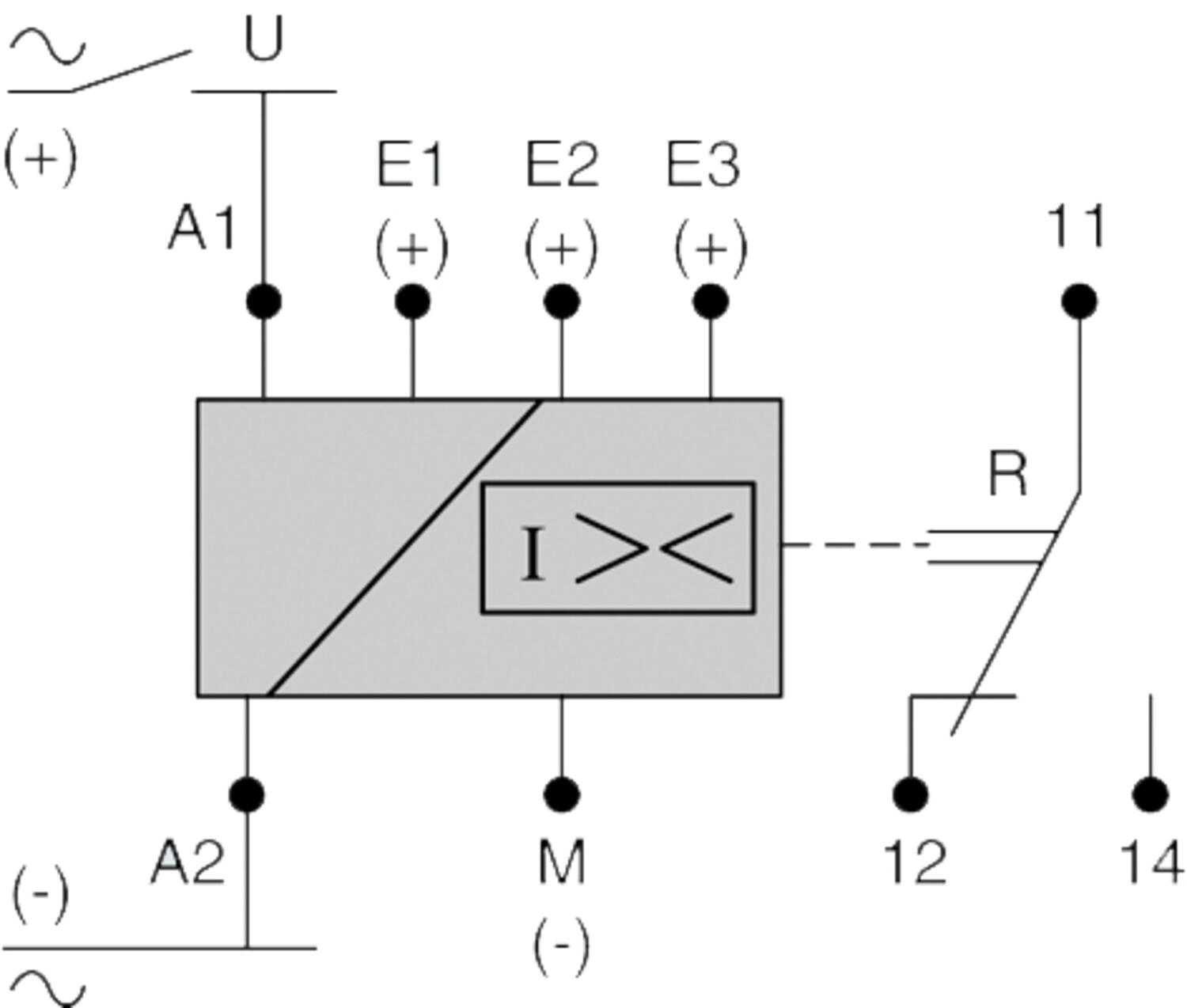
Yli- tai alivirran valvontaan. Releeseen syötetään erillinen ohjausjännite.

Virranvalvontareleessä EIH on kolme mittausalueen tuloa;

E1: 0,1 - 1 A AC

E2: 0,5 - 5 A AC

E3: 1 - 10A AC

Lue lisää
  • Mittausalue 0,1 - 10A AC
  • 22,5 mm leveä
  • Säädettävät viiveet raja-arvojen ylityksille
  • Yli- tai alivirranvalvonta

Valitse tuote

Crouzet-valvontareleet

EIH virtavahti 0,1-10 A, 230 V AC

Tuotenumero:

Valitse tuote

Tekniset tiedot

Aikaviive Tt raja-arvon ylitykselle 0,1-3s
Hyväksynnät CE, CSA, RoHS, UL
Katkaisukyky 8A, 250V AC
Kotelon IP-luokka IP50
Käynnistysviive 1-20s
Liittimien IP-luokka IP20
Max. käyttölämpötila 50 °C
Max. syöttöjännite AC 264 V AC
Max. varastointilämpötila 70 °C
Min. käyttölämpötila -20 °C
Min. syöttöjännite AC 196 V AC
Min. varastointilämpötila -30 °C
Mittausalue E1-M 0,1-1A
Mittausalue E2-M 0,5-5A
Mittausalue E3-M 1-10A
Paino 140 g
Säätöalueen alaraja 10 %
Säätöalueen yläraja 100 %

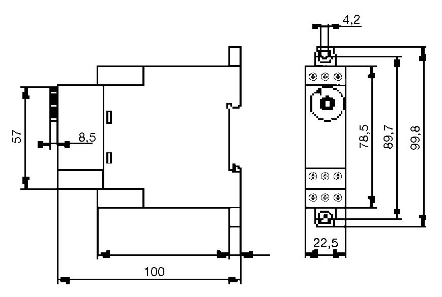
Mitat ja kytkennät

Tekniset kuvat

Tuotekuvaus

Yli- tai alivirran valvontaan. Releeseen syötetään erillinen ohjausjännite.

Virranvalvontareleessä EIH on kolme mittausalueen tuloa;

E1: 0,1 - 1 A AC

E2: 0,5 - 5 A AC

E3: 1 - 10A AC

Tarvikkeet



Äänitiedostot

Lisää luettavaa

Teknisiä neuvoja

Jouni Pulli

Tuotepäällikkö

Asiakaspalvelu
Asiakaspalvelumme vastaa kysymyksiin ja etsii ratkaisut ongelmiin. Heille voit jättää myös tilauksesi.
FAQ
+ Miten tullaan asiakkaaksenne?
+ Olen sopinut puskurivarastosta, voinko tilata verkkokaupan kautta?
+ Voiko samalla tilillä olla useita käyttäjiä?
+ Voiko samassa tilauksessa olla useampia toimituspäiviä?
+ Voiko tilauksen toimittaa väliaikaiseen toimitusosoitteeseen?
Chatti
Tarvitsetko apua?
Logo

Evästeet oem.fi sivustolla

Evästeiden avulla voimme palvella sinua paremmin ja varmistamme sivuston sujuvan toiminnan. Voit hallinnoida evästeasetuksia koska tahansa.

Toiminnalliset evästeet

Nämä evästeet ovat välttämättömiä verkkosivuston toimimiseksi, eikä niitä voi poistaa käytöstä järjestelmissämme. Niitä käytetään yleensä vain vastauksena toimiin, jotka olet tehnyt palvelupyynnön yhteydessä, esimerkiksi henkilökohtaisten asetusten määrittämisen, kirjautumisen tai lomakkeen täyttämisen yhteydessä.

Tilastolliset evästeet

Tilastollisten evästeiden avulla seuraamme verkkosivustomme kävijöiden toimintaa ja teemme analyyseja, joiden avulla voimme optimoida verkkosivustoamme. Tämä tarkoittaa, että voimme kehittää sivustoamme toimivammaksi ja palvelemaan kävijöitä paremmin. Jos et hyväksy näitä evästeitä, emme tiedä, milloin olet käynyt sivustollamme. Voit kuitenkin käyttää sivustoamme normaalisti.

Markkinointievästeet

Markkinointievästeiden avulla voimme kohdentaa sinulle mainoksia eri verkkosivustoilla tai sisältöä sosiaalisessa mediassa. Näitä evästeitä asettavat kolmannen osapuolen mainonta- ja kohdistustyökalut. Evästeiden kautta nämä toimijat voivat muodostaa profiilin kiinnostuksesi kohteista. Jos et hyväksy näitä evästeitä, et näe kohdennettua markkinointia etkä mahdollisesti voi käyttää sosiaalisen median jakotyökaluja.