CROUZET CONTROL
| Elektrodijännite | 12 V AC | 
|---|---|
| Elektrodivirta | 1 mA | 
| Hyväksynnät | CE, CSA, RoHS, UL | 
| Katkaisukyky | 8A, 250V AC | 
| Kotelon IP-luokka | IP30 | 
| Liittimien IP-luokka | IP20 | 
| Max. käyttölämpötila | 50 °C | 
| Max. syöttöjännite AC/DC | 264 V | 
|---|---|
| Max. varastointilämpötila | 70 °C | 
| Min. käyttölämpötila | -20 °C | 
| Min. syöttöjännite AC/DC | 20,4 V | 
| Min. varastointilämpötila | -40 °C | 
| Paino | 91 g | 
 
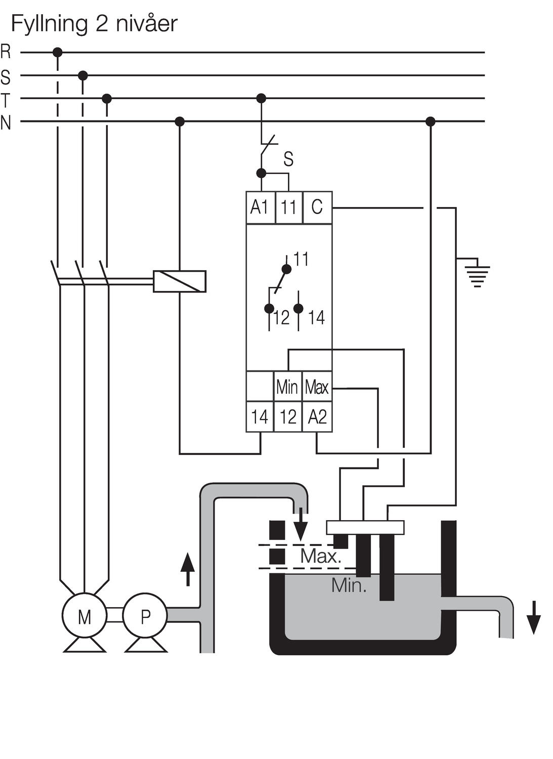
                  Tyhjennys ja täyttö kahdelle pinnalle - Level "2"
 
                  
                    Tyhjennyksessä vetohidastus yhden pinnan valvonnassa
Level "on delay" - Down
                  
 
                  
                    Täytössä vetohidastus yhden pinnan valvonnassa
Level "on delay" - Up
                  
 
                  
                    Tyhjennyksessä päästöhidastus yhden pinnan valvonnassa
Level "off delay" - Down
                  
 
                  
                    Täytössä päästöhidastus yhden pinnan valvonnassa
Level "off delay" - Up
                  
| Täytössä vetohidastus yhden pinnan valvonnassa | Tyhjennyksessä vetohidastus yhden pinnan valvonnassa | 
| 
 | 
 | 
| Yksi valvottava pinta, täyttö vetohidastuksella: | Yksi valvottava pinta, tyhjennys vetohidastuksella: | 
| 
 | |
| Täytössä päästöhidastus yhden pinnan valvonnassa | Tyhjennyksessä päästöhidastus yhden pinnan valvonnassa | 
| 
 | 
 | 
| Yksi valvottava pinta, täyttö päästöhidastuksella: | Yksi valvottava pinta, tyhjennys päästöhidastuksella: | 
| 
 | |
| Tyhjennyksessä kaksi valvottavaa pintaa | Täytössä kaksi valvottavaa pintaa | 
| 
 | 
 | 
| Kaksi valvottavaa pintaa, tyhjennys: | Kaksi valvottavaa pintaa, täyttö: 
 | 
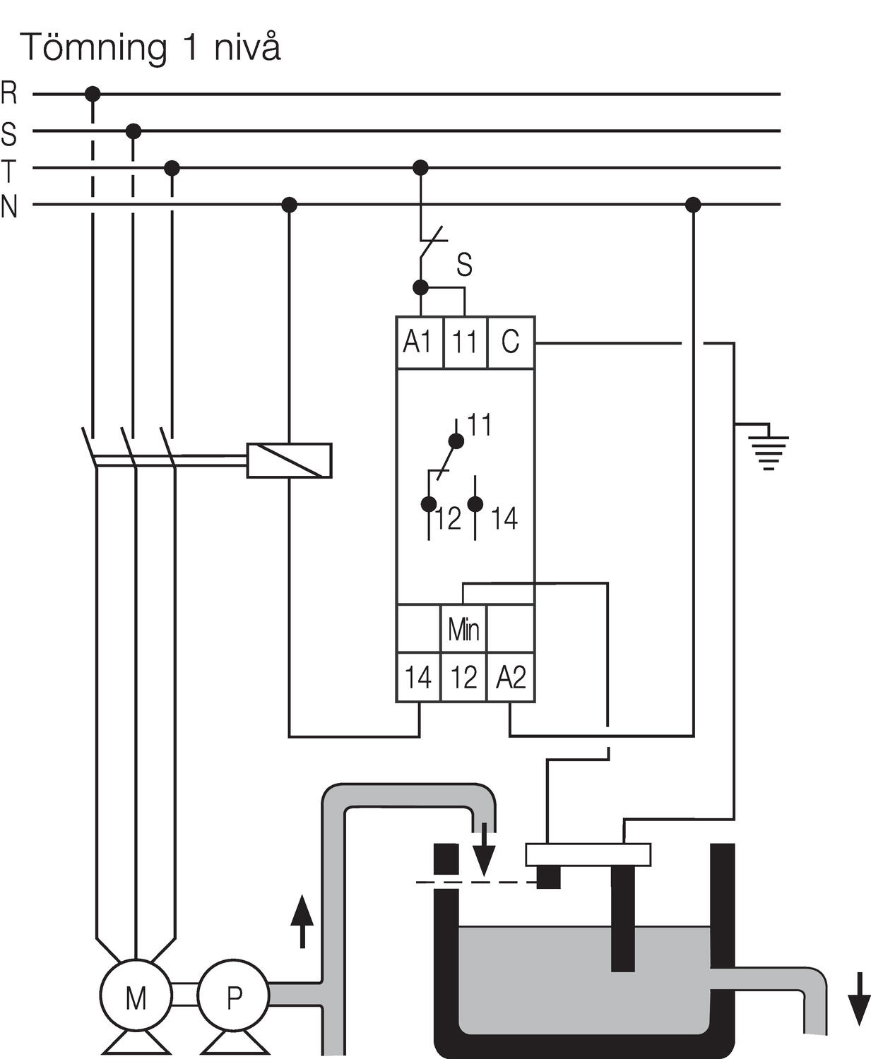
Pinnanvalvontarelettä käytetään johtavien nesteiden pinnan-valvontaan. Toiminta perustuu siihen että neste muodostaa kontaktin kahden johtavan elektrodin välille. Johtavuusalueita on kolme: LS ( 250Ω-5 kΩ), ST ( 5 kΩ-100kΩ) ja HS ( 100 kΩ-1MΩ), joiden sisällä herkkyyttä (sensitivity) voidaan säätää 5 - 100 % alueesta. Esimerkiksi hanaveden tyypillinen arvo on 5 kΩ-10kΩ ja tislatun veden yli 300 kΩ. Kahden pinnan välillä voidaan käyttää tyhjennys- tai täyttötoimintaa. Yhden pinnan säädölle voidaan käyttää tyhjennys (Down) tai täyttö-toiminnon (Up) kanssa veto- tai päästöhidastusta ( ”on delay” tai ”off delay” ). Elektrodeille syötetään pientä AC-jännitettä hapettumisen estämiseksi.
Valittavissa on tyhjennys- tai täyttötoiminta. Lisäksi voidaan valita yhden pinnan säädölle vetohidastus (”on delay”) tai päästöhidastus (”off delay”) säädettävällä 0,1-5 s ajalla.
Vihreä LED osoittaa että käyttöjännite on OK. Keltainen LED osoittaa ulostuloreleen tilaa. Erillinen keltainen LED vilkkuu viiveen Tt aikana. Jos valintakytkimiä Up/Down tai on/off delay käännetään käyttöjännitteen ollessa päällä, kaikki LEDit alkavat vilkkua ja edelliset asetukset jäävät voimaan, kunnes käyttöjännite katkaistaan ja kytketään uudestaan päälle.
 
              Push-In-sarja mahdollistaa tehokkaimman tavan asentaa relekannat ohjauskaappeihin. ComatRelecon push-in-relekannat tarjoaa sinulle nopean ja helpon asennuksen sekä lisää tilaa ohjauskaapissa. Tämä säästää sekä aikaa että asennuskustannuksia.
 
              Delconin CRA5-pistokantarele mullistaa vaikeasti käsiteltävien DC-kuormien hallinnan. Tutustu lisää!
 
              CROUZET palaa vuosikymmenen tauon jälkeen puolijohdereleiden valmistajaksi. Uudet Crouzet -puolijohdereleet valmistetaan Crouzetin kotimaassa Ranskassa.
 
              Relekoulun kolmas osa on ilmestynyt! Tällä kertaa aiheena remanenssirele. Lue ja opi!
 
              Onko sivulla oikea rele ohjattavalle kuormalle? Lue Relekoulun osa 2!
 
              Erottaisitko kaksoiskoskettimen normaalista koskettimesta ensi vilkaisulla? Aloita ensimmäinen oppitunti!
 
            
        Jouni Pulli