OEM ELECTRONICS
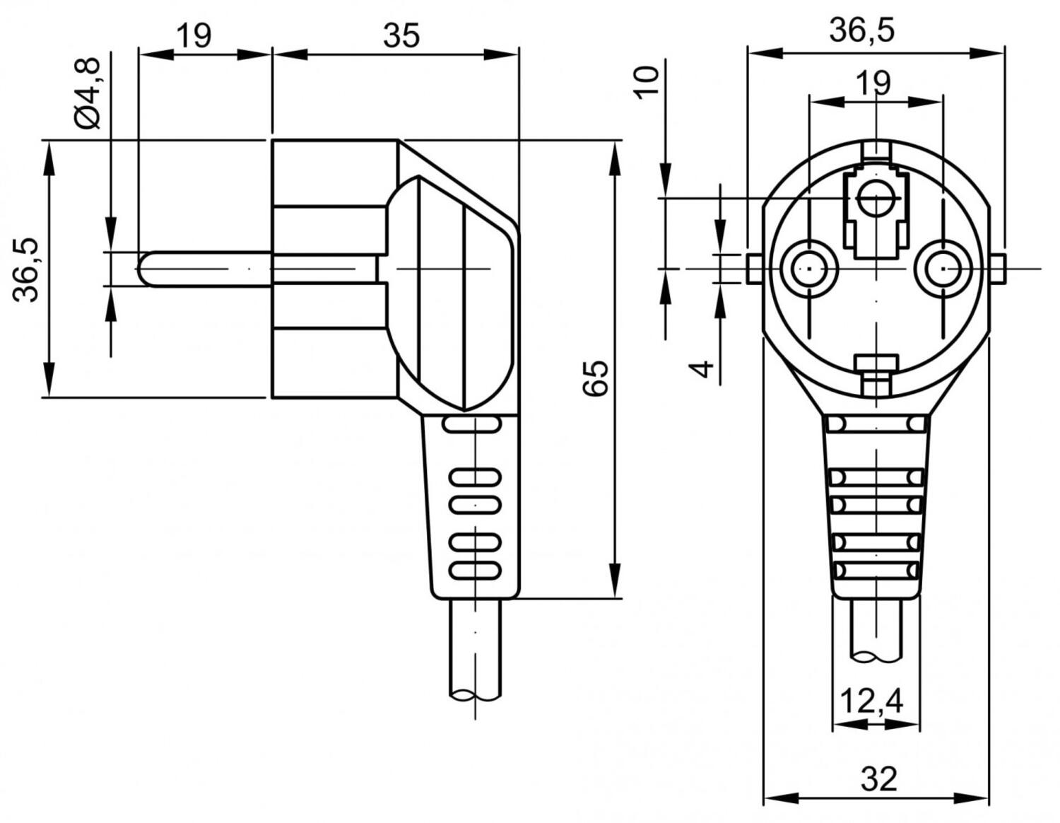
CEE 7/7 -pistoketta voidaan käyttää useissa maissa, joissa on käytössä E- ja F-tyypin pistorasiat. Tämä sisältää laajan valikoiman maita erityisesti Euroopassa:
Saksa ja Itävalta: F-tyypin pistorasiat.
Ranska ja Belgia: E-tyypin pistorasiat.
Alankomaat ja Luxemburg: Käyttävät pääasiassa F-tyyppiä, mutta CEE 7/7 on yhteensopiva.
Puola ja Unkari: F-tyypin maat, mutta pistoke toimii myös E-tyypin pistorasioissa.
Useat muut Euroopan maat: Kuten Portugali, Tšekki ja Slovakia, joissa on käytössä E- tai F-tyypin pistorasiat.
Pistoketta voi käyttää laajasti myös muissa maissa, joissa nämä pistorasiatyypit ovat standardeja.
Technon valmiiksi valetut liitinkaapelit tarjoavat nopean ja luotettavan ratkaisun teollisuuden liitäntähaasteisiin. Lue lisää!
TH394 liitin mahdollistaa merkittävästi nopeamman asennuksen ja tarjoaa erinomaisen kaapelin vetolujuuden sekä kestävyyden. Tutustu!
Teollisuusympäristöissä tapahtuvat räjähdykset voivat aiheuttaa vakavia vahinkoja sekä ihmisille että omaisuudelle. ATEX varmistaa, että sekä laitteet että työprosessit on suunniteltu minimoimaan nämä riskit ja luomaan turvallinen työympäristö.
Olemme mukana Teknologia-messuilla, osastolla 6d60! Tule haistelemaan messutunnelmaa ja juttelemaan. Nähdään Helsingissä 4.–6.11.2025!
SAB Bröckskesin SABorganic S 1000 edustaa uuden aikakauden kaapelisuunnittelua, jossa yhdistyvät huippuluokan tekniset ominaisuudet ja vastuullinen materiaalivalinta.
Bitnerin LAN-kaapelivalikoima tarjoaa kattavan ratkaisun, kun tarvitaan laadukkaita, turvallisia ja suorituskykyisiä tiedonsiirtokaapeleita teollisuusympäristöihin, rakennusautomaatioon tai kiinteistöjen IT-verkkoratkaisuihin.
|
|
|
|
|
|
||
|---|---|---|---|---|---|---|
|
|
|
|
|
|
||
|
|
|
|
|
|
||
|
|
|
|
|
|
||
|
|
|
|
|
|
||
|
|
|
|
|
|
||
|
|
|
|
|
|
| Suosikit | Tilausnumero: | Johdinala | Liitäntä | Pituus | Väri | Hinta | |
|---|---|---|---|---|---|---|---|
|
Kulma CEE 7/7 - 3x1,5 H05VVF - Kuorinnat L/N 130mm PE 150mm - Pääteholkit
Tuotenumero:
SKU300G-8-3
Kopioitu!
|
1,5 mm²
|
|
3 m
|
Harmaa
|
| ||
|
Suora CEE7/7 - 3x1,5 H07RNF - Kuorinnat L/N 60mm PE 80mm - Pääteholkit
Tuotenumero:
SSU300B-L-3
Kopioitu!
|
1,5 mm²
|
|
3 m
|
Musta
|
| ||
|
Suora CEE7/7 - 3x1,5 H07RNF - Kuorinnat 52mm - 19mm esikuorinta
Tuotenumero:
SSU1000B-L-2M
Kopioitu!
|
1,5 mm²
|
|
10 m
|
Musta
|
| ||
|
CEE 7/7 - C5 - 500mm - 3 x 075 - Musta
Tuotenumero:
SKU050B-6-KJSNC5
Kopioitu!
|
0,75 mm²
|
CEE 7/7 + C5
|
0,5 m
|
Harmaa, Musta, Valkoinen
|
| ||
|
CEE 7/7 - C5 - 1500mm - 3 x 075 - Musta
Tuotenumero:
SKU150B-6-KJSNC5
Kopioitu!
|
0,75 mm²
|
CEE 7/7 + C5
|
1,5 m
|
Harmaa, Musta, Valkoinen
|
| ||
|
CEE 7/7 - C5 - 2500mm - 3 x 075 - Musta
Tuotenumero:
SKU250B-6-KJSNC5
Kopioitu!
|
0,75 mm²
|
CEE 7/7 + C5
|
2,5 m
|
Harmaa, Musta, Valkoinen
|
| ||
|
CEE 7/7 - C5 - 5000mm - 3 x 075 - Musta
Tuotenumero:
SKU500B-6-KJSNC5
Kopioitu!
|
0,75 mm²
|
CEE 7/7 + C5
|
5 m
|
Harmaa, Musta, Valkoinen
|
| ||
|
CEE 7/7 - C5 - 500mm - 3 x 100 - Musta
Tuotenumero:
SKU050B-7-KJSNC5
Kopioitu!
|
1 mm²
|
CEE 7/7 + C5
|
0,5 m
|
Harmaa, Musta, Valkoinen
|
| ||
|
CEE 7/7 - C5 - 1500mm - 3 x 100 - Musta
Tuotenumero:
SKU150B-7-KJSNC5
Kopioitu!
|
1 mm²
|
CEE 7/7 + C5
|
1,5 m
|
Harmaa, Musta, Valkoinen
|
| ||
|
CEE 7/7 - C5 - 2500mm - 3 x 100 - Musta
Tuotenumero:
SKU250B-7-KJSNC5
Kopioitu!
|
1 mm²
|
CEE 7/7 + C5
|
2,5 m
|
Harmaa, Musta, Valkoinen
|
| ||
|
CEE 7/7 - C5 - 5000mm - 3 x 100 - Musta
Tuotenumero:
SKU500B-7-KJSNC5
Kopioitu!
|
1 mm²
|
CEE 7/7 + C5
|
5 m
|
Harmaa, Musta, Valkoinen
|
| ||
|
CEE 7/7 - C13 - 500mm - 3 x 075 - Musta
Tuotenumero:
SKU050B-6-KJSNC13
Kopioitu!
|
0,75 mm²
|
CEE 7/7 + C13
|
0,5 m
|
Harmaa, Musta, Valkoinen
|
| ||
|
CEE 7/7 - C13 - 1500mm - 3 x 075 - Musta
Tuotenumero:
SKU150B-6-KJSNC13
Kopioitu!
|
0,75 mm²
|
CEE 7/7 + C13
|
1,5 m
|
Harmaa, Musta, Valkoinen
|
| ||
|
CEE 7/7 - C13 - 2500mm - 3 x 075 - Musta
Tuotenumero:
SKU250B-6-KJSNC13
Kopioitu!
|
0,75 mm²
|
CEE 7/7 + C13
|
2,5 m
|
Harmaa, Musta, Valkoinen
|
| ||
|
CEE 7/7 - C13 - 5000mm - 3 x 075 - Musta
Tuotenumero:
SKU500B-6-KJSNC13
Kopioitu!
|
0,75 mm²
|
CEE 7/7 + C13
|
5 m
|
Harmaa, Musta, Valkoinen
|
| ||
|
CEE 7/7 - C13 - 500mm - 3 x 100 - Musta
Tuotenumero:
SKU050B-7-KJSNC13
Kopioitu!
|
1 mm²
|
CEE 7/7 + C13
|
0,5 m
|
Harmaa, Musta, Valkoinen
|
| ||
|
CEE 7/7 - C13 - 1500mm - 3 x 100 - Musta
Tuotenumero:
SKU150B-7-KJSNC13
Kopioitu!
|
1 mm²
|
CEE 7/7 + C13
|
1,5 m
|
Harmaa, Musta, Valkoinen
|
| ||
|
CEE 7/7 - C13 - 2500mm - 3 x 100 - Musta
Tuotenumero:
SKU250B-7-KJSNC13
Kopioitu!
|
1 mm²
|
CEE 7/7 + C13
|
2,5 m
|
Harmaa, Musta, Valkoinen
|
| ||
|
CEE 7/7 - C13 - 5000mm - 3 x 100 - Musta
Tuotenumero:
SKU500B-7-KJSNC13
Kopioitu!
|
1 mm²
|
CEE 7/7 + C13
|
5 m
|
Harmaa, Musta, Valkoinen
|
| ||
|
CEE 7/7 - C19 - 500mm - 3 x 150 - Musta
Tuotenumero:
SKU050B-8-KJSNC19
Kopioitu!
|
1,5 mm²
|
CEE 7/7 + C19
|
0,5 m
|
Harmaa, Musta, Valkoinen
|
| ||
|
CEE 7/7 - C19 - 1500mm - 3 x 150 - Musta
Tuotenumero:
SKU150B-8-KJSNC19
Kopioitu!
|
1,5 mm²
|
CEE 7/7 + C19
|
1,5 m
|
Harmaa, Musta, Valkoinen
|
| ||
|
CEE 7/7 - C19 - 2500mm - 3 x 150 - Musta
Tuotenumero:
SKU250B-8-KJSNC19
Kopioitu!
|
1,5 mm²
|
CEE 7/7 + C19
|
2,5 m
|
Harmaa, Musta, Valkoinen
|
| ||
|
CEE 7/7 - C19 - 5000mm - 3 x 150 - Musta
Tuotenumero:
SKU500B-8-KJSNC19
Kopioitu!
|
1,5 mm²
|
CEE 7/7 + C19
|
5 m
|
Harmaa, Musta, Valkoinen
|
|
Valitse tuote listalta.
Petteri Nyberg