IGUS

DRYLIN® W-SARJAN JOHDE

Lienaarijohde

W-sarja johteista löytyy useita eri vaihtoehtoja.
  • Materiaalina alumiini (kova-anodisoitu)
  • Maksimipituus 4 metriä
  • Saatavana kiinnitysreikien kanssa ja ilman

Valitse tuote

Valitse tuote

Valitse tuote

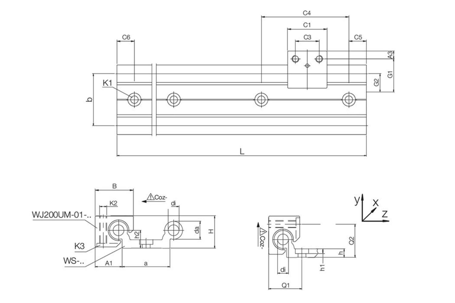
Tekniset tiedot

a 40 mm
b 40 mm
C4 120 mm
C5 Max. 79,5 mm
C5 Min. 20 mm
C6 Max. 79,5 mm
C6 Min. 20 mm
h 5,5 mm
h1 5,5 mm

Tuotekuvaus

Drylin® W-sarja on monipuolisin lineaarijohdesarja Igukselta. Mallistosta löytyy useita eri vaihtoehtoja lineaarijohteille ja kelkoille. Johteet on valmistettu kova-anodisoidusta alumiinista. Ne kestävät korroosiota hyvin, ovat hiljaisia ja kevyitä. Johteet on saatavilla kiinnitysreikien kanssa tai ilman ja ne voidaan katkaista valmiiksi määrämitttaan, tai toimittaa maksimissaan 4 metrin mittaisena.

 

Tutustu myös Iguksen online konfiguraattoriin lineaarijohteille tästä. Sen avulla saat helposti valittua oikeanlaisen johteen sovellukseesi.

 

PDF katalogin Iguksen Drytech tuotteista voit ladata tästä.

Tarvikkeet

Saatat olla kiinnostunut näistä



Äänitiedostot

Lisää luettavaa

Suosikit Tilausnumero: a b C4 C5 Max. C5 Min. C6 Max. C6 Min. h h1 Hinta
40 mm
40 mm
120 mm
79,5 mm
20 mm
79,5 mm
20 mm
5,5 mm
5,5 mm
120 mm
120 mm
120 mm
79,5 mm
20 mm
79,5 mm
20 mm
5,5 mm
5,5 mm
54 mm
58 mm
120 mm
79,5 mm
20 mm
79,5 mm
20 mm
7,5 mm
3,5 mm
74 mm
82 mm
120 mm
79,5 mm
20 mm
79,5 mm
20 mm
9,5 mm
4,5 mm
120 mm
131 mm
150 mm
99,5 mm
25 mm
99,5 mm
25 mm
11,5 mm
5,5 mm
27 mm
79,5 mm
20 mm
79,5 mm
20 mm
5,5 mm
5,5 mm
27 mm
79,5 mm
20 mm
79,5 mm
20 mm
7,5 mm
3,5 mm
27 mm
79,5 mm
20 mm
79,5 mm
20 mm
9,5 mm
4,5 mm
32 mm
99,5 mm
25 mm
99,5 mm
25 mm
11,5 mm
5,5 mm

Valittu tuote

Valitse tuote listalta.

Teknisiä neuvoja

Niklas Karlsson

Tuotepäällikkö

Asiakaspalvelu
Asiakaspalvelumme vastaa kysymyksiin ja etsii ratkaisut ongelmiin. Heille voit jättää myös tilauksesi.
FAQ
+ Miten tullaan asiakkaaksenne?
+ Olen sopinut puskurivarastosta, voinko tilata verkkokaupan kautta?
+ Voiko samalla tilillä olla useita käyttäjiä?
+ Voiko samassa tilauksessa olla useampia toimituspäiviä?
+ Voiko tilauksen toimittaa väliaikaiseen toimitusosoitteeseen?
Chatti
Tarvitsetko apua?
Logo

Evästeet oem.fi sivustolla

Evästeiden avulla voimme palvella sinua paremmin ja varmistamme sivuston sujuvan toiminnan. Voit hallinnoida evästeasetuksia koska tahansa.

Toiminnalliset evästeet

Nämä evästeet ovat välttämättömiä verkkosivuston toimimiseksi, eikä niitä voi poistaa käytöstä järjestelmissämme. Niitä käytetään yleensä vain vastauksena toimiin, jotka olet tehnyt palvelupyynnön yhteydessä, esimerkiksi henkilökohtaisten asetusten määrittämisen, kirjautumisen tai lomakkeen täyttämisen yhteydessä.

Tilastolliset evästeet

Tilastollisten evästeiden avulla seuraamme verkkosivustomme kävijöiden toimintaa ja teemme analyyseja, joiden avulla voimme optimoida verkkosivustoamme. Tämä tarkoittaa, että voimme kehittää sivustoamme toimivammaksi ja palvelemaan kävijöitä paremmin. Jos et hyväksy näitä evästeitä, emme tiedä, milloin olet käynyt sivustollamme. Voit kuitenkin käyttää sivustoamme normaalisti.

Markkinointievästeet

Markkinointievästeiden avulla voimme kohdentaa sinulle mainoksia eri verkkosivustoilla tai sisältöä sosiaalisessa mediassa. Näitä evästeitä asettavat kolmannen osapuolen mainonta- ja kohdistustyökalut. Evästeiden kautta nämä toimijat voivat muodostaa profiilin kiinnostuksesi kohteista. Jos et hyväksy näitä evästeitä, et näe kohdennettua markkinointia etkä mahdollisesti voi käyttää sosiaalisen median jakotyökaluja.