OEM ELECTRONICS
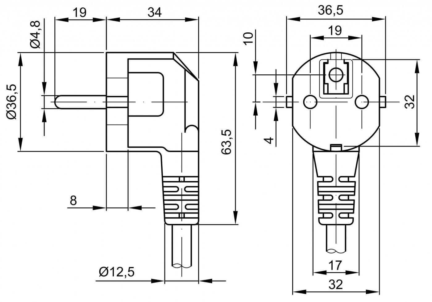
KS C 8305 -pistoketta voidaan käyttää seuraavilla alueilla:
Kotitaloudet Etelä-Koreassa: Pistoke on yleinen Etelä-Korean kodeissa, jossa sitä käytetään liittämään kodinkoneita, elektroniikkaa ja muita sähkölaitteita paikallisiin pistorasioihin.
Toimistot ja kaupalliset tilat: KS C 8305 -pistoketta käytetään toimistoissa ja kaupallisissa rakennuksissa, kuten myymälöissä ja hotelleissa, joissa se liittää toimistolaitteita, tietokoneita, tulostimia ja muita elektroniikkalaitteita.
Teollisuusympäristöt: Pistoke soveltuu myös teollisuuslaitoksiin Etelä-Koreassa, joissa se liittää erilaisia teollisuuslaitteita ja koneita, tarjoten kestävän ja luotettavan sähköliitännän.
Rakennusprojektit: KS C 8305 -pistoketta voidaan käyttää rakennustyömailla ja rakennusprojekteissa, joissa se tarjoaa kestävän liitännän rakennuslaitteille ja työkaluille.
Yhteisölliset ja julkiset tilat: Pistoke löytyy myös yhteisöllisistä ja julkisista tiloista, kuten messukeskuksista, urheiluhalleista ja kulttuurikeskuksista, joissa se mahdollistaa suurten tapahtumatekniikoiden ja järjestelmien liittämisen.
KS C 8305 -pistoke on suunniteltu erityisesti Etelä-Korean sähköjärjestelmää varten ja tarjoaa luotettavan ratkaisun monenlaisiin sähkölaitteiden ja järjestelmien liittämistarpeisiin.
Technon valmiiksi valetut liitinkaapelit tarjoavat nopean ja luotettavan ratkaisun teollisuuden liitäntähaasteisiin. Lue lisää!
TH394 liitin mahdollistaa merkittävästi nopeamman asennuksen ja tarjoaa erinomaisen kaapelin vetolujuuden sekä kestävyyden. Tutustu!
Teollisuusympäristöissä tapahtuvat räjähdykset voivat aiheuttaa vakavia vahinkoja sekä ihmisille että omaisuudelle. ATEX varmistaa, että sekä laitteet että työprosessit on suunniteltu minimoimaan nämä riskit ja luomaan turvallinen työympäristö.
Olemme mukana Teknologia-messuilla, osastolla 6d60! Tule haistelemaan messutunnelmaa ja juttelemaan. Nähdään Helsingissä 4.–6.11.2025!
SAB Bröckskesin SABorganic S 1000 edustaa uuden aikakauden kaapelisuunnittelua, jossa yhdistyvät huippuluokan tekniset ominaisuudet ja vastuullinen materiaalivalinta.
Bitnerin LAN-kaapelivalikoima tarjoaa kattavan ratkaisun, kun tarvitaan laadukkaita, turvallisia ja suorituskykyisiä tiedonsiirtokaapeleita teollisuusympäristöihin, rakennusautomaatioon tai kiinteistöjen IT-verkkoratkaisuihin.
|
|
|
|
|
|
||
|---|---|---|---|---|---|---|
|
|
|
|
|
|
||
|
|
|
|
|
|
||
|
|
|
|
|
|
||
|
|
|
|
|
|
||
|
|
|
|
|
|
||
|
|
|
|
|
|
| Suosikit | Tilausnumero: | Johdinala | Liitäntä | Pituus | Hinta | |
|---|---|---|---|---|---|---|
|
KS C 8305 - C5 - 500mm - 3 x 075 - Musta
Tuotenumero:
KSU050B-6-KJSNC5
Kopioitu!
|
0,75 mm²
|
KS C 8305 + C5
|
0,5 m
|
| ||
|
KS C 8305 - C5 - 1500mm - 3 x 075 - Musta
Tuotenumero:
KSU150B-6-KJSNC5
Kopioitu!
|
0,75 mm²
|
KS C 8305 + C5
|
1,5 m
|
| ||
|
KS C 8305 - C5 - 2500mm - 3 x 075 - Musta
Tuotenumero:
KSU250B-6-KJSNC5
Kopioitu!
|
0,75 mm²
|
KS C 8305 + C5
|
2,5 m
|
| ||
|
KS C 8305 - C5 - 5000mm - 3 x 075 - Musta
Tuotenumero:
KSU500B-6-KJSNC5
Kopioitu!
|
0,75 mm²
|
KS C 8305 + C5
|
5 m
|
| ||
|
KS C 8305 - C5 - 500mm - 3 x 100 - Musta
Tuotenumero:
KSU050B-7-KJSNC5
Kopioitu!
|
1 mm²
|
KS C 8305 + C5
|
0,5 m
|
| ||
|
KS C 8305 - C5 - 1500mm - 3 x 100 - Musta
Tuotenumero:
KSU150B-7-KJSNC5
Kopioitu!
|
1 mm²
|
KS C 8305 + C5
|
1,5 m
|
| ||
|
KS C 8305 - C5 - 2500mm - 3 x 100 - Musta
Tuotenumero:
KSU250B-7-KJSNC5
Kopioitu!
|
1 mm²
|
KS C 8305 + C5
|
2,5 m
|
| ||
|
KS C 8305 - C5 - 5000mm - 3 x 100 - Musta
Tuotenumero:
KSU500B-7-KJSNC5
Kopioitu!
|
1 mm²
|
KS C 8305 + C5
|
5 m
|
| ||
|
KS C 8305 - C13 - 500mm - 3 x 075 - Musta
Tuotenumero:
KSU050B-6-KJSNC13
Kopioitu!
|
0,75 mm²
|
KS C 8305 + C13
|
0,5 m
|
| ||
|
KS C 8305 - C13 - 1500mm - 3 x 075 - Musta
Tuotenumero:
KSU150B-6-KJSNC13
Kopioitu!
|
0,75 mm²
|
KS C 8305 + C13
|
1,5 m
|
| ||
|
KS C 8305 - C13 - 2500mm - 3 x 075 - Musta
Tuotenumero:
KSU250B-6-KJSNC13
Kopioitu!
|
0,75 mm²
|
KS C 8305 + C13
|
2,5 m
|
| ||
|
KS C 8305 - C13 - 5000mm - 3 x 075 - Musta
Tuotenumero:
KSU500B-6-KJSNC13
Kopioitu!
|
0,75 mm²
|
KS C 8305 + C13
|
5 m
|
| ||
|
KS C 8305 - C13 - 500mm - 3 x 100 - Musta
Tuotenumero:
KSU050B-7-KJSNC13
Kopioitu!
|
1 mm²
|
KS C 8305 + C13
|
0,5 m
|
| ||
|
KS C 8305 - C13 - 1500mm - 3 x 100 - Musta
Tuotenumero:
KSU150B-7-KJSNC13
Kopioitu!
|
1 mm²
|
KS C 8305 + C13
|
1,5 m
|
| ||
|
KS C 8305 - C13 - 2500mm - 3 x 100 - Musta
Tuotenumero:
KSU250B-7-KJSNC13
Kopioitu!
|
1 mm²
|
KS C 8305 + C13
|
2,5 m
|
| ||
|
KS C 8305 - C13 - 5000mm - 3 x 100 - Musta
Tuotenumero:
KSU500B-7-KJSNC13
Kopioitu!
|
1 mm²
|
KS C 8305 + C13
|
5 m
|
| ||
|
KS C 8305 - C19 - 500mm - 3 x 150 - Musta
Tuotenumero:
KSU050B-8-KJSNC19
Kopioitu!
|
1,5 mm²
|
KS C 8305 + C19
|
0,5 m
|
| ||
|
KS C 8305 - C19 - 1500mm - 3 x 150 - Musta
Tuotenumero:
KSU150B-8-KJSNC19
Kopioitu!
|
1,5 mm²
|
KS C 8305 + C19
|
1,5 m
|
| ||
|
KS C 8305 - C19 - 2500mm - 3 x 150 - Musta
Tuotenumero:
KSU250B-8-KJSNC19
Kopioitu!
|
1,5 mm²
|
KS C 8305 + C19
|
2,5 m
|
| ||
|
KS C 8305 - C19 - 5000mm - 3 x 150 - Musta
Tuotenumero:
KSU500B-8-KJSNC19
Kopioitu!
|
1,5 mm²
|
KS C 8305 + C19
|
5 m
|
|
Valitse tuote listalta.
Petteri Nyberg