OEM ELECTRONICS
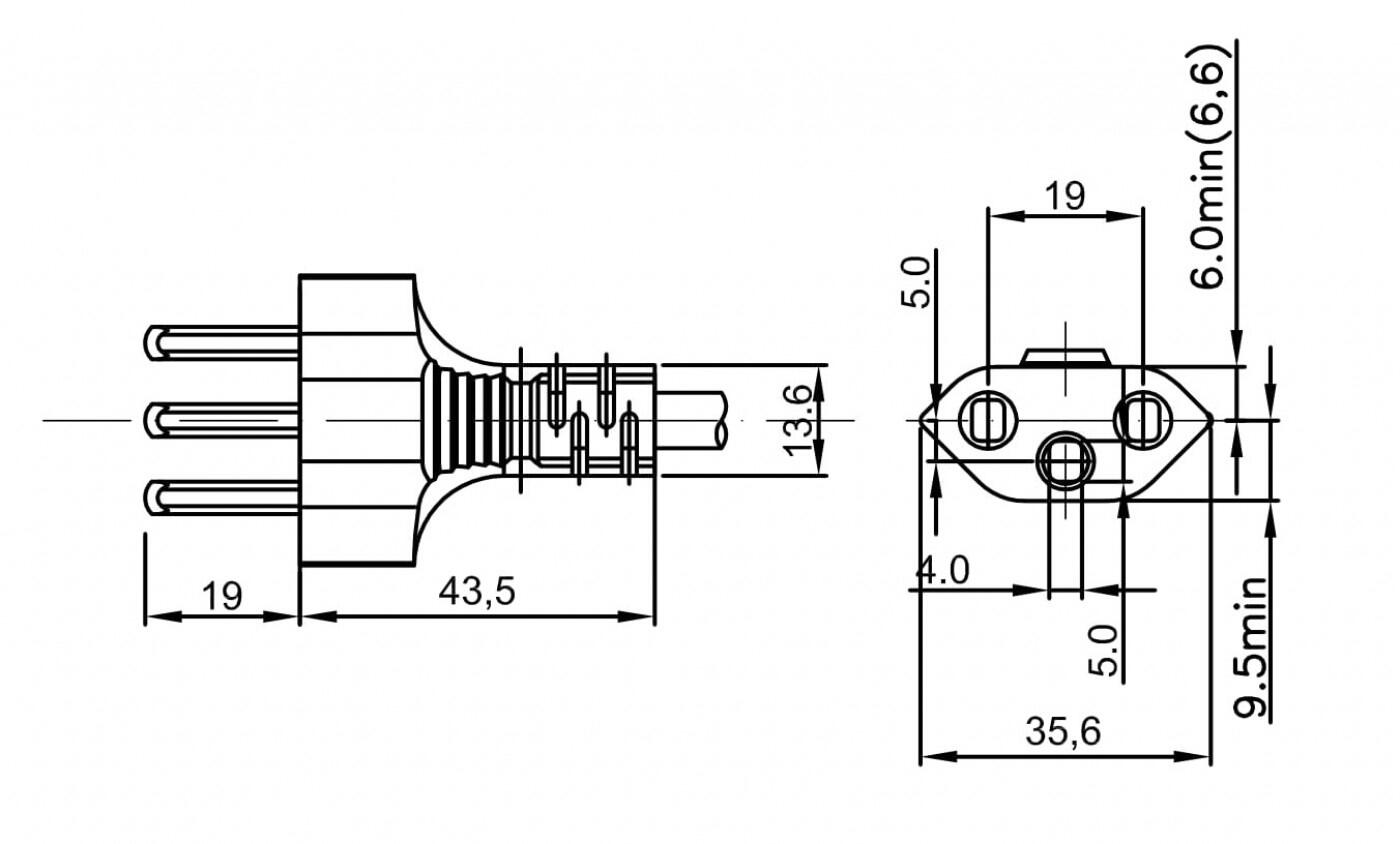
SN 441011 -pistoketta voidaan käyttää useissa eri ympäristöissä ja sovelluksissa erityisesti Pohjoismaissa. Tässä on joitakin käyttökohteita:
Teollisuusympäristöt: SN 441011 -pistoke on erityisesti suunniteltu teollisiin sovelluksiin, kuten koneiden ja laitteiden liittämiseen teollisuuslaitoksissa, tuotantohalleissa ja työpajoissa, joissa tarvitaan yksivaiheista virransyöttöä.
Rakennusprojektit: Pistoketta käytetään rakennusprojekteissa, kuten suurissa rakennustyömaissa ja remonttikohteissa, joissa tarvitaan luotettavaa ja kestävää sähköliitäntää suurille työkaluille ja laitteille.
Sähkökeskukset ja alakeskukset: Pistoke soveltuu hyvin sähkökeskuksiin ja alakeskuksiin, joissa tarvitaan voimakasta ja vakaata sähköliitäntää eri sähkölaitteille ja -järjestelmille.
Kaupalliset tilat: SN 441011 -pistoketta voidaan käyttää myös kaupallisissa ympäristöissä, kuten suurissa myymälöissä ja hotelleissa, joissa tarvitaan luotettavaa yksivaiheista sähköliitäntää esimerkiksi suurille laitteille ja järjestelmille.
Energia- ja infrastruktuurihankkeet: Pistoke on sopiva myös energia- ja infrastruktuurihankkeisiin, kuten voimalaitoksiin ja teollisuuslaitoksiin, joissa tarvitaan tehokasta ja kestävä sähköliitäntää suurille energialaitteille ja -järjestelmille.
SN 441011 -pistoke on suunniteltu tarjoamaan luotettavaa ja turvallista sähköliitäntää monenlaisissa vaativissa ympäristöissä Pohjoismaissa.
Technon valmiiksi valetut liitinkaapelit tarjoavat nopean ja luotettavan ratkaisun teollisuuden liitäntähaasteisiin. Lue lisää!
TH394 liitin mahdollistaa merkittävästi nopeamman asennuksen ja tarjoaa erinomaisen kaapelin vetolujuuden sekä kestävyyden. Tutustu!
Teollisuusympäristöissä tapahtuvat räjähdykset voivat aiheuttaa vakavia vahinkoja sekä ihmisille että omaisuudelle. ATEX varmistaa, että sekä laitteet että työprosessit on suunniteltu minimoimaan nämä riskit ja luomaan turvallinen työympäristö.
Olemme mukana Teknologia-messuilla, osastolla 6d60! Tule haistelemaan messutunnelmaa ja juttelemaan. Nähdään Helsingissä 4.–6.11.2025!
SAB Bröckskesin SABorganic S 1000 edustaa uuden aikakauden kaapelisuunnittelua, jossa yhdistyvät huippuluokan tekniset ominaisuudet ja vastuullinen materiaalivalinta.
Bitnerin LAN-kaapelivalikoima tarjoaa kattavan ratkaisun, kun tarvitaan laadukkaita, turvallisia ja suorituskykyisiä tiedonsiirtokaapeleita teollisuusympäristöihin, rakennusautomaatioon tai kiinteistöjen IT-verkkoratkaisuihin.
|
|
|
|
|
|
||
|---|---|---|---|---|---|---|
|
|
|
|
|
|
||
|
|
|
|
|
|
||
|
|
|
|
|
|
||
|
|
|
|
|
|
||
|
|
|
|
|
|
||
|
|
|
|
|
|
| Suosikit | Tilausnumero: | Johdinala | Liitäntä | Pituus | Hinta | |
|---|---|---|---|---|---|---|
|
SN 441011 - C5 - 500mm - 3 x 075 - Musta
Tuotenumero:
SVE050B-6-KJSNC5
Kopioitu!
|
0,75 mm²
|
SN 441011 + C5
|
0,5 m
|
| ||
|
SN 441011 - C5 - 1500mm - 3 x 075 - Musta
Tuotenumero:
SVE150B-6-KJSNC5
Kopioitu!
|
0,75 mm²
|
SN 441011 + C5
|
1,5 m
|
| ||
|
SN 441011 - C5 - 2500mm - 3 x 075 - Musta
Tuotenumero:
SVE250B-6-KJSNC5
Kopioitu!
|
0,75 mm²
|
SN 441011 + C5
|
2,5 m
|
| ||
|
SN 441011 - C5 - 5000mm - 3 x 075 - Musta
Tuotenumero:
SVE500B-6-KJSNC5
Kopioitu!
|
0,75 mm²
|
SN 441011 + C5
|
5 m
|
| ||
|
SN 441011 - C5 - 500mm - 3 x 100 - Musta
Tuotenumero:
SVE050B-7-KJSNC5
Kopioitu!
|
1 mm²
|
SN 441011 + C5
|
0,5 m
|
| ||
|
SN 441011 - C5 - 1500mm - 3 x 100 - Musta
Tuotenumero:
SVE150B-7-KJSNC5
Kopioitu!
|
1 mm²
|
SN 441011 + C5
|
1,5 m
|
| ||
|
SN 441011 - C5 - 2500mm - 3 x 100 - Musta
Tuotenumero:
SVE250B-7-KJSNC5
Kopioitu!
|
1 mm²
|
SN 441011 + C5
|
2,5 m
|
| ||
|
SN 441011 - C5 - 5000mm - 3 x 100 - Musta
Tuotenumero:
SVE500B-7-KJSNC5
Kopioitu!
|
1 mm²
|
SN 441011 + C5
|
5 m
|
| ||
|
SN 441011 - C13 - 500mm - 3 x 075 - Musta
Tuotenumero:
SVE050B-6-KJSNC13
Kopioitu!
|
0,75 mm²
|
SN 441011 + C13
|
0,5 m
|
| ||
|
SN 441011 - C13 - 1500mm - 3 x 075 - Musta
Tuotenumero:
SVE150B-6-KJSNC13
Kopioitu!
|
0,75 mm²
|
SN 441011 + C13
|
1,5 m
|
| ||
|
SN 441011 - C13 - 2500mm - 3 x 075 - Musta
Tuotenumero:
SVE250B-6-KJSNC13
Kopioitu!
|
0,75 mm²
|
SN 441011 + C13
|
2,5 m
|
| ||
|
SN 441011 - C13 - 5000mm - 3 x 075 - Musta
Tuotenumero:
SVE500B-6-KJSNC13
Kopioitu!
|
0,75 mm²
|
SN 441011 + C13
|
5 m
|
| ||
|
SN 441011 - C13 - 500mm - 3 x 100 - Musta
Tuotenumero:
SVE050B-7-KJSNC13
Kopioitu!
|
1 mm²
|
SN 441011 + C13
|
0,5 m
|
| ||
|
SN 441011 - C13 - 1500mm - 3 x 100 - Musta
Tuotenumero:
SVE150B-7-KJSNC13
Kopioitu!
|
1 mm²
|
SN 441011 + C13
|
1,5 m
|
| ||
|
SN 441011 - C13 - 2500mm - 3 x 100 - Musta
Tuotenumero:
SVE250B-7-KJSNC13
Kopioitu!
|
1 mm²
|
SN 441011 + C13
|
2,5 m
|
| ||
|
SN 441011 - C13 - 5000mm - 3 x 100 - Musta
Tuotenumero:
SVE500B-7-KJSNC13
Kopioitu!
|
1 mm²
|
SN 441011 + C13
|
5 m
|
| ||
|
SN 441011 - C19 - 500mm - 3 x 150 - Musta
Tuotenumero:
SVE050B-8-KJSNC19
Kopioitu!
|
1,5 mm²
|
SN 441011 + C19
|
0,5 m
|
| ||
|
SN 441011 - C19 - 1500mm - 3 x 150 - Musta
Tuotenumero:
SVE150B-8-KJSNC19
Kopioitu!
|
1,5 mm²
|
SN 441011 + C19
|
1,5 m
|
| ||
|
SN 441011 - C19 - 2500mm - 3 x 150 - Musta
Tuotenumero:
SVE250B-8-KJSNC19
Kopioitu!
|
1,5 mm²
|
SN 441011 + C19
|
2,5 m
|
| ||
|
SN 441011 - C19 - 5000mm - 3 x 150 - Musta
Tuotenumero:
SVE500B-8-KJSNC19
Kopioitu!
|
1,5 mm²
|
SN 441011 + C19
|
5 m
|
|
Valitse tuote listalta.
Petteri Nyberg